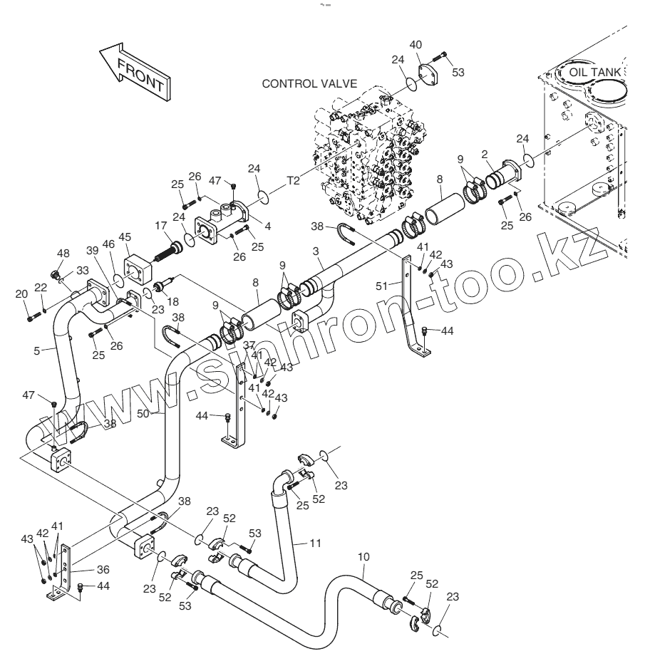
Каталог запасных частей к технике: Doosan S500LC-V. OIL COOLER PIPING (2)
400-00706A
2
3
4
5
5
8
8
9
9
9
10
11
17
17
18
20
22
23
23
23
23
23
24
24
24
24
25
25
25
25
25
25
26
26
26
26
33
36
37
38
38
38
38
39
40
41
41
41
41
42
42
42
42
43
43
43
43
44
44
44
45
46
47
47
48
50
51
52
52
52
52
53
53
53
| Позиция на иллюстрации | Заводской номер детали | Название детали | |
|---|---|---|---|
| 400-00706A | 400-00706A | OIL COOLER PIPING | |
| 2 | 140-00867 | PIPE | |
| 3 | 140-00868 | PIPE | |
| 4 | 140-00869A | PIPE | |
| 5 | 140-00870A | PIPE | |
| 5 | 140-00870B | PIPE | |
| 8 | 2185-1776D11 | HOSE, RUBBER | |
| 9 | S8470095 | CLAMP;HOSE | |
| 10 | DS2038112 | HOSE | |
| 11 | DS2045292 | HOSE | |
| 17 | 422-00041 | Valve, by-pass | |
| 17 | 420-00261B | Valve, bypass | |
| 18 | 420-00304 | Valve, by-pass | |
| 20 | S2221566 | BOLT;SOCKET M16X2.0X45 | |
| 22 | S5110903 | WASHER;SPRING | |
| 23 | 2180-1026D27 | O-RING | |
| 24 | 2180-1026D31 | O-RING | |
| 25 | S2215466 | BOLT;SOCKET | |
| 26 | S5110703 | Washer | |
| 33 | S8000291 | O-RING | |
| 36 | 195-01615A | BRACKET | |
| 37 | 195-01576A | BRACKET | |
| 38 | 120-00269A | U-BOLT | |
| 39 | 120-00258A | Bolt, u | |
| 40 | 2181-2157D10 | FLANGE, COVER | |
| 41 | 2114-1058D46 | WASHER | |
| 42 | S5102703 | WASHER;SPRING M10 | |
| 43 | S4012733 | NUT M12 | |
| 44 | 2120-2196D10 | Bolt, set | |
| 45 | 423-00114A | Block | |
| 46 | 2180-1026D32 | O-RING | |
| 47 | 2181-2047A | PLUG | |
| 48 | 2181-1950D9 | PLUG PFO1 | |
| 50 | 140-00889A | PIPE | |
| 51 | 195-01639 | BRACKET | |
| 52 | 4215-1003D6 | Flange, split | |
| 53 | S2215266 | BOLT |
Содержащиеся в справочниках-каталогах запасные части и детали не предлагаются к продаже, а носят исключительно информационный характер