Вернуться на главную
Поиск
Каталоги запчастей к технике
Спецтехника
Doosan
S500LC-V
MAIN PIPING (4)
Каталог запасных частей к технике: Doosan S500LC-V. MAIN PIPING (4)
zoom-in
zoom-out
enlarge
shrink
circle-right
circle-left
file-text2
info
cart
Тип техники
Не выбрано
Легковые автомобили
Грузовые автомобили и прицепы
Автобусы
Сельхозтехника
Спецтехника
Двигатели
Мототехника
Марка
Не выбрано
Ammann
BOMAG
CARMIX
CASE IH
Changlin
ChengGong
Dimex
Doosan
DYNAPAC
Foton
HAMM
Hidromek
Hitachi
Hyundai
JCB
JLG
John Deere
Komatsu
LIEBHERR
LiuGong
Lonking (LongGong)
Luneng
MANITOU
Mitsuber
New Holland
PENGPU
RM-Terex
SANY
SDLG
SEM
Shantui
Shehwa HBXG
Soosan
TIGARBO
VOGELE
Volvo
WAY
WIRTGEN
XCMG
XGMA
Xiamen
YTO
Yuchai
Zoomlion
Автокран
АЗСМ
Алтайлесмаш
Амкодор
АОМЗ
Атек
АТЗ
Балканкар Рекорд
БелАЗ
Беловеж
Борекс
Брянский Арсенал
Булат
ВЭКС
ГАЗ
Геомаш
Гидромаш
Донекс
Дормаш
Дормашина
Дорэлектромаш
ДЭЗ
ЕлАЗ
ЗЗГТ
Ижнефтемаш
Канаш-электрокар
КЗКТ
ККЗ
Клевер
Клинцовский автокрановый завод
КМЗ
КМЗ 1 Мая
Ковровец
Коммаш
Кранэкс
КЭЗ
КЭМЗ
ЛЗА
МАЗ
МЗИК
МЗКМ
МЗКТ
Михневский РМЗ
МоАЗ
Мозырский МЗ
МТЗ
ОЗП
Онежец
ПАО "ТЗА"
ППС Детва
Промтрактор
ПТЗ
Раскат
СпецАгрегат
ТВЭКС
ТТМ
УВЗ
Угличмаш
УЗТМ
ХТЗ
ЧЗКМ
ЧСДМ
ЧТЗ
ЭКСКО
ЭКСМАШ
ЮрМаш
Модель
Не выбрано
DL220 (2010)
DX140W (2017)
DX225LC (2009)
DX225LCA (2012)
S225LC-V (2009)
S340LC-V (2009)
S500LC-V (2007)
SOLAR 130W-V(1) (2017)
SOLAR 130W-V(2) (2017)
SOLAR 140W-V (2017)
SOLAR 140W-V & S160W-V (2017)
SOLAR 160W-V (2017)
SOLAR 170W-V (2017)
SOLAR 180W-V (2017)
SOLAR 210W-V (2017)
SOLAR 255LC-V (DI EXP) (2017)
SOLAR 420LC-V (2017)
Мини-погрузчик 430 Plus (2010)
Мини-погрузчик 440 Plus (2010)
Мини-погрузчик 450 Plus (2010)
Мини-погрузчик 450 Plus (Tier3) (2010)
Мини-погрузчик 460 Plus (2010)
Мини-погрузчик 460 Plus (Tier3) (2010)
Мини-погрузчик 470 Plus (2010)
Экскаватор SOLAR 140LC-V (2010)
Экскаватор SOLAR 175LC-V (2010)
Схема
>
Не выбрано
CYLINDER BLOCK
TIMING GEAR CASE
FLYWHEEL HOUSING
DRIVING SYSTEM
CYLINDER HEAD
CYLINDER HEAD COVER
TIMING SYSTEM
OIL PUMP
OIL FILTER
OIL COOLER
OIL PAN
COOLING WATER PIPE
WATER PUMP
COOLING FAN
EXHAUST MANIFOLD
INTAKE MANIFOLD
TURBO CHARGER
NOZZLE & HOLDER
INJECTION PIPE
INJECTION PUMP
INJECTION PUMP DRIVE
INJECTION PUMP MOUNTING
FUEL PIPE
FUEL FILTER
ALTERNATOR MOUNTING
STARTER
PRESSURE GAUGE
AIR CONDITIONER
ENGINE MOUNTING
OVER HAUL GASKET KIT - TOP
OVER HAUL GASKET KIT - ALL
CYLINDER BLOCK
TIMING GEAR CASE
FLYWHEEL HOUSING
DRIVING SYSTEM
CYLINDER HEAD
CYLINDER HEAD COVER
TIMING SYSTEM
OIL PUMP
OIL FILTER
OIL COOLER
OIL PAN
COOLING WATER PIPE
COOLING WATER PUMP
COOLING FAN
EXHAUST MANIFOLD
INTAKE MANIFOLD
TURBO CHARGER
INJECTION NOZZLE
INJECTION PIPE
INJECTION PUMP
INJECTION PUMP DRIVE
INJECTION PUMP MOUNTING
FUEL PIPE
FUEL FILTER
ALTERNATOR MOUNTING
STARTER
PRESSURE GAUGE
AIR CONDITIONER
ENGINE MOUNTING
OVER HAUL GASKET KIT - TOP
OVER HAUL GASKET KIT - ALL
MAIN FRAME
COUNTERWEIGHT - ADDITIONAL
ENGINE MOUNTING
RADIATOR
RESERVE TANK
MUFFLER
РЎРђРЎ PIPING
AIR CLEANER ASSY
AIR CLEANER
PUMP MOUNTING
FUEL PIPING
FUEL TANK
SWING DEVICE ASSY
OIL TANK
OIL COOLER PIPING (1)
OIL COOLER PIPING (2)
OIL COOLER PIPING (3)
MAIN PIPING (l)
MAIN PIPING (2)
MAIN PIPING (3)
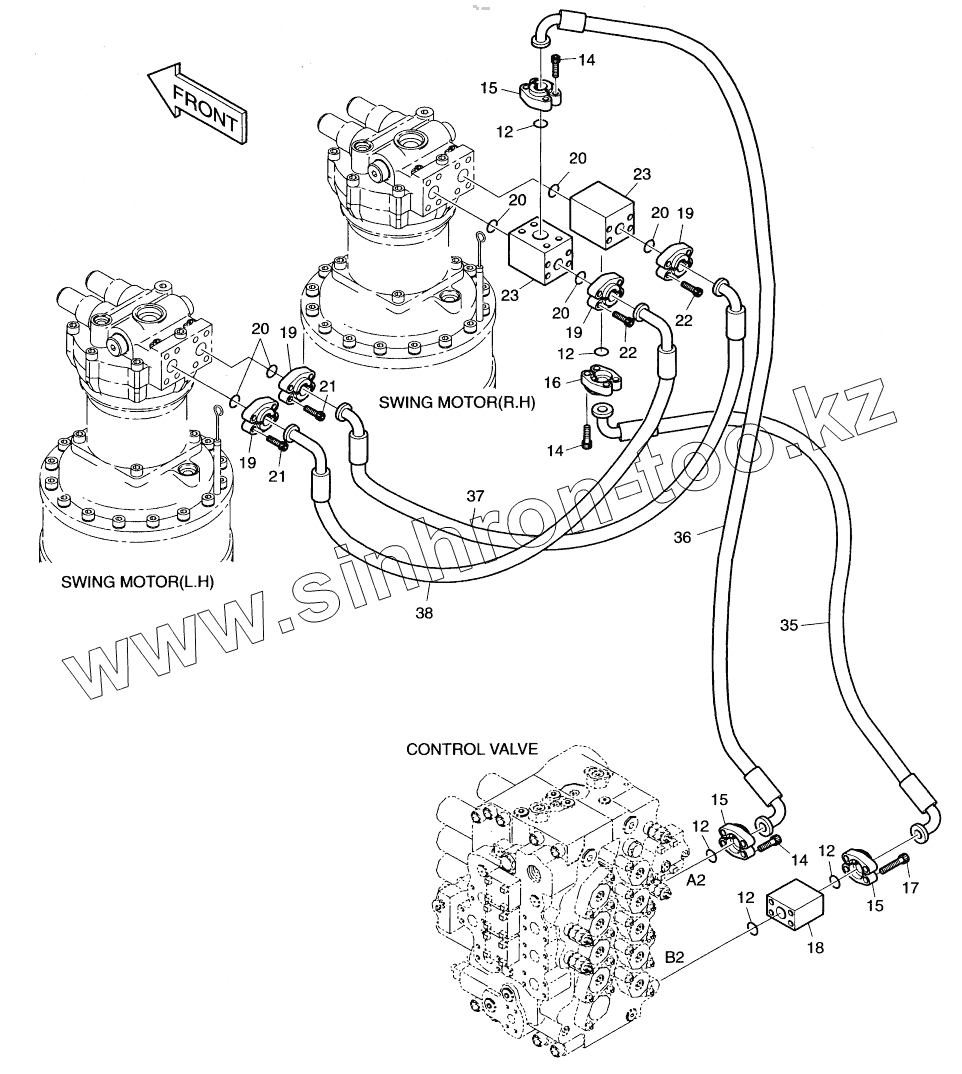
MAIN PIPING (4)
MAIN PIPING (5)
MAIN PIPING - ONE & TWO WAY
ENGINE CONTROL ASSY
PILOT PIPING (1)
PILOT PIPING (2)
PILOT PIPING (3)
PILOT PIPING (4)
PILOT PIPING (5)
PILOT PIPING (6)
PILOT PIPING (7)
PILOT PIPING (8)
PILOT PIPING - BREAKER
CONTROL STAND - L.H.
CONTROL STAND - R.H.
SEAT & ELECTRIC BOX
SEAT MOUNTING
SEAT
DUCT COVER ASSY
HEATER COVER ASSY
CABIN MOUNT ASSY
CABIN ASSY
CABIN (1)
CABIN (2)
CABIN (3)
CABIN (4)
CABIN (5)
SUPPORT
COVER (1)
COVER (2)
COVER (3)
COVER (4)
COVER (5)
UNDER COVER
BAFFLE
ACOUSTIC FOAM
COVER - NOISE KIT
ACOUSTIC FOAM - NOISE KIT
LUBRICATION PIPING
ELECTRIC BOX ASSY (1) - BOX
ELECTRIC BOX ASSY (2) - ELECTRIC PARTS
ELECTRIC PARTS (1) - GAUGE & SWITCH PANEL
ELECTRIC PARTS (2) - STAND R.H
ELECTRIC PARTS (3) - STAND L.H
ELECTRIC PARTS (4) - CABIN
ELECTRIC PARTS (5) - CABIN LAMP
ELECTRIC PARTS (6) - BATTERY
ELECTRIC PARTS (7) - ENGINE
ALTERNATOR
ELECTRIC PARTS (8) - RELATED PARTS
ELECTRIC WIRING (1) - BATTERY
ELECTRIC WIRING (2) - ENGINE
ELECTRIC WIRING (3) - RELATED PARTS
AIR CONDITIONER (1)
AIR CONDITIONER (2) - AIRCON UNIT
HEATER PIPING
NOISE FILTER ASSY
TRACK FRAME
IDLER
TRACK SPRING
UPPER ROLLER
LOWER ROLLER
TRACK SHOE ASSY - 600G
TRAVEL PIPING
JOINT CENTER
BOOM - 6.3m
ARM - 2.9m
BUCKET - 2.55m (72") - SIDE PIN
BUCKET - 2.55m (72") - VERTICAL PIN
BUCKET - 2.87m3 (80") - SIDE PIN
BUCKET - 2.87m3 (80") - VERTICAL PIN
BUCKET - 3.2m (88") - SIDE PIN
BUCKET - 3.2m3 (88") - VERTICAL PIN
BOOM PIPING - 6.3m
ARM PIPING - 2.9m
LUBRICATION PIPING - 6.3m BOOM
LOCK VALVE PIPING - 6.3m
BOOM PIPING - 6.3m ONE & TWO WAY
ARM PIPING - 2.9m ONE & TWO WAY
MAIN PUMP
MAIN PUMP - PUMP
MAIN PUMP - CONTROL
MAIN PUMP - EPPR VALVE
SWING MOTOR
SWING REDUCTION GEAR Serial No 1001 - 1448
SWING REDUCTION GEAR Serial No 1449 -
TRAVEL MOTOR
TRAVEL MOTOR - ROTARY GROUP
TRAVEL MOTOR - CONTROL
BRAKE VALVE
PRESSURE CONTROL VALVE
VALVE
TRAVEL REDUCTION GEAR
CONTROL VALVE (1)
CONTROL VALVE (2)
CONTROL VALVE (3)
REMOTE CONTROL VALVE Serial No. 1001 - 1613
REMOTE CONTROL VALVE Serial No. 1614
REMOTE CONTROL VALVE - 3 SWITCH
PEDAL VALVE
SOLENOID VALVE
BREAKER VALVE
PILOT VALVE
BOOM CYLINDER - R.H
BOOM CYLINDER - L.H
ARM CYLINDER
BUCKET CYLINDER
ARM CYLINDER - BOOM 6.3m
BOOM CYLINDER(R.H) - LOCK VALVE
BOOM CYLINDER(L.H) - LOCK VALVE
ARM CYLINDER - LOCK VALVE
ARM CYLINDER - LOCK VALVE
BUCKET CYLINDER - ARM 6.0m Serial No 1001 - 1253
BUCKET CYLINDER - ARM 6.0m Serial No 1254 -
BUCKET CYLINDER - ARM 8.0m
ARM CYLINDER - HEAVY DUTY
BUCKET CYLINDER - HEAVY DUTY
TOOLS
SPARE PARTS
NAME PLATE - EUROPE
NAME PLATE - ENGLISH
FUEL FILLER PUMP ASSY
6 - LAMP & BEACON (TELESCOPIC)
ROTATING BEACON
TRAVEL ALARM ASSY
TRAVEL/SWING ALARM ASSY
RETURN FILTER PRESS SWITCH
ALTERNATOR
F.O.G.S GUARD
CABIN LOW GUARD
SUN VISOR ASSY
SUN ROOF ASSY
FLOOR PLATE - TILTING
OVERLOAD WARNING ASSY
JOYSTICK VALVE ASSY - 3 SWITCH
TRACK SHOE - 750G Serial No 1001 - 1799
TRACK SHOE - 750G Serial No 1800 -
TRACK SHOE - 800G Serial No 1001 - 1799
TRACK SHOE - 800G Serial No 1800 -
TRACK SHOE - 900G Serial No 1001 - 1799
TRACK SHOE - 900G Serial No 1800 -
BOOM - 7.1m
BOOM - 9.0m
BOOM - 11.0m
ARM - 2.4m
ARM - 3.35m
ARM - 4.0m
ARM - 6.0m
ARM - 8.0m
BUCKET - 1.58m(48") - SIDE PIN
BUCKET - 1.58m(48") - VERTICAL PIN
BUCKET - 1.82m(54") - SIDE PIN
BUCKET - 1.82m(54") - VERTTCAL PIN
BUCKET - 2.07m(60") - SIDE PIN
BUCKET - 2.07m(60") - VERTICAL PIN
BUCKET - 0.8m3
BUCKET - 1.1m3
BUCKET - 1.2m3
BUCKET - 1.6m3
BUCKET - 1.9m3
BUCKET - 2.1m3
BUCKET - 2.5m3
BUCKET - 1.75m - ROCK
BUCKET - 0.96m3 - DITCH CLEANING
BUCKET - 1.17m3 - DITCH CLEANING
BOOM PIPING - 7.1m Serial No 1001 - 1200
BOOM PIPING - 7.1m Serial No 1201 -
BOOM PIPING - 9.0m
BOOM PIPING - 11.0m
ARM PIPING - 2.4m
ARM PIPING - 3.35m
ARM PIPING - 4.0m
ARM PIPING - 6.0m
ARM PIPING - 8.0m
LUBRICATION PIPING - 7.1m BOOM Serial No 1001 - 1200
LUBRICATION PIPING - 7.1m BOOM Serial No 1201 -
LUBRICATION PIPING - 9.0m BOOM
LUBRICATION PIPING - 11.0m BOOM
LOCK VALVE PIPING - 7.1m BOOM
LOCK VALVE PIPING - 9.0m BOOM
LOCK VALVE PIPING - 11.0m BOOM
BOOM PIPING - 7.1m ONE & TWO WAY Serial No 1001 - 1200
BOOM PIPING - 7.1m ONE & TWO WAY Serial No 1201 -
BOOM PIPING - 9.0m ONE & TWO WAY
ARM PIPING - 2.4m ONE & TWO WAY
ARM PIPING - 3.35m ONE & TWO WAY
ARM PIPING - 6.0m ONE & TWO WAY
NAME PLATE - ONE & TWO WAY
CABIN ASSY - WINDOW GUARD
ROCK BUCKET - 1.75m3
BUCKET - 2.5m3 - WITHOUT TOOTH
DOUBLE FUEL FILTER ASSY
BOOM - 7.1m - HEAVY DUTY
BOOM PIPING - HEAVY DUTY
ARM - 3.35m - HEAVY DUTY
ARM PIPING - HEAVY DUTY
ROCK BUCKET ASSY 1.48m3 - HEAVY DUTY Serial No 1001 - 1530
ROCK BUCKET ASSY 1.48m3 - HEAVY DUTY GODET Serial No 1531 -
LUBRICATION PIPING - H.D ARM 3.35m Serial No 1001 - 1462
LUBRICATION PIPING - H.D ARM 3.35m Serial No 1463 -
UNDER COVER - HEAVY DUTY
TRACK FRAME - HEAVY DUTY
TRACK SHOE ASSY - 600G - HEAVY DUTY Serial No 1001 - 1394
TRACK SHOE ASSY - 600G - HEAVY DUTY Serial No 1395 - 1799
TRACK SHOE ASSY - 600G - HEAVY DUTY Serial No 1800 -
CABIN GUARD - HEAVY DUTY
12
12
12
12
12
14
14
14
15
15
15
16
17
18
19
19
19
19
20
20
20
20
20
21
21
22
22
23
23
35
36
37
38
Позиция на иллюстрации
Заводской номер детали
Название детали
400-00705
400-00705
MAIN PIPING
12
2180-1026D19
O-RING
14
S2215466
BOLT;SOCKET
15
2181-9081
FLANGE;SPLIT
16
2181-9084А
FLANGE, SPLIT
17
S2217066
BOLT, SOCKET
18
423-00015
BLOCK, VALVE
19
2181-9079
FLANGE
20
2180-1026D2
O-RING
21
S2212266
BOLT;SOCKET M10X1.5X30
22
S2213866
Bolt, socket
23
2423-1570
BLOCK
35
DS2045271
HOSE
36
2184-1124D191
HOSE
37
2184-1124D60
HOSE
38
2184-1124D197
HOSE
Содержащиеся в справочниках-каталогах запасные части и детали не предлагаются к продаже, а носят исключительно информационный характер
Дополнительная информация
×
Название:
Номер:
Примечание: