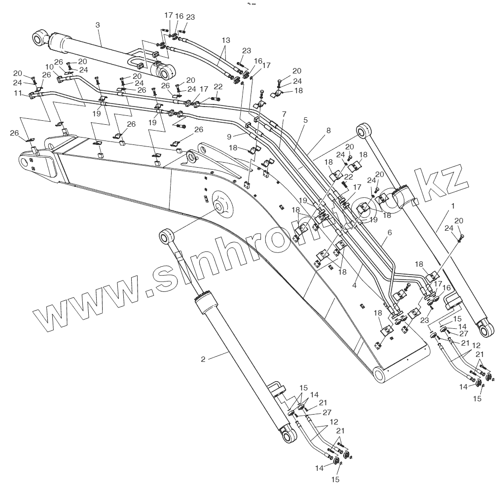
Каталог запасных частей к технике: Doosan S500LC-V. BOOM PIPING - 6.3m
400-00983A
1
1
2
2
3
3
4
5
6
7
8
9
10
11
12
12
13
14
14
14
14
15
15
15
15
16
16
16
17
17
17
17
17
18
18
18
18
18
18
18
18
18
19
19
19
19
20
20
20
20
20
20
20
20
21
21
21
21
22
22
23
23
23
24
24
24
24
24
24
24
24
26
26
26
26
26
26
26
27
27
| Позиция на иллюстрации | Заводской номер детали | Название детали | |
|---|---|---|---|
| 400-00983A | 400-00983A | BOOM PIPING-6.3m | |
| 1 | 440-00286 | CYLINDER, BOOM (R.H) | |
| 1 | 440-00286A | CYLINDER, BOOM (R.H) | |
| 2 | 440-00287 | CYLINDER, BOOM (L.H) | |
| 2 | 440-00287A | CYLINDER, BOOM (L.H) | |
| 3 | 440-00085 | CYLINDER, ARM | |
| 3 | 440-00085A | CYLINDER, ARM | |
| 4 | 140-01298 | PIPE | |
| 5 | 140-01225 | PIPE | |
| 6 | 140-01297 | PIPE | |
| 7 | 140-01226 | PIPE | |
| 8 | 140-01227A | PIPE | |
| 9 | 140-01228A | PIPE | |
| 10 | 140-00859 | PIPE | |
| 11 | 140-00860 | PIPE | |
| 12 | DS2038132 | HOSE-1070L | |
| 13 | 2184-1081D136 | HOSE-1950L | |
| 14 | 2181-9081 | FLANGE;SPLIT | |
| 15 | 2180-1026D19 | O-RING | |
| 16 | 2181-9086 | Flange | |
| 17 | 2180-1026D23 | O-ring | |
| 18 | 124-00205A | CLAMP, PIPE | |
| 19 | 161-00280 | RUBBER | |
| 20 | S0562766 | BOLT | |
| 21 | S2215366 | BOLT;SOCKET M12X1.75X35 | |
| 22 | S2218766 | BOLT | |
| 23 | S2218666 | Bolt | |
| 24 | S5102803 | Washer | |
| 26 | 124-00219 | CLAMP, PIPE | |
| 27 | S2215666 | BOLT, SOCKET |
Содержащиеся в справочниках-каталогах запасные части и детали не предлагаются к продаже, а носят исключительно информационный характер