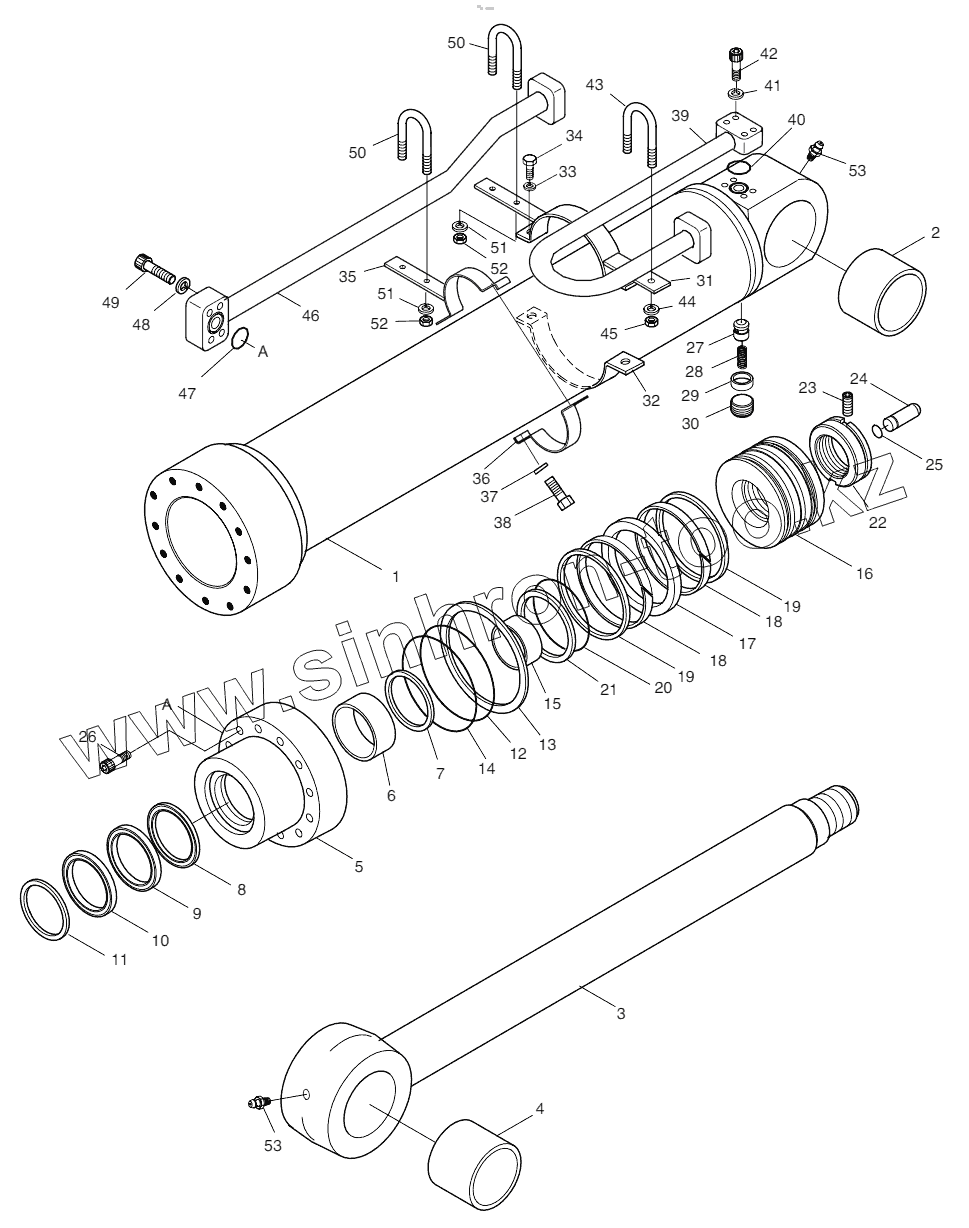
Каталог запасных частей к технике: Doosan S500LC-V. ARM CYLINDER - HEAVY DUTY
К1008810А
440-00015АКТ
440-00015АКТ
К1008810
1
2
3
4
5
6
7
8
9
10
11
12
13
14
15
16
17
18
18
19
19
20
21
22
22
23
23
24
25
26
27
28
29
30
31
32
33
34
35
36
37
38
39
40
41
42
43
44
45
46
47
48
49
50
50
51
51
52
52
53
53
| Позиция на иллюстрации | Заводской номер детали | Название детали | |
|---|---|---|---|
| К1008810А | К1008810А | CYLINDER, ARM | |
| 440-00015АКТ | 440-00015АКТ | SEAL KIT | |
| К1008810 | К1008810 | CYLINDER, ARM | |
| 1 | 55А243-0 | TUBE ASSY | |
| 2 | 00В109-1 | BUSH | |
| 3 | 53А555-3 | ROD ASSY | |
| 4 | 00В109-1 | BUSH | |
| 5 | 53А556-2 | COVER, ROD | |
| 6 | Е8412904 | DD-BUSH | |
| 7 | 00М419-0 | RING, RETAINING | |
| 8 | Е5500380 | SEAL, BUFFER | |
| 9 | Е5303880 | U-PACKING | |
| 10 | Е6020370 | WIPER, DUST | |
| 11 | 00М465-0 | RING, RETAINING | |
| 12 | Е6311921 | O-RING | |
| 13 | 04А358-1 | RING, BACK-UP | |
| 14 | Е6490093 | O-RING | |
| 15 | 00С379-0 | RING, CUSHION | |
| 16 | 53А561-0 | PISTON | |
| 17 | Е5130440 | SEAL, SLIPPER | |
| 18 | 00Z115-0 | RING, WEAR | |
| 19 | 00R107-0 | RING, SLYD | |
| 20 | Е6341561 | O-RING | |
| 21 | 04А359-0 | RING, BACK-UP | |
| 22 | 55А279-0 | NUT, PISTON | |
| 22 | 04А340-1 | NUT, PISTON | |
| 23 | Е1330564 | SCREW, SET | |
| 23 | Е1330544 | SCREW, SET | |
| 24 | 03А626-3 | PLUNGER, CUSHION | |
| 25 | 03А627-0 | RING, STOP | |
| 26 | Е0503289 | BOLT, SOCKET | |
| 27 | 03А727-0 | VALVE, CHECK | |
| 28 | 03А729-0 | SPRING | |
| 29 | 03А728-0 | SUPPORT, SPRING | |
| 30 | Е1500030 | PLUG PT3/8 | |
| 31 | 53А877-0 | PIPE BAND ASSY -A | |
| 32 | 00Р383-1 | BAND, PIPE | |
| 33 | Е3110112 | WASHER, SPRING | |
| 34 | Е0020973 | BOLT, HEX. | |
| 35 | 53А880-0 | PIPE BAND ASSY -B | |
| 36 | 00Р383-1 | BAND, PIPE | |
| 37 | Е3110112 | WASHER, SPRING | |
| 38 | Е0020973 | BOLT, HEX. | |
| 39 | 53А880-0 | PIPE ASSY -H | |
| 40 | Е6300881 | O-RING | |
| 41 | Е3110122 | WASHER, SPRING | |
| 42 | Е0501846 | BOLT, SOCKET | |
| 43 | 00U211-0 | U-BOLT | |
| 44 | Е3110112 | WASHER, SPRING | |
| 45 | Е2021042 | NUT, HEX. | |
| 46 | 53А881-0 | PIPE ASSY -R | |
| 47 | Е6300881 | O-RING | |
| 48 | Е3110122 | WASHER, SPRING | |
| 49 | Е0501846 | BOLT, SOCKET | |
| 50 | 00U211-0 | U-BOLT | |
| 51 | Е3110112 | WASHER, SPRING | |
| 52 | Е2021042 | NUT, HEX. | |
| 53 | Е8841022 | NIPPLE, GREASE |
Содержащиеся в справочниках-каталогах запасные части и детали не предлагаются к продаже, а носят исключительно информационный характер