Вернуться на главную
Поиск
Каталоги запчастей к технике
Спецтехника
Doosan
S340LC-V
FLOOR ASSY - TILT & ARTI.BOOM
Каталог запасных частей к технике: Doosan S340LC-V. FLOOR ASSY - TILT & ARTI.BOOM
zoom-in
zoom-out
enlarge
shrink
circle-right
circle-left
file-text2
info
cart
Тип техники
Не выбрано
Легковые автомобили
Грузовые автомобили и прицепы
Автобусы
Сельхозтехника
Спецтехника
Двигатели
Мототехника
Марка
Не выбрано
Ammann
BOMAG
CARMIX
CASE IH
Changlin
ChengGong
Dimex
Doosan
DYNAPAC
Foton
HAMM
Hidromek
Hitachi
Hyundai
JCB
JLG
John Deere
Komatsu
LIEBHERR
LiuGong
Lonking (LongGong)
Luneng
MANITOU
Mitsuber
New Holland
PENGPU
RM-Terex
SANY
SDLG
SEM
Shantui
Shehwa HBXG
Soosan
TIGARBO
VOGELE
Volvo
WAY
WIRTGEN
XCMG
XGMA
Xiamen
YTO
Yuchai
Zoomlion
Автокран
АЗСМ
Алтайлесмаш
Амкодор
АОМЗ
Атек
АТЗ
Балканкар Рекорд
БелАЗ
Беловеж
Борекс
Брянский Арсенал
Булат
ВЭКС
ГАЗ
Геомаш
Гидромаш
Донекс
Дормаш
Дормашина
Дорэлектромаш
ДЭЗ
ЕлАЗ
ЗЗГТ
Ижнефтемаш
Канаш-электрокар
КЗКТ
ККЗ
Клевер
Клинцовский автокрановый завод
КМЗ
КМЗ 1 Мая
Ковровец
Коммаш
Кранэкс
КЭЗ
КЭМЗ
ЛЗА
МАЗ
МЗИК
МЗКМ
МЗКТ
Михневский РМЗ
МоАЗ
Мозырский МЗ
МТЗ
ОЗП
Онежец
ПАО "ТЗА"
ППС Детва
Промтрактор
ПТЗ
Раскат
СпецАгрегат
ТВЭКС
ТТМ
УВЗ
Угличмаш
УЗТМ
ХТЗ
ЧЗКМ
ЧСДМ
ЧТЗ
ЭКСКО
ЭКСМАШ
ЮрМаш
Модель
Не выбрано
DL220 (2010)
DX140W (2017)
DX225LC (2009)
DX225LCA (2012)
S225LC-V (2009)
S340LC-V (2009)
S500LC-V (2007)
SOLAR 130W-V(1) (2017)
SOLAR 130W-V(2) (2017)
SOLAR 140W-V (2017)
SOLAR 140W-V & S160W-V (2017)
SOLAR 160W-V (2017)
SOLAR 170W-V (2017)
SOLAR 180W-V (2017)
SOLAR 210W-V (2017)
SOLAR 255LC-V (DI EXP) (2017)
SOLAR 420LC-V (2017)
Мини-погрузчик 430 Plus (2010)
Мини-погрузчик 440 Plus (2010)
Мини-погрузчик 450 Plus (2010)
Мини-погрузчик 450 Plus (Tier3) (2010)
Мини-погрузчик 460 Plus (2010)
Мини-погрузчик 460 Plus (Tier3) (2010)
Мини-погрузчик 470 Plus (2010)
Экскаватор SOLAR 140LC-V (2010)
Экскаватор SOLAR 175LC-V (2010)
Схема
>
Не выбрано
CYLINDER BLOCK
TIMING GEAR CASE
FLYWHEEL HOUSING
DRIVING SYSTEM
CYLINDER HEAD
CYLINDER HEAD COVER
TIMING SYSTEM
OIL PUMP
OIL FILTER
OIL COOLER
OIL PAN
COOLING WATER PIPE
WATER PUMP
COOLING FAN
EXHAUST MANIFOLD
INTAKE MANIFOLD
TURBOCHARGER
NOZZLE & HOLDER
INJECTION PIPE
INJECTION PIPE
INJECTION PUMP DRIVE
INJECTION PUMP MOUNTING
FUEL PIPE
FUEL FILTER
ALTERNATOR
STARTER
PRESSURE GAUGE
AIR CONDITIONER
ENGINE MOUNTING
OVER HAUL GASKET KIT - TOP
OVER HAUL GASKET KIT - ALL
MAIN FRAME
ENGINE MOUNTING
RADIATOR
RESERVE TANK
MUFFLER
CAC PIPING
AIR CLEANER ASSY
AIR CLEANER
PUMP MOUNTING
FUEL PIPING
FUEL TANK
SWING DEVICE
OIL TANK
OIL COOLER PIPING
OIL COOLER PIPING
MAIN PIPING
MAIN PIPING
MAIN PIPING
MAIN PIPING
MAIN PIPING
ENGINE CONTROL
PILOT PIPING
PILOT PIPING
PILOT PIPING
PILOT PIPING
PILOT PIPING
PILOT PIPING
PILOT PIPING
PILOT PIPING
CONTROL STAND L.H.
CONTROL STAND R.H.
SEAT AND ELECTRIC BOX COVER
SEAT MOUNTING
SEAT
SEAT MOUNTING
SEAT
SEAT
DUCT COVER
HEATER COVER
CABIN MOUNT ASSY
CABIN ASSY
CABIN
CABIN
CABIN
CABIN
CABIN
SUPPORT
COVER
COVER
COVER
COVER
COVER
UNDER COVER
BAFFLE
ACOUSTIC FOAM ASSY
LUBRICATION PIPING
ELECTRIC BOX ASSY - BOX
ELECTRIC BOX ASSY - ELECTRIC PARTS
ELECTRIC PARTS - GAUGE AND SWITCH PANEL
ELECTRIC PARTS - STAND (R.H)
ELECTRIC PARTS - STAND (L.H)
ELECTRIC PARTS - CABIN
ELECTRIC PARTS - BATTERY
ELECTRIC PARTS - ENGINE
ALTERNATOR
ELECTRIC PARTS - RELATED PARTS
ELECTRIC WIRING - BATTERY
ELECTRIC WIRING - ENGINE
ELECTRIC WIRING - RELATED PARTS
AIR CONDITIONER
AIR CONDITIONER AIRCON UNIT
HEATER PIPIING
TRACK FRAME - TRACK WIDTH 3280mm
TRACK FRAME - TRACK WIDTH 3000mm OPTION
TRAVEL DEVICE
IDLER
TRACK SPRING - TRACK WIDTH 3280mm
TRACK SPRING - TRACK WIDTH 3000mm OPTION
UPPER ROLLER
LOWER ROLLER
TRACK SHOE ASSY - 600G
CENTER JOINT
TRAVEL PIPING COVER
TRAVEL PIPING - TRACK WIDTH 3280mm
TRAVEL PIPING - TRACK WIDTH 3000mm OPTION
BOOM - 6.5m
ARM - 3.2m
BUCKET - 1.3m3
BOOM PIPING
ARM PIPING
FRONT LUBRICATION PIPING
MAIN PUMP
MAIN PUMP - PUMP
MAIN PUMP - CONTROL
MAIN PUMP - COVER AND HYD.LINE
SWING MOTOR
SWING REDUCTION GEAR Serial No. 1001 - 1054
SWING REDUCTION GEAR Serial No. 1055 -
TRAVEL MOTOR
TRAVEL REDUCTION GEAR
CONTROL VALVE
CONTROL VALVE
CONTROL VALVE
REMOTE CONTROL VALVE
REMOTE CONTROL VALVE
REMOTE CONTROL VALVE - 3 SWITCH
PEDAL VALVE
SOLENOID VALVE
PILOT VALVE
BREAKER VALVE
BOOM CYLINDER (R.H.)
BOOM CYLINDER (L.H.)
ARM CYLINDER
BUCKET CYLINDER
BUCKET CYLINDER - 2.6m ARM
BUCKET CYLINDER (L.H) - LOCK VALVE
BUCKET CYLINDER (R.H) - LOCK VALVE
ARM CYLINDER - LOCK VALVE
OPTION VALVE
PEDAL VALVE
CONTROL VALVE - KVMG270
CONTROL VALVE - KVMG270
CONTROL VALVE - KVMG270
TOOLS
SPARE PARTS
NAME PLATE - ENGLISH
NAME PLATE - (EUROPE)
FUEL FILLER PUMP ASSY
NOISE FILTER ASSY - EUROPE
ACOUSTIC FOAM - EUROPE OPT.
COVER - EUROPE OPT.
SIDE DOOR ASSY - NOISE KIT FOR EUROPE
JOYSTICK VALVE ASSY 3 - SWITCT
CABIN LAMP ASSY
6 - LAMP & BEACON (TELESCOPIC)
ROTATING BEACON
TRAVEL/SWING ALARM ASSY
TRAVEL ALARM ASSY
RETURN FILTER PRESS SWITCH
ALTERNATOR
SUN VISOR ASSY
SUN ROOF ASSY
FLOOR PLATE - TILTING
OVERLOAD WARNING ASSY
TRACK SHOE - OPT
SEALED TRACK SHOE - OPT
ARM - 4.0m
ARM PIPING - 4.0m
ARM - 2.6m
ARM PIPING - 2.6m
BUCKET - 1.1m3
BUCKET - 1.4m3
BUCKET - 1.6m3
BUCKET - 1.3m3 (HD TYPE) (ESCO)
BUCKET - 1.09m3(42") - SIDE PIN
BUCKET - 1.29m3(48") - SIDE PIN
BUCKET - 1.29m3(48") - VERTICAL PIN
BUCKET - 1.48m3 (54") - SIDE PIN
BUCKET - 1.48m3 (54") - VERTICAL PIN
BUCKET - 1.60m3 (57") - SIDE PIN
BUCKET - 1.60m3 (57") - VERTICAL PIN
BUCKET - 1.80m3 (63") - SIDE PIN
BUCKET - 1.80m3 (63") - VERTICAL PIN
MAIN PIPING - ONE & TWO WAY
PILOT PIPING - BREAKER
BOOM PIPING - ONE WAY
ARM PIPING - 3.2m ONE & TWO WAY
ARM PIPING - 2.6m ONE & TWO WAY
ARM PIPING - 4.0m ONE & TWO WAY
NAME PLATE ONE & TWO WAY
LOCK VALVE PIPING
ADDITIONAL WORKING LAMP
F.O.G.S ASSY
CABIN LOW GUARD
TROPICAL COVER
FLOOR PLATE - ARTI.BOOM
FLOOR ASSY - TILT & ARTI.BOOM
BOOM PIPING - ROTATING & TILTING
ARM PIPING - 3.2m - ROTATING & TILTING
DOUBLE FUEL FILTER ASSY
MAIN PIPING - ROTATION & TILTING
BOOM PIPING - BOOM 6.5m (PE3C)
MAIN PIPING - PE3C
PILOT PIPING - PE3C & PERO
PILOT PIPING - PE3C
PILOT PIPING - PERO
TRACK FRAME - INDIA
TRACK SHOE ASSY(600G) - INDIA
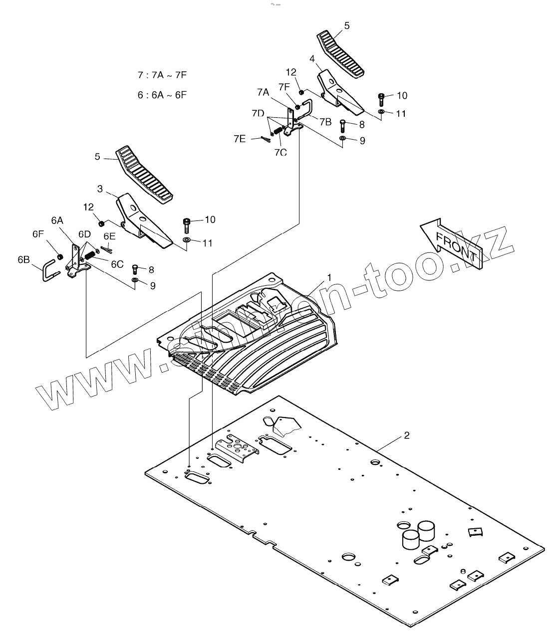
1
2
3
4
5
5
6
6A
6A
6B
6C
6D
6E
6F
6F
7
7A
7A
7B
7C
7D
7E
7F
7F
8
8
9
9
10
10
11
11
12
12
Позиция на иллюстрации
Заводской номер детали
Название детали
621-02930
621-02930
FLOOR ASS'Y
1
161-00445
MAT;FLOOR
2
621-02072B
PLATE;FLOOR
3
195-01735
BRACKET;PEDAL(L.H)
4
195-01736
BRACKET;PEDAL(R.H)
5
161-00386
RUBBER;PEDAL
6
195-01939
BRACKET
6A
195-01937
BRACKET
6B
133-00167
BAR
6C
129-00144
SPRING
6D
2114-1898D14
WASHER
6E
S5735351
PIN;SPLIT
6F
160-00045
BUSHING;RUBBER
7
195-01940
BRACKET
7A
195-01937
BRACKET
7B
133-00167
BAR
7C
129-00144
SPRING
7D
2114-1898D14
WASHER
7E
S5735351
PIN;SPLIT
7F
160-00045
BUSHING;RUBBER
8
2120-2166D5
BOLT M8X1.25X20
9
2114-1898D14
WASHER
10
S2211866
BOLT;SOCKET
11
S5110601
WASHER;SPRING
12
160-00045
BUSHING;RUBBER
Содержащиеся в справочниках-каталогах запасные части и детали не предлагаются к продаже, а носят исключительно информационный характер
Дополнительная информация
×
Название:
Номер:
Примечание: