Вернуться на главную
Поиск
Каталоги запчастей к технике
Спецтехника
Doosan
S340LC-V
ELECTRIC PARTS - ENGINE
Каталог запасных частей к технике: Doosan S340LC-V. ELECTRIC PARTS - ENGINE
zoom-in
zoom-out
enlarge
shrink
circle-right
circle-left
file-text2
info
cart
Тип техники
Не выбрано
Легковые автомобили
Грузовые автомобили и прицепы
Автобусы
Сельхозтехника
Спецтехника
Двигатели
Мототехника
Марка
Не выбрано
Ammann
BOMAG
CARMIX
CASE IH
Changlin
ChengGong
Dimex
Doosan
DYNAPAC
Foton
HAMM
Hidromek
Hitachi
Hyundai
JCB
JLG
John Deere
Komatsu
LIEBHERR
LiuGong
Lonking (LongGong)
Luneng
MANITOU
Mitsuber
New Holland
PENGPU
RM-Terex
SANY
SDLG
SEM
Shantui
Shehwa HBXG
Soosan
TIGARBO
VOGELE
Volvo
WAY
WIRTGEN
XCMG
XGMA
Xiamen
YTO
Yuchai
Zoomlion
Автокран
АЗСМ
Алтайлесмаш
Амкодор
АОМЗ
Атек
АТЗ
Балканкар Рекорд
БелАЗ
Беловеж
Борекс
Брянский Арсенал
Булат
ВЭКС
ГАЗ
Геомаш
Гидромаш
Донекс
Дормаш
Дормашина
Дорэлектромаш
ДЭЗ
ЕлАЗ
ЗЗГТ
Ижнефтемаш
Канаш-электрокар
КЗКТ
ККЗ
Клевер
Клинцовский автокрановый завод
КМЗ
КМЗ 1 Мая
Ковровец
Коммаш
Кранэкс
КЭЗ
КЭМЗ
ЛЗА
МАЗ
МЗИК
МЗКМ
МЗКТ
Михневский РМЗ
МоАЗ
Мозырский МЗ
МТЗ
ОЗП
Онежец
ПАО "ТЗА"
ППС Детва
Промтрактор
ПТЗ
Раскат
СпецАгрегат
ТВЭКС
ТТМ
УВЗ
Угличмаш
УЗТМ
ХТЗ
ЧЗКМ
ЧСДМ
ЧТЗ
ЭКСКО
ЭКСМАШ
ЮрМаш
Модель
Не выбрано
DL220 (2010)
DX140W (2017)
DX225LC (2009)
DX225LCA (2012)
S225LC-V (2009)
S340LC-V (2009)
S500LC-V (2007)
SOLAR 130W-V(1) (2017)
SOLAR 130W-V(2) (2017)
SOLAR 140W-V (2017)
SOLAR 140W-V & S160W-V (2017)
SOLAR 160W-V (2017)
SOLAR 170W-V (2017)
SOLAR 180W-V (2017)
SOLAR 210W-V (2017)
SOLAR 255LC-V (DI EXP) (2017)
SOLAR 420LC-V (2017)
Мини-погрузчик 430 Plus (2010)
Мини-погрузчик 440 Plus (2010)
Мини-погрузчик 450 Plus (2010)
Мини-погрузчик 450 Plus (Tier3) (2010)
Мини-погрузчик 460 Plus (2010)
Мини-погрузчик 460 Plus (Tier3) (2010)
Мини-погрузчик 470 Plus (2010)
Экскаватор SOLAR 140LC-V (2010)
Экскаватор SOLAR 175LC-V (2010)
Схема
>
Не выбрано
CYLINDER BLOCK
TIMING GEAR CASE
FLYWHEEL HOUSING
DRIVING SYSTEM
CYLINDER HEAD
CYLINDER HEAD COVER
TIMING SYSTEM
OIL PUMP
OIL FILTER
OIL COOLER
OIL PAN
COOLING WATER PIPE
WATER PUMP
COOLING FAN
EXHAUST MANIFOLD
INTAKE MANIFOLD
TURBOCHARGER
NOZZLE & HOLDER
INJECTION PIPE
INJECTION PIPE
INJECTION PUMP DRIVE
INJECTION PUMP MOUNTING
FUEL PIPE
FUEL FILTER
ALTERNATOR
STARTER
PRESSURE GAUGE
AIR CONDITIONER
ENGINE MOUNTING
OVER HAUL GASKET KIT - TOP
OVER HAUL GASKET KIT - ALL
MAIN FRAME
ENGINE MOUNTING
RADIATOR
RESERVE TANK
MUFFLER
CAC PIPING
AIR CLEANER ASSY
AIR CLEANER
PUMP MOUNTING
FUEL PIPING
FUEL TANK
SWING DEVICE
OIL TANK
OIL COOLER PIPING
OIL COOLER PIPING
MAIN PIPING
MAIN PIPING
MAIN PIPING
MAIN PIPING
MAIN PIPING
ENGINE CONTROL
PILOT PIPING
PILOT PIPING
PILOT PIPING
PILOT PIPING
PILOT PIPING
PILOT PIPING
PILOT PIPING
PILOT PIPING
CONTROL STAND L.H.
CONTROL STAND R.H.
SEAT AND ELECTRIC BOX COVER
SEAT MOUNTING
SEAT
SEAT MOUNTING
SEAT
SEAT
DUCT COVER
HEATER COVER
CABIN MOUNT ASSY
CABIN ASSY
CABIN
CABIN
CABIN
CABIN
CABIN
SUPPORT
COVER
COVER
COVER
COVER
COVER
UNDER COVER
BAFFLE
ACOUSTIC FOAM ASSY
LUBRICATION PIPING
ELECTRIC BOX ASSY - BOX
ELECTRIC BOX ASSY - ELECTRIC PARTS
ELECTRIC PARTS - GAUGE AND SWITCH PANEL
ELECTRIC PARTS - STAND (R.H)
ELECTRIC PARTS - STAND (L.H)
ELECTRIC PARTS - CABIN
ELECTRIC PARTS - BATTERY
ELECTRIC PARTS - ENGINE
ALTERNATOR
ELECTRIC PARTS - RELATED PARTS
ELECTRIC WIRING - BATTERY
ELECTRIC WIRING - ENGINE
ELECTRIC WIRING - RELATED PARTS
AIR CONDITIONER
AIR CONDITIONER AIRCON UNIT
HEATER PIPIING
TRACK FRAME - TRACK WIDTH 3280mm
TRACK FRAME - TRACK WIDTH 3000mm OPTION
TRAVEL DEVICE
IDLER
TRACK SPRING - TRACK WIDTH 3280mm
TRACK SPRING - TRACK WIDTH 3000mm OPTION
UPPER ROLLER
LOWER ROLLER
TRACK SHOE ASSY - 600G
CENTER JOINT
TRAVEL PIPING COVER
TRAVEL PIPING - TRACK WIDTH 3280mm
TRAVEL PIPING - TRACK WIDTH 3000mm OPTION
BOOM - 6.5m
ARM - 3.2m
BUCKET - 1.3m3
BOOM PIPING
ARM PIPING
FRONT LUBRICATION PIPING
MAIN PUMP
MAIN PUMP - PUMP
MAIN PUMP - CONTROL
MAIN PUMP - COVER AND HYD.LINE
SWING MOTOR
SWING REDUCTION GEAR Serial No. 1001 - 1054
SWING REDUCTION GEAR Serial No. 1055 -
TRAVEL MOTOR
TRAVEL REDUCTION GEAR
CONTROL VALVE
CONTROL VALVE
CONTROL VALVE
REMOTE CONTROL VALVE
REMOTE CONTROL VALVE
REMOTE CONTROL VALVE - 3 SWITCH
PEDAL VALVE
SOLENOID VALVE
PILOT VALVE
BREAKER VALVE
BOOM CYLINDER (R.H.)
BOOM CYLINDER (L.H.)
ARM CYLINDER
BUCKET CYLINDER
BUCKET CYLINDER - 2.6m ARM
BUCKET CYLINDER (L.H) - LOCK VALVE
BUCKET CYLINDER (R.H) - LOCK VALVE
ARM CYLINDER - LOCK VALVE
OPTION VALVE
PEDAL VALVE
CONTROL VALVE - KVMG270
CONTROL VALVE - KVMG270
CONTROL VALVE - KVMG270
TOOLS
SPARE PARTS
NAME PLATE - ENGLISH
NAME PLATE - (EUROPE)
FUEL FILLER PUMP ASSY
NOISE FILTER ASSY - EUROPE
ACOUSTIC FOAM - EUROPE OPT.
COVER - EUROPE OPT.
SIDE DOOR ASSY - NOISE KIT FOR EUROPE
JOYSTICK VALVE ASSY 3 - SWITCT
CABIN LAMP ASSY
6 - LAMP & BEACON (TELESCOPIC)
ROTATING BEACON
TRAVEL/SWING ALARM ASSY
TRAVEL ALARM ASSY
RETURN FILTER PRESS SWITCH
ALTERNATOR
SUN VISOR ASSY
SUN ROOF ASSY
FLOOR PLATE - TILTING
OVERLOAD WARNING ASSY
TRACK SHOE - OPT
SEALED TRACK SHOE - OPT
ARM - 4.0m
ARM PIPING - 4.0m
ARM - 2.6m
ARM PIPING - 2.6m
BUCKET - 1.1m3
BUCKET - 1.4m3
BUCKET - 1.6m3
BUCKET - 1.3m3 (HD TYPE) (ESCO)
BUCKET - 1.09m3(42") - SIDE PIN
BUCKET - 1.29m3(48") - SIDE PIN
BUCKET - 1.29m3(48") - VERTICAL PIN
BUCKET - 1.48m3 (54") - SIDE PIN
BUCKET - 1.48m3 (54") - VERTICAL PIN
BUCKET - 1.60m3 (57") - SIDE PIN
BUCKET - 1.60m3 (57") - VERTICAL PIN
BUCKET - 1.80m3 (63") - SIDE PIN
BUCKET - 1.80m3 (63") - VERTICAL PIN
MAIN PIPING - ONE & TWO WAY
PILOT PIPING - BREAKER
BOOM PIPING - ONE WAY
ARM PIPING - 3.2m ONE & TWO WAY
ARM PIPING - 2.6m ONE & TWO WAY
ARM PIPING - 4.0m ONE & TWO WAY
NAME PLATE ONE & TWO WAY
LOCK VALVE PIPING
ADDITIONAL WORKING LAMP
F.O.G.S ASSY
CABIN LOW GUARD
TROPICAL COVER
FLOOR PLATE - ARTI.BOOM
FLOOR ASSY - TILT & ARTI.BOOM
BOOM PIPING - ROTATING & TILTING
ARM PIPING - 3.2m - ROTATING & TILTING
DOUBLE FUEL FILTER ASSY
MAIN PIPING - ROTATION & TILTING
BOOM PIPING - BOOM 6.5m (PE3C)
MAIN PIPING - PE3C
PILOT PIPING - PE3C & PERO
PILOT PIPING - PE3C
PILOT PIPING - PERO
TRACK FRAME - INDIA
TRACK SHOE ASSY(600G) - INDIA
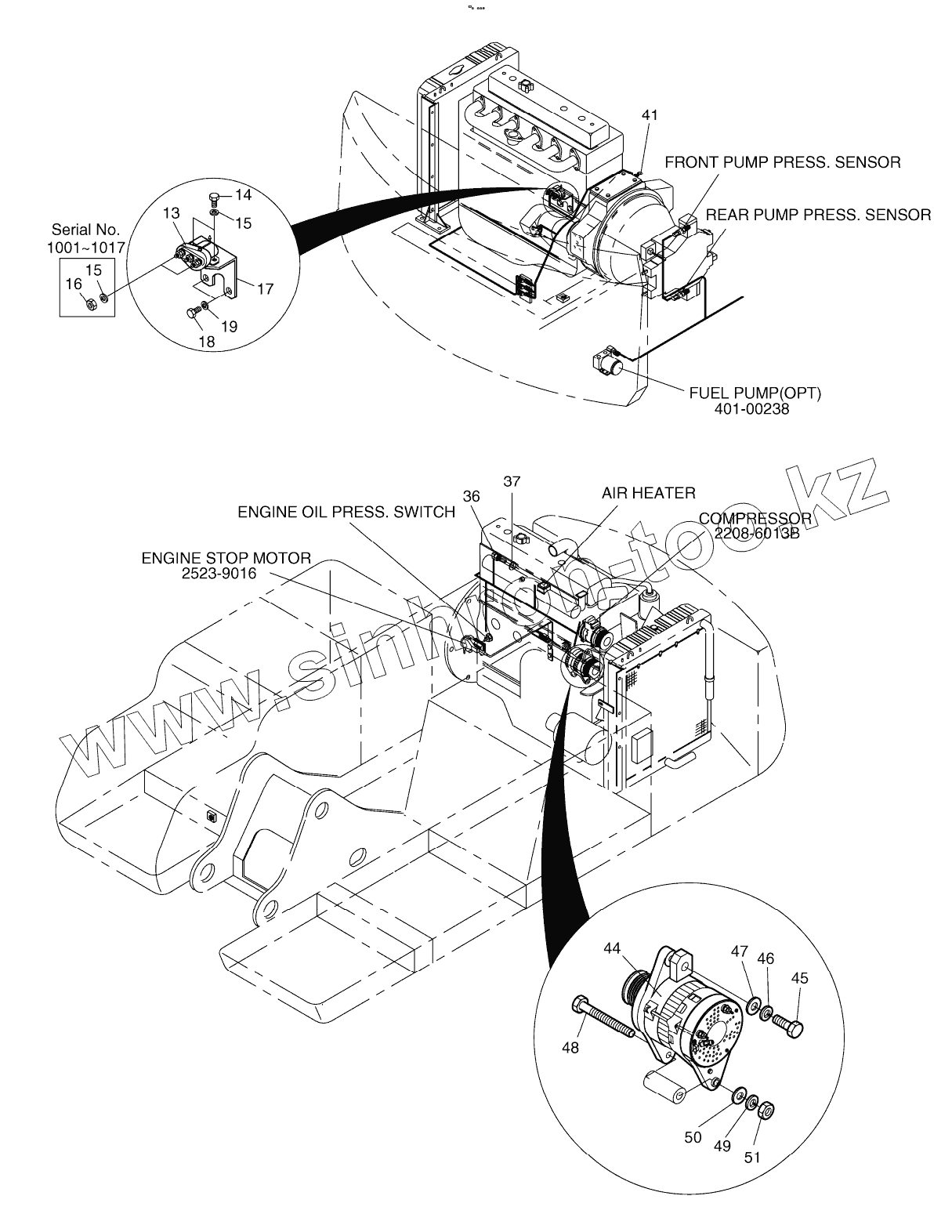
13
13
14
15
15
15
15
15
15
16
17
18
19
36
37
41
44
45
46
47
48
49
50
51
Позиция на иллюстрации
Заводской номер детали
Название детали
500-00140
500-00140
ELECTRIC PARTS
13
2544-6020
RELAY, PREHEAT
13
544-00007
RELAY;PREHEAT
14
S0504453
BOLT M6X1.0X12
15
S5102303
WASHER;SPRING M6
15
S5102303
WASHER;SPRING M6
16
S4012333
NUT M6X1.0
17
4197-1954
BRACKET, RELAY
18
S0686151
BOLT
19
S5102703
WASHER;SPRING M10
36
2547-9038B
SENSOR;WATER TEMP
37
S8180251
PACKING M16/D22
41
2547-1015
SENSOR;ENGINE SPEED
44
2502-9009
Alternator
45
S0786653
Bolt
46
S5102703
WASHER;SPRING M10
47
2114-1058D54
WASHER
48
S0562653
BOLT M12X1.75X160
49
S5102703
WASHER;SPRING M10
50
S5010713
WASHER;PLAIN
51
S4012733
NUT M12
Содержащиеся в справочниках-каталогах запасные части и детали не предлагаются к продаже, а носят исключительно информационный характер
Дополнительная информация
×
Название:
Номер:
Примечание: