Каталог запасных частей к технике: Doosan S340LC-V. ELECTRIC PARTS - CABIN
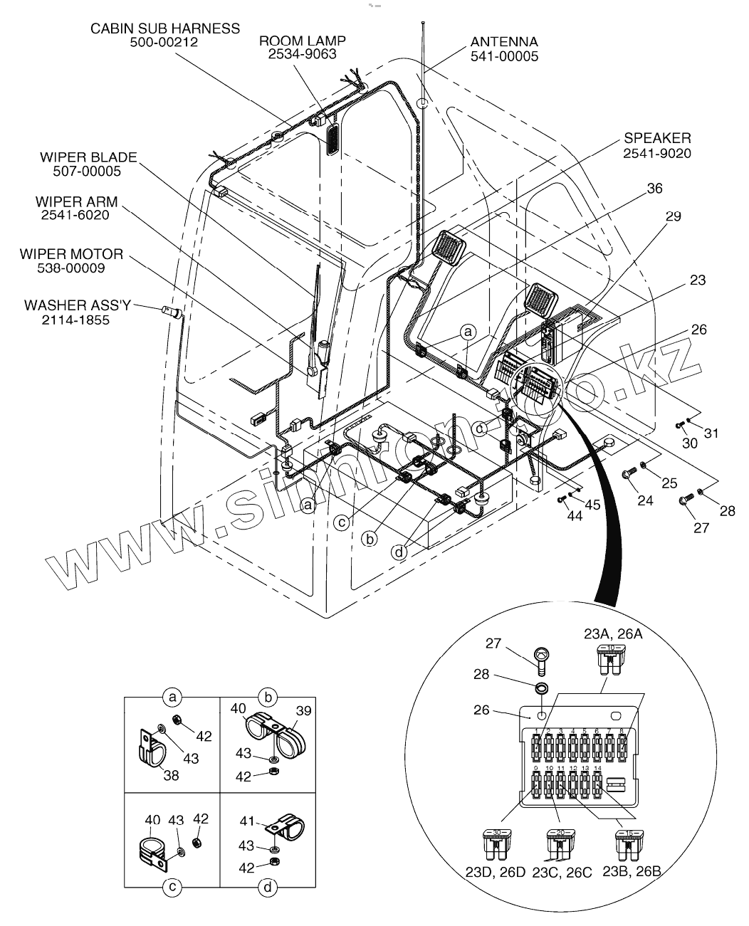
23
23A
23B
23C
23D
24
25
26
26
26A
26B
26C
26D
27
27
28
28
29
541-00014A
K1013232
30
31
36
530-00213A
38
39
40
40
41
42
42
42
42
43
43
43
43
44
45
| Позиция на иллюстрации | Заводской номер детали | Название детали | |
|---|---|---|---|
| 500-00155B | 500-00155B | ELECTRIC PARTS (1) | |
| 500-00155C | 500-00155C | ELECTRIC PART | |
| 500-00155E | 500-00155E | ELECTRIC PARTS (1) | |
| 500-00155G | 500-00155G | ELECTRIC PART | |
| 500-00155H | 500-00155H | ELECTRIC PART | |
| 500-00155I | 500-00155I | ELECTRIC PART | |
| 500-00155J | 500-00155J | ELECTRIC PART | |
| 500-00155K | 500-00155K | ELECTRIC PART | |
| 500-00155L | 500-00155L | ELECTRIC PART | |
| 23 | 2510-1010 | BOX ASS'Y;FUSE (2) | |
| 23A | 2527-1016 | FUSE;BLADE 10A | |
| 23B | 2527-1017 | FUSE;BLADE 15A | |
| 23C | 2527-1018 | FUSE;BLADE 20A | |
| 23D | 2527-1025 | FUSE;BLADE 30A | |
| 24 | S3450983 | SCREW M6X1.0X20 | |
| 25 | S5102303 | WASHER;SPRING M6 | |
| 26 | 2510-1010 | BOX ASS'Y;FUSE (2) | |
| 26A | 2527-1016 | FUSE;BLADE 10A | |
| 26B | 2527-1017 | FUSE;BLADE 15A | |
| 26C | 2527-1018 | FUSE;BLADE 20A | |
| 26D | 2527-1025 | FUSE;BLADE 30A | |
| 27 | S3450983 | SCREW M6X1.0X20 | |
| 28 | S5102303 | WASHER;SPRING M6 | |
| 29 | 541-00014 | CAR STEREO 12V | |
| 541-00014A | 541-00014A | CAR STEREO 12V | |
| K1013232 | K1013232 | Stereo, car | |
| 30 | S3450823 | SCREW M5X0.8X10 | |
| 31 | S5100203 | WASHER;SPRING | |
| 36 | 530-00213 | HARNESS;STEREO | |
| 530-00213A | 530-00213A | HARNESS;STEREO | |
| 38 | 124-00208D3 | CLIP D20/M8 | |
| 39 | 124-00208D4 | CLIP D26/M8 | |
| 40 | 124-00208D5 | CLIP D32/M8 | |
| 41 | 124-00208D6 | CLIP D38/M8 | |
| 42 | S4012533 | NUT M8X1.25 | |
| 43 | S5102503 | WASHER;SPRING | |
| 44 | S3450343 | SCREW M3X0.5X10 | |
| 45 | S5100003 | WASHER;SPRING |
Содержащиеся в справочниках-каталогах запасные части и детали не предлагаются к продаже, а носят исключительно информационный характер