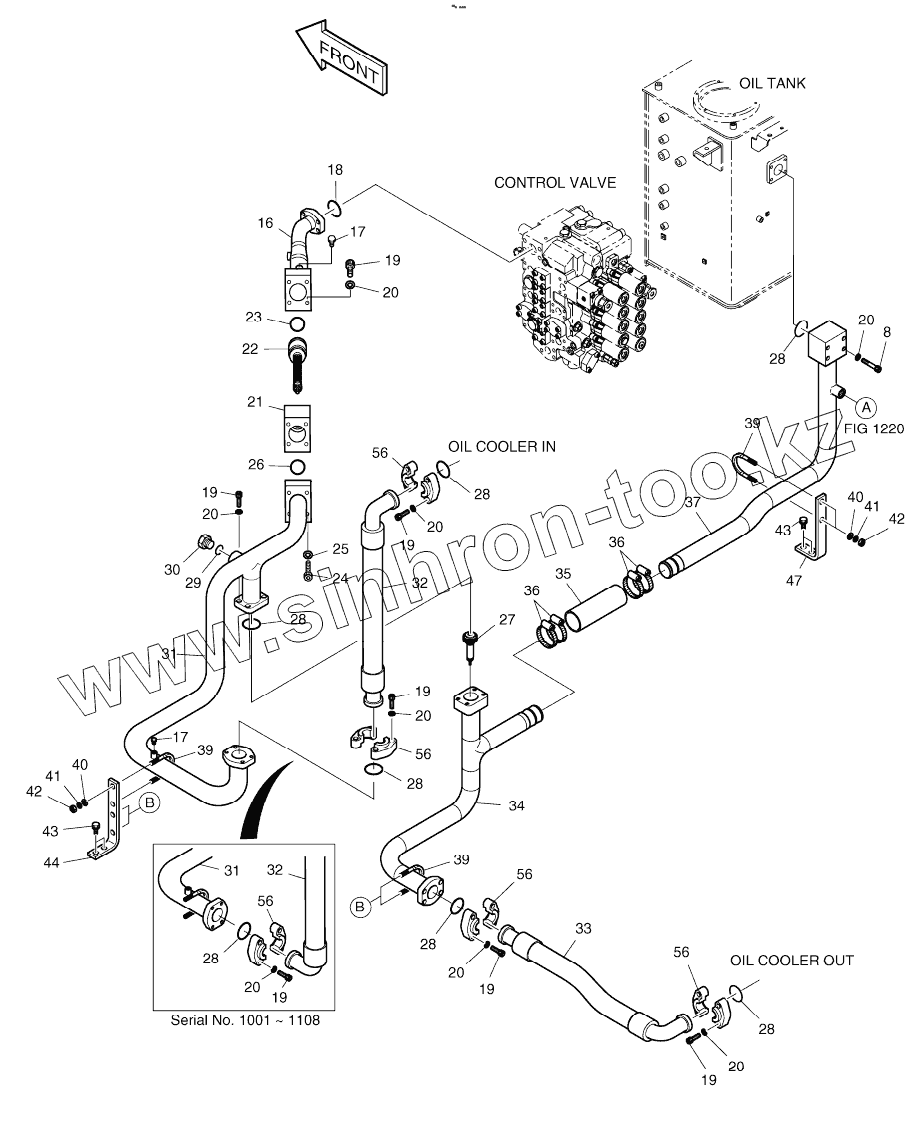
Каталог запасных частей к технике: Doosan S225LC-V. OIL COOLER PIPING
400-00855A
400-00855A
400-00855A
400-00855A
400-00855A
400-00855A
400-00855A
400-00855A
8
16
17
17
18
19
19
19
19
19
19
19
20
20
20
20
20
20
20
20
21
22
22
23
24
25
26
27
28
28
28
28
28
28
28
29
30
31
31
31
31
32
32
32
32
32
32
33
34
34
35
36
36
37
39
39
39
40
40
41
41
42
42
43
43
44
47
56
56
56
56
56
| Позиция на иллюстрации | Заводской номер детали | Название детали | |
|---|---|---|---|
| 400-00855A | 400-00855A | OIL COOLER PIPING | |
| 8 | S0561753 | BOLT M12X1.75X100 | |
| 16 | 140-01018A | PIPE | |
| 17 | 2181-2047A | PLUG | |
| 18 | 2180-1026D24 | O-ring | |
| 19 | S2215466 | BOLT;SOCKET | |
| 20 | S5110703 | Washer | |
| 21 | 423-00114A | Block | |
| 22 | 422-00041 | Valve, by-pass | |
| 22 | 420-00261B | Valve, bypass | |
| 23 | 2180-1026D31 | O-RING | |
| 24 | S2221566 | BOLT;SOCKET M16X2.0X45 | |
| 25 | S5110903 | WASHER;SPRING | |
| 26 | 2180-1026D32 | O-RING | |
| 27 | 420-00304 | Valve, by-pass | |
| 28 | 2180-1026D27 | O-RING | |
| 29 | S8000291 | O-RING | |
| 30 | 2181-1950D9 | PLUG PFO1 | |
| 31 | 140-01019B | PIPE | |
| 31 | 140-01505 | PIPE | |
| 32 | DS2045314 | HOSE PF2-720L | |
| 32 | DS2045321 | HOSE PF2-720L | |
| 32 | DS2040372 | HOSE PF2-615L | |
| 33 | DS2040346 | HOSE PF2-760L | |
| 34 | 140-01020B | PIPE | |
| 34 | 140-01020C | PIPE | |
| 35 | 2185-1776D1 | Hose | |
| 36 | S8470085 | CLAMP | |
| 37 | 140-01021A | PIPE | |
| 39 | 120-00258A | Bolt, u | |
| 40 | 2114-1058D30 | WASHER;PLAIN | |
| 41 | S5102703 | WASHER;SPRING M10 | |
| 42 | S4012733 | NUT M12 | |
| 43 | 2120-2196D8 | Bolt | |
| 44 | 195-01990 | PLATE | |
| 47 | 195-01901A | PLATE | |
| 56 | 4215-1003D6 | Flange, split |
Содержащиеся в справочниках-каталогах запасные части и детали не предлагаются к продаже, а носят исключительно информационный характер