Вернуться на главную
Поиск
Каталоги запчастей к технике
Спецтехника
Doosan
S225LC-V
FUEL FILLER PUMP ASSY
Каталог запасных частей к технике: Doosan S225LC-V. FUEL FILLER PUMP ASSY
zoom-in
zoom-out
enlarge
shrink
circle-right
circle-left
file-text2
info
cart
Тип техники
Не выбрано
Легковые автомобили
Грузовые автомобили и прицепы
Автобусы
Сельхозтехника
Спецтехника
Двигатели
Мототехника
Марка
Не выбрано
Ammann
BOMAG
CARMIX
CASE IH
Changlin
ChengGong
Dimex
Doosan
DYNAPAC
Foton
HAMM
Hidromek
Hitachi
Hyundai
JCB
JLG
John Deere
Komatsu
LIEBHERR
LiuGong
Lonking (LongGong)
Luneng
MANITOU
Mitsuber
New Holland
PENGPU
RM-Terex
SANY
SDLG
SEM
Shantui
Shehwa HBXG
Soosan
TIGARBO
VOGELE
Volvo
WAY
WIRTGEN
XCMG
XGMA
Xiamen
YTO
Yuchai
Zoomlion
Автокран
АЗСМ
Алтайлесмаш
Амкодор
АОМЗ
Атек
АТЗ
Балканкар Рекорд
БелАЗ
Беловеж
Борекс
Брянский Арсенал
Булат
ВЭКС
ГАЗ
Геомаш
Гидромаш
Донекс
Дормаш
Дормашина
Дорэлектромаш
ДЭЗ
ЕлАЗ
ЗЗГТ
Ижнефтемаш
Канаш-электрокар
КЗКТ
ККЗ
Клевер
Клинцовский автокрановый завод
КМЗ
КМЗ 1 Мая
Ковровец
Коммаш
Кранэкс
КЭЗ
КЭМЗ
ЛЗА
МАЗ
МЗИК
МЗКМ
МЗКТ
Михневский РМЗ
МоАЗ
Мозырский МЗ
МТЗ
ОЗП
Онежец
ПАО "ТЗА"
ППС Детва
Промтрактор
ПТЗ
Раскат
СпецАгрегат
ТВЭКС
ТТМ
УВЗ
Угличмаш
УЗТМ
ХТЗ
ЧЗКМ
ЧСДМ
ЧТЗ
ЭКСКО
ЭКСМАШ
ЮрМаш
Модель
Не выбрано
DL220 (2010)
DX140W (2017)
DX225LC (2009)
DX225LCA (2012)
S225LC-V (2009)
S340LC-V (2009)
S500LC-V (2007)
SOLAR 130W-V(1) (2017)
SOLAR 130W-V(2) (2017)
SOLAR 140W-V (2017)
SOLAR 140W-V & S160W-V (2017)
SOLAR 160W-V (2017)
SOLAR 170W-V (2017)
SOLAR 180W-V (2017)
SOLAR 210W-V (2017)
SOLAR 255LC-V (DI EXP) (2017)
SOLAR 420LC-V (2017)
Мини-погрузчик 430 Plus (2010)
Мини-погрузчик 440 Plus (2010)
Мини-погрузчик 450 Plus (2010)
Мини-погрузчик 450 Plus (Tier3) (2010)
Мини-погрузчик 460 Plus (2010)
Мини-погрузчик 460 Plus (Tier3) (2010)
Мини-погрузчик 470 Plus (2010)
Экскаватор SOLAR 140LC-V (2010)
Экскаватор SOLAR 175LC-V (2010)
Схема
>
Не выбрано
CYLINDER BLOCK
TIMING GEAR CASE
FLYWHEEL HOUSING
CRANK SHAFT
CYLINDER HEAD
VALVE MECHANISM
OIL PUMP
OIL FILTER
OIL COOLER
OIL PAN
THERMOSTAT
WATER PUMP AND COOLING FAN
INTAKE AND EXHAUST MANIFOLD
TURBO CHARGER AND OIL PIPE
FUEL SYSTEM
FUEL FILTER
ALTERNATOR MOUNTING
STARTER
OVER HAUL GASKET KIT - TOP
OVER HAUL GASKET KIT - ALL
MAIN FRAME
ENGINE MOUNTING
RADIATOR
RESERVE TANK
MUFFLER
CAC PIPING
AIR CLEANER ASSY
AIR CLEANER
PUMP MOUNTING
FUEL PIPING
FUEL TANK
SWING DEVICE ASSY
OIL TANK
OIL COOLER PIPING
OIL COOLER PIPING
OIL COOLER PIPING
MAIN PIPING
MAIN PIPING
MAIN PIPING
MAIN PIPING
MAIN PIPING
ENGINE CONTROL ASSY
PILOT PIPING
PILOT PIPING
PILOT PIPING
PILOT PIPING
PILOT PIPING
PILOT PIPING
PILOT PIPING
PILOT PIPING
CONTROL STAND L.H.
CONTROL STAND R.H.
SEAT AND ELECTRIC BOX
SEAT MOUNTING EUROPE AND USA
SEAT MOUNTING EUROPE AND USA
SEAT MOUNTING - EXCEPT EUROPE AND USA
SEAT - EXCEPT EUROPE AND USA
DUCT COVER ASSY
HEATER COVER ASSY
CABIN MOUNT ASSY
CABIN ASSY
CABIN
CABIN
CABIN
CABIN
CABIN
SUPPORT
SUPPORT
COVER
COVER
COVER
COVER
COVER
BAFFLE
ACOUSTIC FOAM
UNDER COVER
LUBRICATION PIPING
ELECTRIC BOX ASSY
ELECTRIC BOX ASSY - ELECTRIC PARTS
ELECTRIC PARTS - GAUGE AND SWITCH PANEL
ELECTRIC PARTS - STAND R.H.
ELECTRIC PARTS - STAND L.H.
ELECTRIC PARTS - CABIN
ELECTRIC PARTS - BATTERY
ELECTRIC PARTS - ENGINE
ELECTRIC PARTS - RELATED PARTS
ELECTRIC WIRING (1) - BATTERY
ELECTRIC WIRING (2) - ENGINE
ELECTRIC WIRING (1) - RELATED PARTS
AIR CONDITIONER
AIR CONDITIONER - AIRCON UNIT
HEATER PIPING
TRACK FRAME
TRAVEL DEVICE
IDLER
TRACK SPRING
TRACK SPRING
UPPER ROLLER
LOWER ROLLER
LOWER ROLLER
TRACK SHOE ASSY - 600G
TRACK SHOE ASSY - 600G
CENTER JOINT
TRAVEL PIPING COVER
TRAVEL PIPING
BOOM - 5.7m
ARM - 2.9m
BUCKET ASSY - 0.8m3
FRONT PIPING
LUBRICATION PIPING
MAIN PUMP
REGULATOR
GEAR PUMP
SWING MOTOR
SWING REDUCTION GEAR
SWING REDUCTION GEAR
TRAVEL MOTOR
TRAVEL MOTOR
TRAVEL REDUCTION GEAR
TRAVEL REDUCTION GEAR
CONTROL VALVE
CONTROL VALVE
CONTROL VALVE
CONTROL VALVE - ARTI.BOOM
CONTROL VALVE - ARTI.BOOM
REMOTE CONTROL VALVE
REMOTE CONTROL VALVE
REMOTE CONTROL VALVE - SWITCH
PEDAL VALVE
PEDAL VALVE - ARTI.BOOM
SOLENOID VALVE
PILOT VALVE
BOOM CYLINDER (L.H)
BOOM CYLINDER (R.H)
ARM CYLINDER
BUCKET CYLINDER
BUCKET CYLINDER - 6.2m ARM
BOOM CYLINDER (L.H) - LOCK VALVE
BOOM CYLINDER (R.H) - LOCK VALVE
ARM CYLINDER - LOCK VALVE
BOOM CYLINDER (L.H) - ARTI.BOOM
BOOM CYLINDER (R.H) - ARTI.BOOM
ARTI.BOOM CYLINDER
BOOM CYLINDER(L.H.) - LOCK VALVE FOR ARTI.BOOM
BOOM CYLINDER(R.H.) - LOCK VALVE FOR ARTI.BOOM
ARTI.BOOM CYLINDER - LOCK VALVE
OPTION VALVE
BREAKER VALVE
CONTROL VALVE - KVMG270
CONTROL VALVE - KVMG270
CONTROL VALVE - KVMG270
TOOLS
SPACE PARTS
CABIN NAME PLATE - EUROPE
NAME PLATE - EUROPE
CABIN NAME PLATE - ENGLISH
NAME PLATE - ENGLISH
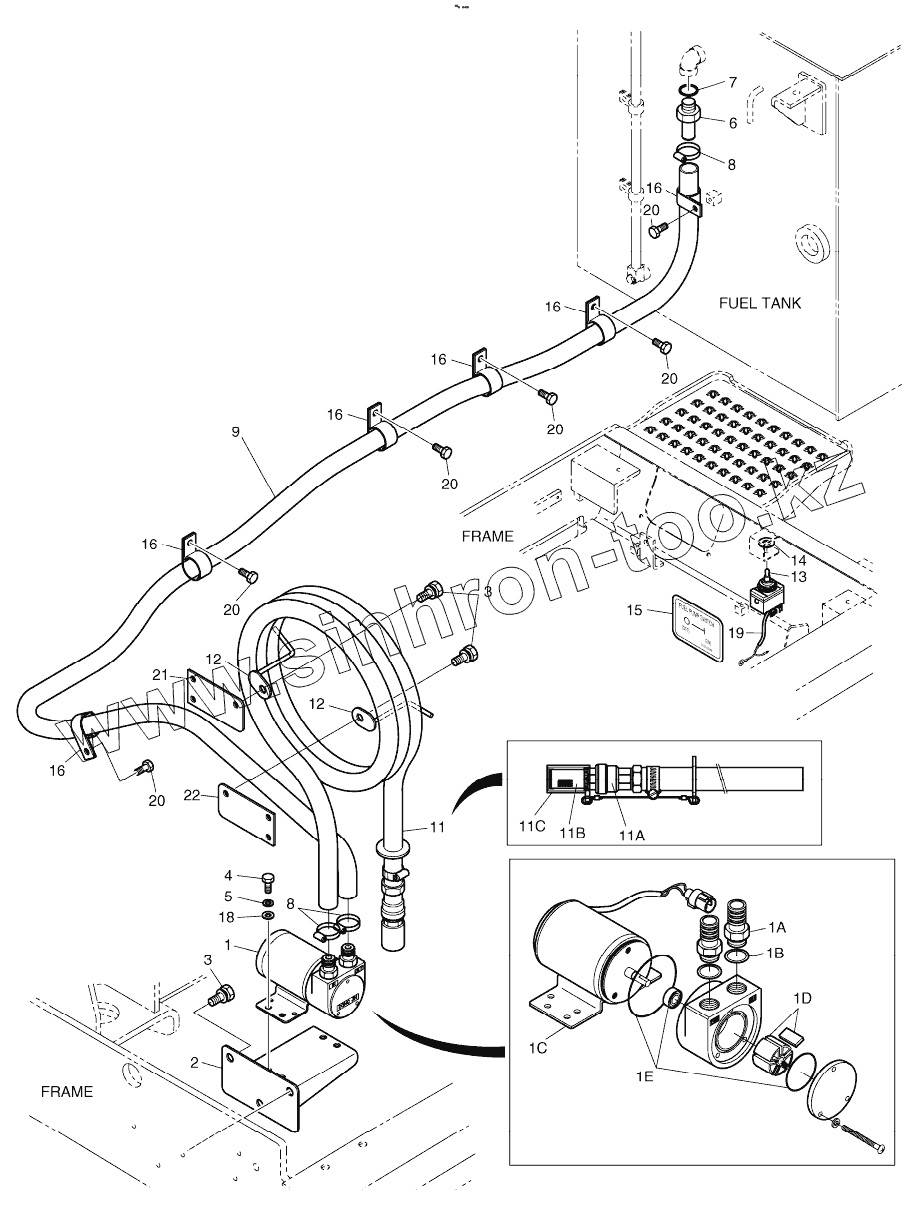
FUEL FILLER PUMP ASSY
DOUBLE FUEL FILTER ASSY
NOISE FILTER ASSY - EUROPE
CABIN LAMP ASSY
6 - LAMP & BEACON (TELESCOPIC)
ROTATING BEACON
TRAVEL/SWING ALARM ASSY
TRAVEL ALARM ASSY
RETURN FILTER PRESS SWITCH
ALTERNATOR
OVERLOAD WARNING ASSY
FLOOR PLATE - TILTING
SUN VISOR ASSY
SUN ROOF ASSY
AIR CLEANER ASSY
JOYSTICK VALVE ASSY 3 - SWITCH
CABIN LOW GUARD
F.O.G.S ASSY
TRACK SHOE ASSY - 700G
TRACK SHOE ASSY - 700G
TRACK SHOE ASSY - 800G
TRACK SHOE ASSY - 800G
TRACK SHOE ASSY - 900G
TRACK SHOE ASSY - 900G
TRACK SHOE ASSY - 910T
SEALED TRACK SHOE - 600G
SEALED TRACK SHOE - 700G
SEALED TRACK SHOE - 800G
SEALED TRACK SHOE - 900G
BOOM - 5.2m
BOOM PIPING - 5.2m
LUBRICATION PIPING
ARM - 2.0m
ARM - 2.4m
ARM - 3.5m
ARM PIPING - ARM 2.0m
ARM PIPING - ARM 2.4m
ARM PIPING - ARM 3.5m
BUCKET ASSY - 0.45m3
BUCKET ASSY - 0.7m3
BUCKET ASSY - 0.8m3 H.D TYPE
BUCKET ASSY - 0.9m3
BUCKET ASSY - 1.0m3
BUCKET ASSY - 1.1m3
BUCKET ASSY - 0.67m3(36") - SIDE PIN
BUCKET ASSY - 0.67m3(36") - VERTICAL PIN
BUCKET ASSY - 0.80m3(42") - SIDE PIN
BUCKET ASSY - 0.80m3(42") - VERTICAL PIN
BUCKET ASSY - 0.95m3(48") - SIDE PIN
BUCKET ASSY - 0.095m3(48") - VERTICAL PIN
BUCKET ASSY - 1.1m3(54") - SIDE PIN
BUCKET ASSY - 1.1m3(54") - VERTICAL PIN
BUCKET ASSY - 1.17m3(57") - SIDE PIN
BUCKET ASSY - 1.17m3(57") - VERTICAL PIN
BUCKET ASSY - 1.31m3(63") - SIDE PIN
BUCKET ASSY - 1.31m3(63") - VERTICAL PIN
BOOM - 8.5m
ARM ASSY - 6.2m
BUCKET - 0.35m - LONG FRONT
BOOM PIPING - 8.5m
ARM PIPING - ARM 6.2m
LUBRICATION PIPING
BUCKET ASSY - 0.38m - DITCH CLEANING
BUCKET ASSY - 0.46m - DITCH CLEANING
COUNTER WEIGHT - LONG FRONT
LOCK VALVE PIPING - BOOM 5.2m
LOCK VALVE PIPING - BOOM 5.7m
LOCK VALVE PIPING - BOOM 8.5m
MAIN PIPING - BREAKER
PILOT PIPING - BREAKER
BOOM PIPING - BREAKER - BOOM 5.2m
BOOM PIPING - BREAKER - BOOM 5.7m
ARM PIPING - ARM 2.0m (ONE AND TWO WAY)
ARM PIPING - ARM 2.4m (ONE AND TWO WAY)
ARM PIPING - ARM 2.9m (ONE AND TWO WAY)
ARM PIPING - ARM 3.5m (ONE AND TWO WAY)
NAME PLATE - ONE AND TWO WAY
PILOT PIPING (CABIN) - ROTATING AND TILTING
MAIN PIPING - ROTATING AND TILTING
BOOM PIPING - ROTATING AND TILTING
ARM PIPING - 2.9m ROTATING AND TILTING
TROPICAL COVER
ARTI.BOOM ASSY
MAIN PIPING - ARTI.BOOM
PILOT PIPING - ARTI. BOOM
FLOOR ASSY - ARTI.BOOM
FLOOR ASSY - ARTI.BOOM AND TILT
FRONT PIPING - ARTI.BOOM
ARM PIPING - ARM 2.0m (ARTI.BOOM)
ARM PIPING - ARM 2.4m (ARTI.BOOM)
ARM PIPING - ARM 2.9m (ARTI.BOOM)
FRONT LUBRICATION PIPING - ARTI.BOOM
LOCK VALVE PIPING - ARTI.BOOM
MAIN PIPING - ONE AND TWO WAY (ARTI.BOOM)
FRONT PIPING - ONE AND TWO WAY (ARTI.BOOM)
ARM PIPING - ARM 2.0m 1 AND 2 WAY (ARTI.BOOM)
ARM PIPING - ARM 2.4m 1 AND 2 WAY (ARTI.BOOM)
ARM PIPING - ARM 2.9m 1 AND 2 WAY (ARTI.BOOM)
N
CLAMSHELL PIPING
NOISE KIT - EUROPE
F.O.G.S GUARD - TURBO
1
1A
1B
1C
1D
1E
2
3
3
4
5
6
7
8
8
9
11
11A
11B
11C
12
12
13
14
15
16
16
16
16
16
16
16
16
16
16
16
16
18
19
20
20
20
20
20
20
20
20
20
20
20
20
21
22
Позиция на иллюстрации
Заводской номер детали
Название детали
401-00339
401-00339
FUEL FILLER PUMP ASSY
1
401-00238
Pump, fuel transfer
1A
2181-2755B
ADAPTER
1B
S8180321
SEAL;WASHER
1C
523-00012
Motor
1D
407-00001
VANE KIT
1E
2401-1276KT
SEAL KIT
2
195-01628
Bracket
3
2120-2196D10
Bolt, set
4
S0508853
BOLT M8X1.25X20
5
S5102503
WASHER;SPRING
6
2181-2104D6
ADAPTER PF1/2
7
S8000181
O-RING
8
S8470032
CLAMP;HOSE
9
2185-1247D148
HOSE 3000L
11
185-00167D3
HOSE ASS'Y 3/4-4000L
11A
2420-1258
VALVE;CHECK
11B
2471-1152
STRAINER
11C
2160-1336
CAP;STRAINER
12
195-01630
Bracket
13
2549-9096
SWITCH;TOGGLE
14
2114-1683
Washer, toggle switch
15
190-00519
Plate, name
16
124-00208D5
CLIP D32/M8
16
124-00208D5
CLIP D32/M8
18
S5010513
WASHER;PLAIN M8
19
530-00214
Harness, toggle switch
20
120-00276
BOLT M8X1.25X12
20
120-00276
BOLT M8X1.25X12
21
195-02179
BRACKET
22
195-02180A
BRACKET
Содержащиеся в справочниках-каталогах запасные части и детали не предлагаются к продаже, а носят исключительно информационный характер
Дополнительная информация
×
Название:
Номер:
Примечание: