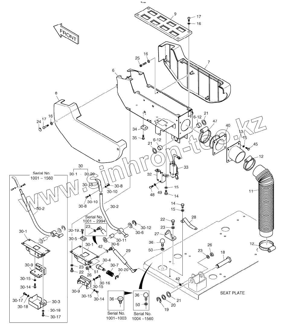
Каталог запасных частей к технике: Doosan S225LC-V. CONTROL STAND L.H.
195-01710E
195-01710G
195-01710H
195-01710K
6
6-12
6-12
7
8
9
11
12
12
13
14
14
15
15
15
16
16
16
17
17
18
19
20
21
21
21
22
22
23
23
23
23
23
23
23
23
24
25
26
26
26
26
26
26
27
28
29
30
30
30
30
30-1
30-1
30-1
30-1
30-1
30-1
30-1
30-1
30-1
30-2
30-2
30-2
30-2
30-2
30-2
30-3
30-4
30-5
30-6
30-6
30-7
30-8
30-8
30-9
30-9
30-9
30-9
30-10
30-10
30-11
30-12
30-13
30-14
30-14
30-14
30-14
30-14
30-14
30-15
30-15
30-15
30-15
30-15
30-15
30-15
30-15
30-16
30-16
30-17
30-17
30-18
30-18
30-19
30-20
30-20
32
33
34
35
36
36
36
36
36
36
40
42
42
45
47
48
49
50
50
2121-1311D4
2121-1311D4
51
| Позиция на иллюстрации | Заводской номер детали | Название детали | |
|---|---|---|---|
| 195-01710E | 195-01710E | Stand assy | |
| 195-01710G | 195-01710G | STAND ASS'Y | |
| 195-01710H | 195-01710H | STAND ASS'Y | |
| 195-01710K | 195-01710K | Stand assy | |
| 6 | 195-01617B | BRACKET;STAND(L.H) | |
| 6-12 | 2110-1184D37 | BUSH;DU | |
| 7 | 621-01822 | CASE;STAND | |
| 8 | 621-01823 | CASE;STAND | |
| 9 | 621-01827 | PLATE;SWITCH | |
| 11 | 2158-1021 | PROTECTOR | |
| 12 | S8450066 | CLAMP;HOSE | |
| 13 | 195-01730A | BRACKET | |
| 14 | 2120-2166D6 | BOLT M6X1.0X16 | |
| 15 | 2114-1898D3 | WASHER | |
| 16 | 2114-1898D4 | WASHER;PLAIN M5 | |
| 17 | 2120-2166D8 | SCREW M5X0.8X14 | |
| 18 | 2123-2240 | PIN | |
| 19 | S6541900 | RING;RETAINER | |
| 20 | 2114-4129 | WASHER | |
| 21 | 2114-1059D31 | SHIM | |
| 22 | 2120-2166D5 | BOLT M8X1.25X20 | |
| 23 | 2114-1898D2 | WASHER M8 | |
| 23 | 2114-1898D2 | WASHER M8 | |
| 24 | 621-01850 | COVER;HOLE | |
| 25 | S2202866 | BOLT;SOCKET M5X0.8X10 | |
| 26 | 2121-1311D2 | NUT M8X1.25 | |
| 26 | 2121-1311D2 | NUT M8X1.25 | |
| 27 | 142-00052 | STRIKER | |
| 28 | 159-00114 | PLATE | |
| 29 | DS1001045 | SPRING;GAS | |
| 30 | 133-00163C | LEVER;SAFETY | |
| 30 | 133-00163E | LEVER;SAFETY | |
| 30 | 133-00163G | LEVER;SAFETY | |
| 30 | 133-00163H | Lever, safety | |
| 30-1 | 159-00223A | PLATE | |
| 30-1 | 159-00223B | PLATE | |
| 30-1 | 159-00223C | Plate | |
| 30-2 | 133-00130A | LEVER | |
| 30-2 | 133-00130B | LEVER | |
| 30-2 | K1008200 | LEVER | |
| 30-3 | 213-00022 | COVER | |
| 30-4 | 123-00456A | PIN | |
| 30-5 | 161-00297 | STOPPER;RUBBER | |
| 30-6 | 2114-1059D37 | SHIM | |
| 30-7 | 2129-1432 | SPRING | |
| 30-8 | S3450583 | SCREW M4X0.7X12 | |
| 30-9 | 125-00021 | CATCH | |
| 30-9 | K1003998 | CATCH | |
| 30-10 | S5000113 | WASHER;PLAIN M4 | |
| 30-11 | 2110-1184D29 | BUSH;DU | |
| 30-12 | S6541200 | RING;RETAINER | |
| 30-13 | 2132-1132A | GRIP | |
| 30-14 | S0503353 | BOLT M5X0.8X20 | |
| 30-14 | 2120-2166D19 | BOLT M6X1.0X12 | |
| 30-15 | S5000213 | WASHER;PLAIN | |
| 30-15 | 2114-1898D3 | WASHER | |
| 30-16 | S0503553 | BOLT M5X0.8X25 | |
| 30-16 | S0505063 | BOLT M6X1.0X25 | |
| 30-17 | 2120-2166D18 | SCREW M5X0.8X10 | |
| 30-18 | 2114-1898D4 | WASHER;PLAIN M5 | |
| 30-19 | S3452833 | SCREW M5X0.8X12 | |
| 30-20 | S6541500 | RING;RETAINER | |
| 32 | 621-01951 | COVER;MICRO SWITCH | |
| 33 | 549-00046 | SWITCH;MICRO | |
| 34 | 161-00524 | RUBBER;STOPPER | |
| 35 | S3452853 | SCREW M5X0.8X16 | |
| 36 | 2161-2367 | STOPPER | |
| 36 | 161-00195 | STOPPER | |
| 40 | 160-00030 | BOOT | |
| 42 | 2114-2031D4 | WASHER;SPRING M8 | |
| 45 | 2120-2166D36 | BOLT M6X1.0X20 | |
| 47 | S8450053 | CLAMP;HOSE | |
| 48 | S3450823 | SCREW M5X0.8X10 | |
| 49 | S5000203 | WASHER M5 | |
| 50 | 2114-1898D16 | WASHER | |
| 2121-1311D4 | 2121-1311D4 | NUT | |
| 51 | 2114-1898D8 | WASHER;PLAIN |
Содержащиеся в справочниках-каталогах запасные части и детали не предлагаются к продаже, а носят исключительно информационный характер