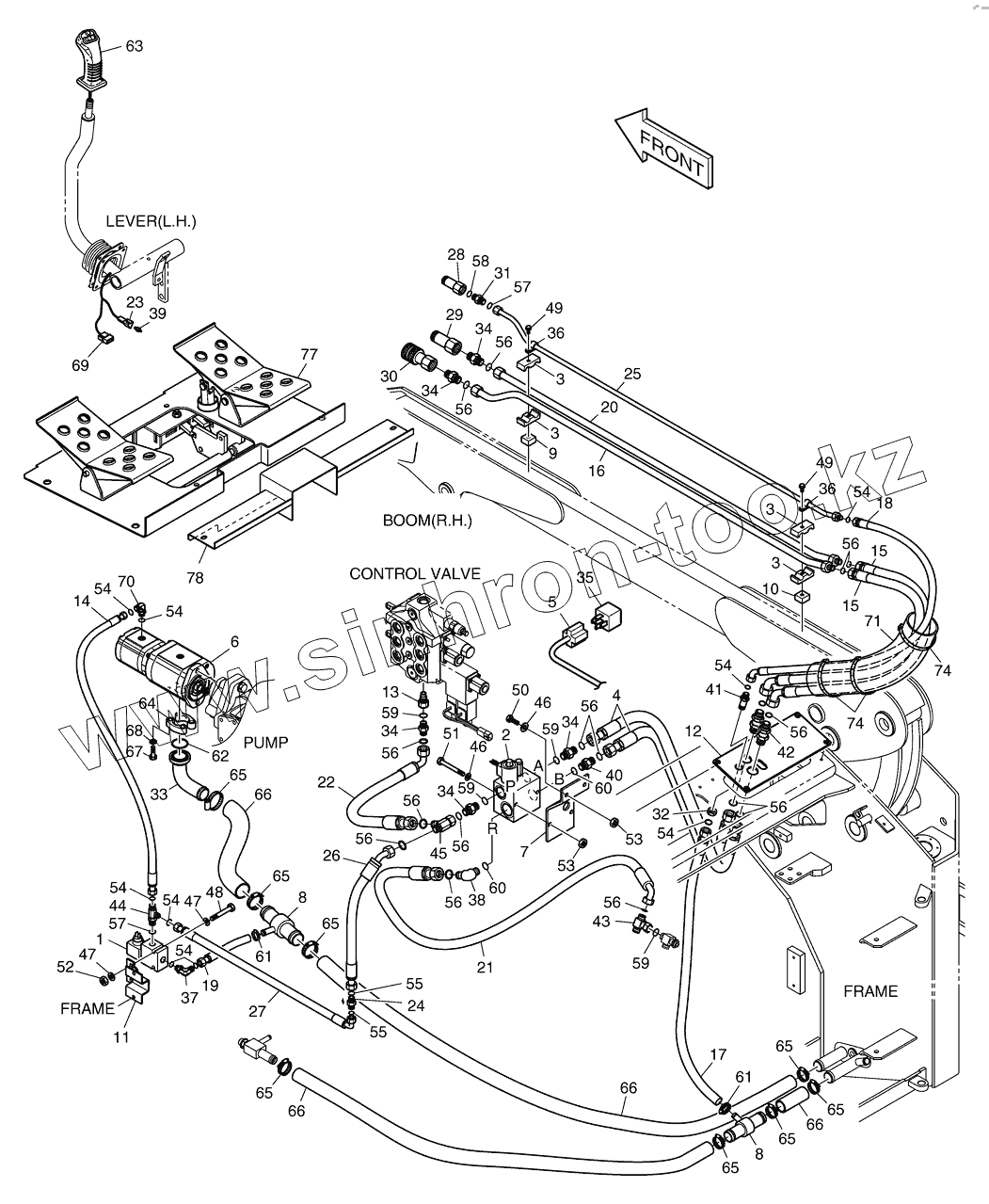
Каталог запасных частей к технике: Doosan Мини-погрузчик 470 Plus. 6190 Гидросистема
1
10
11
12
13
14
15
15
16
17
18
19
2
20
21
22
23
24
25
26
27
28
29
3
3
3
3
30
31
32
33
34
34
34
34
34
35
36
36
37
38
39
4
40
41
42
43
44
45
46
46
47
47
48
49
49
5
50
51
52
53
53
54
54
54
54
54
54
54
54
55
55
56
56
56
56
56
56
56
56
56
56
56
56
57
57
58
59
59
59
59
6
60
60
61
61
62
63
64
65
65
65
65
65
65
65
65
66
66
66
66
67
68
69
7
70
71
74
74
77
78
8
8
9
| Позиция на иллюстрации | Заводской номер детали | Название детали | |
|---|---|---|---|
| 1 | K1019924 | VALVE;SOLENOID | |
| 10 | K1020210 | BLOCK | |
| 11 | K1020785 | BRACKET | |
| 12 | K1022170 | PLATE | |
| 13 | K1020211 | SLEEVE | |
| 14 | DS2029029 | HOSE | |
| 15 | DS2012140 | HOSE | |
| 16 | K1020212 | TUBE | |
| 17 | DS2032002 | HOSE | |
| 18 | DS2012137 | HOSE | |
| 19 | DS2019006 | HOSE | |
| 2 | K1019925 | VALVE;SOLENOID | |
| 20 | K1020213 | TUBE | |
| 21 | DS2012139 | HOSE | |
| 22 | DS2013333 | HOSE | |
| 23 | K1022934 | HOUSING;RECEPTACLE | |
| 24 | K1020214 | VALVE;CHECK | |
| 25 | K1020215 | TUBE | |
| 26 | DS2024006 | HOSE | |
| 27 | DS2013825 | HOSE | |
| 28 | K1020073 | COUPLER | |
| 29 | K1020074 | COUPLER | |
| 3 | K1019926 | CLAMP;TUBE | |
| 30 | K1020075 | COUPLER | |
| 31 | K1022479 | ADAPTER | |
| 32 | K1022480 | NUT;LOCK | |
| 33 | K1019076 | ELBOW | |
| 34 | K1022545 | ADAPTER | |
| 35 | K1019698 | RELAY;SEALED | |
| 36 | K1023052 | CLIP | |
| 37 | K1023066 | ELBOW | |
| 38 | K1020216 | ELBOW | |
| 39 | K1020088 | PIN;WEDGE LOCK | |
| 4 | DS2011284 | HOSE | |
| 40 | K1023083 | ADAPTER | |
| 41 | K1023085 | ADAPTER | |
| 42 | K1020217 | ADAPTER | |
| 43 | DS2417004 | TEE | |
| 44 | K1020218 | TEE | |
| 45 | K1020219 | TEE | |
| 46 | K1023147 | WASHER;HARDENED | |
| 47 | K1023148 | WASHER;HARDENED | |
| 48 | S0554063 | BOLT | |
| 49 | S0556463 | BOLT | |
| 5 | K1020207 | HARNESS | |
| 50 | S0558163 | BOLT | |
| 51 | S0557363 | BOLT | |
| 52 | S4012343 | NUT | |
| 53 | S4012643 | NUT | |
| 54 | S8030081 | O-RING | |
| 55 | S8030101 | O-RING | |
| 56 | S8030121 | O-RING | |
| 57 | S8040081 | O-RING | |
| 58 | S8040101 | O-RING | |
| 59 | S8040121 | O-RING | |
| 6 | K1022720 | PUMP;GEAR | |
| 60 | S8040161 | O-RING | |
| 61 | S8450016 | CLAMP;HOSE | |
| 62 | K1023057 | O-RING | |
| 63 | K1021941 | HANDLE | |
| 64 | K1023046 | FLANGE;HALF | |
| 65 | S8450035 | CLAMP;HOSE | |
| 66 | K1023094 | HOSE;BULK (L=395CM) | |
| 67 | K1023047 | BOLT | |
| 68 | K1023137 | WASHER;HARDENED | |
| 69 | K1022963 | HOUSING;PIN | |
| 7 | K1020208 | BRACKET | |
| 70 | K1023067 | ELBOW | |
| 71 | K1020961 | PROTECTOR;HOSE | |
| 74 | K1022971 | CLIP;BAND | |
| 77 | K1021708 | PEDAL | |
| 78 | K1021702 | PLATE;STEP | |
| 8 | K1020787 | TEE | |
| 9 | K1020209 | BLOCK | |
| K1023368 | K1023368 | HIGH FLOW PIPING |
Содержащиеся в справочниках-каталогах запасные части и детали не предлагаются к продаже, а носят исключительно информационный характер