Вернуться на главную
Поиск
Каталоги запчастей к технике
Спецтехника
Doosan
Мини-погрузчик 470 Plus
2180 Топливные трубопроводы
Каталог запасных частей к технике: Doosan Мини-погрузчик 470 Plus. 2180 Топливные трубопроводы
zoom-in
zoom-out
enlarge
shrink
circle-right
circle-left
file-text2
info
cart
Тип техники
Не выбрано
Легковые автомобили
Грузовые автомобили и прицепы
Автобусы
Сельхозтехника
Спецтехника
Двигатели
Мототехника
Марка
Не выбрано
Ammann
BOMAG
CARMIX
CASE IH
Changlin
ChengGong
Dimex
Doosan
DYNAPAC
Foton
HAMM
Hidromek
Hitachi
Hyundai
JCB
JLG
John Deere
Komatsu
LIEBHERR
LiuGong
Lonking (LongGong)
Luneng
MANITOU
Mitsuber
New Holland
PENGPU
RM-Terex
SANY
SDLG
SEM
Shantui
Shehwa HBXG
Soosan
TIGARBO
VOGELE
Volvo
WAY
WIRTGEN
XCMG
XGMA
Xiamen
YTO
Yuchai
Zoomlion
Автокран
АЗСМ
Алтайлесмаш
Амкодор
АОМЗ
Атек
АТЗ
Балканкар Рекорд
БелАЗ
Беловеж
Борекс
Брянский Арсенал
Булат
ВЭКС
ГАЗ
Геомаш
Гидромаш
Донекс
Дормаш
Дормашина
Дорэлектромаш
ДЭЗ
ЕлАЗ
ЗЗГТ
Ижнефтемаш
Канаш-электрокар
КЗКТ
ККЗ
Клевер
Клинцовский автокрановый завод
КМЗ
КМЗ 1 Мая
Ковровец
Коммаш
Кранэкс
КЭЗ
КЭМЗ
ЛЗА
МАЗ
МЗИК
МЗКМ
МЗКТ
Михневский РМЗ
МоАЗ
Мозырский МЗ
МТЗ
ОЗП
Онежец
ПАО "ТЗА"
ППС Детва
Промтрактор
ПТЗ
Раскат
СпецАгрегат
ТВЭКС
ТТМ
УВЗ
Угличмаш
УЗТМ
ХТЗ
ЧЗКМ
ЧСДМ
ЧТЗ
ЭКСКО
ЭКСМАШ
ЮрМаш
Модель
Не выбрано
DL220 (2010)
DX140W (2017)
DX225LC (2009)
DX225LCA (2012)
S225LC-V (2009)
S340LC-V (2009)
S500LC-V (2007)
SOLAR 130W-V(1) (2017)
SOLAR 130W-V(2) (2017)
SOLAR 140W-V (2017)
SOLAR 140W-V & S160W-V (2017)
SOLAR 160W-V (2017)
SOLAR 170W-V (2017)
SOLAR 180W-V (2017)
SOLAR 210W-V (2017)
SOLAR 255LC-V (DI EXP) (2017)
SOLAR 420LC-V (2017)
Мини-погрузчик 430 Plus (2010)
Мини-погрузчик 440 Plus (2010)
Мини-погрузчик 450 Plus (2010)
Мини-погрузчик 450 Plus (Tier3) (2010)
Мини-погрузчик 460 Plus (2010)
Мини-погрузчик 460 Plus (Tier3) (2010)
Мини-погрузчик 470 Plus (2010)
Экскаватор SOLAR 140LC-V (2010)
Экскаватор SOLAR 175LC-V (2010)
Схема
>
Не выбрано
1160 Кабина
1190 Зеркало
6330 Зеркала боковые
1250 Ремни безопасности
1260 Установка сиденья
1270 Ограждение сиденья
1360 Панель приборов
6100 Сиденье
6380 Ограждение сиденья
1280 Панель пола
6320 Панели кабины
6360 Изоляция
6420 Панель пола
1150 Задняя дверь
1170 Заднее окно
1180 Окно верхнее
6260 Установка двери
6270 Передняя дверь
1130 Капот двигателя
1140 Пластина нижняя
5100 Таблички
5110 Таблички
6280 Трубопроводы отопителя
2100 Установка двигателя
2110 Двигатель в сборе
001 Головка блока цилиндров и крышка
002 Блок цилиндров
003 Картер шестерен
004 Вал коленчатый и поршень
005 Распределительный вал
006 Картер маховика
007 Масляный насос и масляный фильтр
009 Впускной и выпускной коллектор
010 Топливный насос
011 Топливные трубопроводы
012 Топливный фильтр
013 Турбокомпрессор
1340 Топливный бак
2150 Воздухоочиститель
2180 Топливные трубопроводы
2160 Глушитель
6290 Каталитический глушитель
008 Водяной насос
2170 Установка радиатора
1100 Рама
1110 Крышки
1120 Противовес
2200 Колесо и шина
6110 Колеса
6120 Колеса
6130 Колесо и шина
1290 Управление
1300 Педали
1310 Управление
1320 Управление акселератором
3100 Управление
4160 Управление
6180 Управление
6390 Установка джойстика
6400 Консоль управления
6410 Консоль управления
6430 Управление акселератором и стояночным тормозом
6480 Жгуты проводов
6560 Педали
2210 Стояночный тормоз
1330 Крышка масляного бака
3110 Установка фильтра
3120 Трубопроводы
3130 Трубопроводы маслоохладителя
3140 Гидросистема
3150 Гидросистема
4100 Гидравлический насос
4110 Управление
4120 Гидромотор
4130 Гидроцилиндр стрелы
4140 Гидроцилиндр ковша
4150 Гидравлический насос
6190 Гидросистема
6200 Трубопроводы
6220 Соединитель
6370 Гидросистема
6490 Гидросистема
6500 Трубопроводы
6450 Трубопроводы управления
6460 Трубопроводы управления
6470 Гидросистема
2120 Крепление генератора
2130 Генератор
6210 Дополнительное освещение
6340 Освещение
6510 Дополнительное освещение
6540 Освещение
1350 Электрооборудование
1370 Электрооборудование
6230 Установка звукового сигнала
6240 Сигнал предупреждающий
6250 Проблесковый маячок
6310 Электрооборудование
6520 Установка звукового сигнала
6530 Сигнал предупреждающий
1380 Жгуты проводов
2140 Насос в сборе
6440 Установка насоса
1200 Стрела
1210 Установка стрелы
1220 Быстроразъемное соединение
1230 Ковш
1240 Блокировка стрелы
2190 Привод хода
6140 Ковш
6150 Ковш
6160 Нож
6170 Нож с зубьями
6300 Вилы
6550 Крепление рабочего оборудования
6350 Инструменты
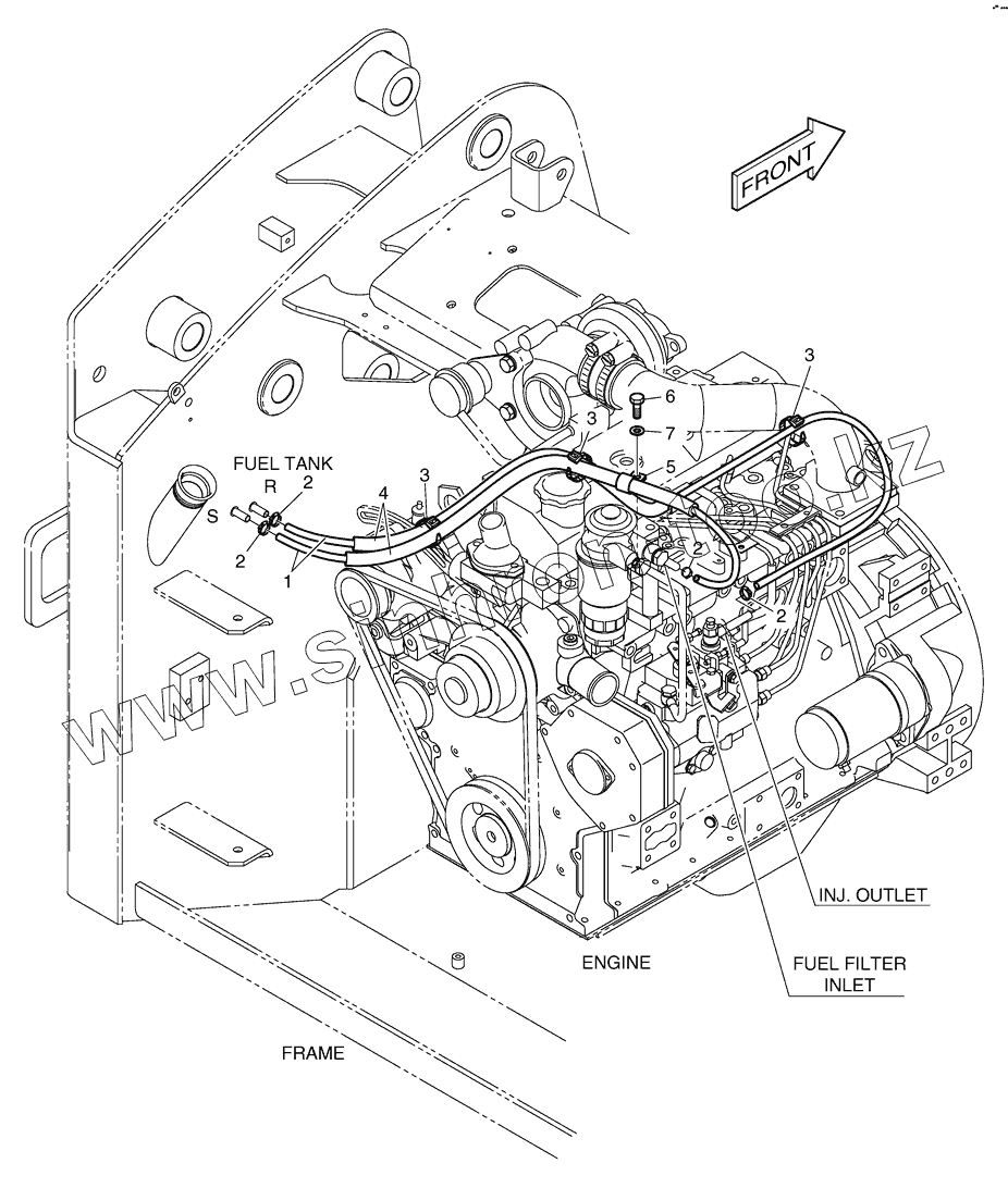
1
1
2
2
2
2
3
3
3
4
5
6
7
Позиция на иллюстрации
Заводской номер детали
Название детали
1
DS2079180
HOSE;BULK
1
K1019639
HOSE;BULK (L=242CM)
2
S8450006
CLAMP;HOSE
3
K1022971
CLIP;BAND
4
K1023099
HOSE;BULK (L=80CM)
5
K1023055
CLIP
6
S0511663
BOLT
7
S5000613
WASHER
8
2185-1247D74
HOSE;BULK
K1021545A
K1021545A
FUEL PIPING
Содержащиеся в справочниках-каталогах запасные части и детали не предлагаются к продаже, а носят исключительно информационный характер
Дополнительная информация
×
Название:
Номер:
Примечание: