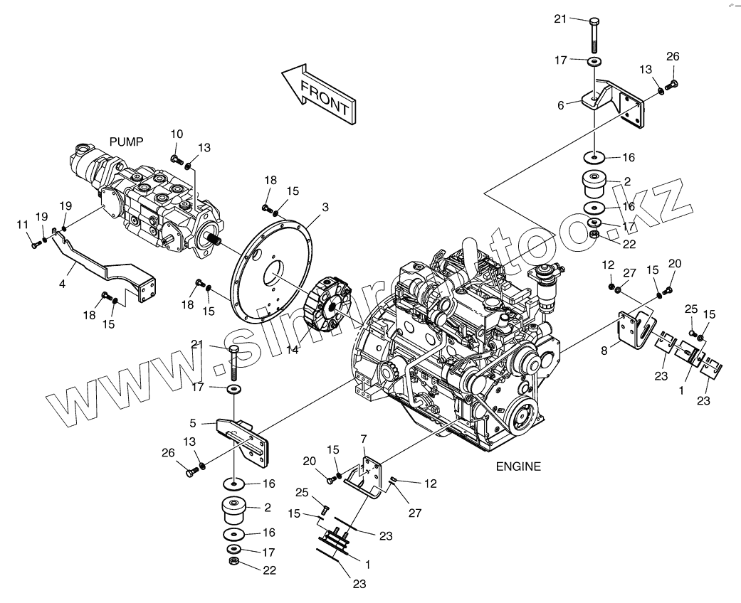
Каталог запасных частей к технике: Doosan Мини-погрузчик 470 Plus. 2100 Установка двигателя
1
1
10
11
12
12
13
13
13
14
15
15
15
15
15
15
15
16
16
16
16
17
17
17
17
18
18
18
19
19
2
2
20
20
21
21
22
22
23
23
23
23
25
25
26
26
27
27
3
4
5
6
7
8
| Позиция на иллюстрации | Заводской номер детали | Название детали | |
|---|---|---|---|
| 1 | K1019643 | RUBBER;ENGINE MOUNT | |
| 10 | K1023112 | BOLT | |
| 11 | S0555963 | BOLT | |
| 12 | K1023114 | NUT;LOCK | |
| 13 | K1023145 | WASHER;HARDENED | |
| 14 | K1020059 | COUPLING;PUMP | |
| 15 | K1023147 | WASHER;HARDENED | |
| 16 | K1023153 | WASHER | |
| 17 | K1023158 | WASHER;HARDENED | |
| 18 | S0512263 | BOLT M10X1.5X30 | |
| 19 | K1023028 | SHIM | |
| 2 | K1019644 | RUBBER;ENGINE MOUNT | |
| 20 | S0512063 | BOLT | |
| 21 | S0566863 | BOLT | |
| 22 | K1023120 | NUT;LOCK | |
| 23 | K1022293 | SPACER | |
| 25 | S0511863 | BOLT;HEX. | |
| 26 | S0515363 | BOLT | |
| 27 | K1023155 | WASHER;HARDENED | |
| 3 | K1021522 | PLATE;PUMP | |
| 4 | K1021845 | BRACKET | |
| 5 | K1021608 | BRACKET;ENGINE MOUNT(L.H) | |
| 6 | K1021609 | BRACKET;ENGINE MOUNT(R.H) | |
| 7 | K1021526 | BRACKET;ENGINE MOUNT(L.H) | |
| 8 | K1021529 | BRACKET;ENGINE MOUNT(R.H) | |
| K1021543 | K1021543 | ENGINE & PUMP ASS'Y |
Содержащиеся в справочниках-каталогах запасные части и детали не предлагаются к продаже, а носят исключительно информационный характер