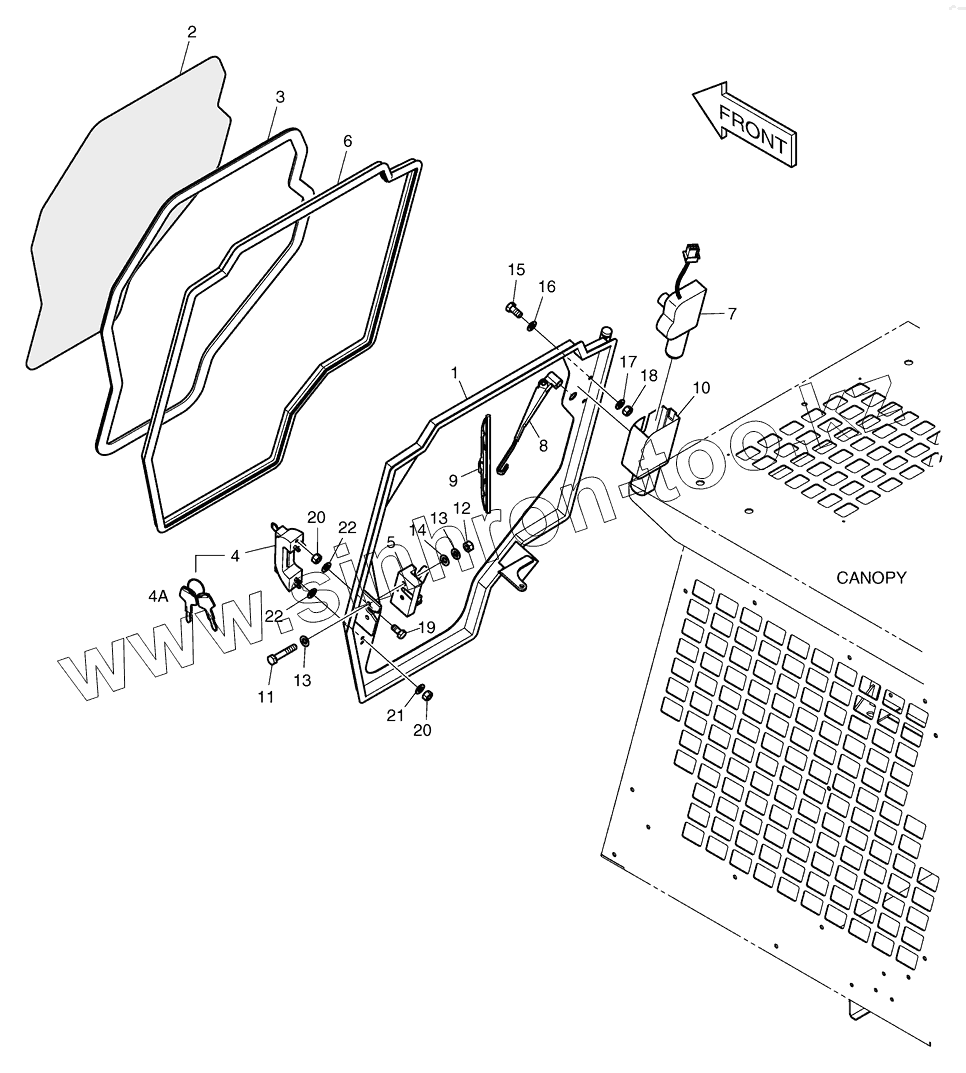
Каталог запасных частей к технике: Doosan Мини-погрузчик 460 Plus (Tier3). 6260 Передняя дверь

zoom-in zoom-out enlarge shrink circle-right circle-left file-text2 info cart
1
10
11
12
13
13
14
15
16
17
18
19
2
20
20
21
22
22
3
4
4A
5
6
7
8
9
Позиция на иллюстрации Заводской номер детали Название детали
1 BUCKET;WELD
10 2403-1053 COVER;WIPER MOTOR
11 S0509563 BOLT
12 S4012533 NUT M8X1.25
13 K1023146 WASHER;HARDENED
14 S5100503 WASHER
15 S3450833 SCREW M5X0.8X12
16 S5000213 WASHER;PLAIN
17 S5100203 WASHER;SPRING
18 S4010203 NUT
19 S0505363 BOLT
2 K1021163 GLASS
20 S4012333 NUT M6X1.0
21 S5010313 WASHER;PLAIN
22 S5100303 WASHER;SPRING M6
3 2198-1013 RUBBER;H
4 K1020877 HANDLE
4A K1020878 KEY;DOOR
5 K1019092 LATCH
6 K1019748 STRIP
7 K1019107 MOTOR;WIPER
8 K1020879 ARM;WIPER
9 K1020880 BLADE;WIPER
K1021077 K1021077 DOOR ASS'Y;FRONT
Содержащиеся в справочниках-каталогах запасные части и детали не предлагаются к продаже, а носят исключительно информационный характер