Каталог запасных частей к технике: Doosan Мини-погрузчик 460 Plus (Tier3). 4110 Управление
1
10
11
12
12
13
14
15
16
17
18
19
2
20
21
22
23
24
25
26
27
28
29
3
30
31
32
33
34
34
34
35
36
37
38
39
4
40
41
42
43
44
45
46
46
47
48
49
5
50
51
52
53
54
55
56
57
58
59
6
6
7
7
8
9
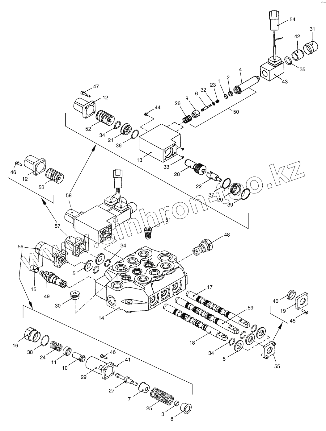
| Позиция на иллюстрации | Заводской номер детали | Название детали | |
|---|---|---|---|
| 1 | BUCKET;WELD | ||
| 10 | BUCKET;WELD | ||
| 11 | BUCKET;WELD | ||
| 12 | K1022771 | CAP;END | |
| 13 | BUCKET;WELD | ||
| 14 | BUCKET;WELD | ||
| 15 | BUCKET;WELD | ||
| 16 | BUCKET;WELD | ||
| 17 | K1022781 | SPOOL | |
| 18 | K1022792 | SPOOL;BOOM | |
| 19 | BUCKET;WELD | ||
| 2 | BUCKET;WELD | ||
| 20 | BUCKET;WELD | ||
| 21 | BUCKET;WELD | ||
| 22 | BUCKET;WELD | ||
| 23 | BUCKET;WELD | ||
| 24 | BUCKET;WELD | ||
| 25 | BUCKET;WELD | ||
| 26 | BUCKET;WELD | ||
| 27 | BUCKET;WELD | ||
| 28 | BUCKET;WELD | ||
| 29 | BUCKET;WELD | ||
| 3 | BUCKET;WELD | ||
| 30 | K1022779 | PLUG | |
| 31 | K1022886 | BELLOWS;SOLENOID | |
| 32 | BUCKET;WELD | ||
| 33 | K1022887 | O-RING | |
| 34 | K1022759 | O-RING | |
| 35 | K1022888 | O-RING | |
| 36 | K1022889 | O-RING | |
| 37 | K1022890 | O-RING | |
| 38 | BUCKET;WELD | ||
| 39 | K1022891 | O-RING | |
| 4 | BUCKET;WELD | ||
| 40 | BUCKET;WELD | ||
| 41 | BUCKET;WELD | ||
| 42 | K1022892 | NUT;LOCK | |
| 43 | K1022756 | COIL AMP PIN | |
| 44 | K1022757 | SCREW | |
| 45 | BUCKET;WELD | ||
| 46 | BUCKET;WELD | ||
| 47 | K1022893 | SCREW | |
| 48 | K1022894 | VALVE;BACK PRESSURE | |
| 49 | K1022895 | VALVE;MAIN RELIEF | |
| 5 | K1022760 | RING | |
| 50 | BUCKET;WELD | ||
| 51 | K1022778 | VALVE;LOAD CHECK | |
| 52 | K1022758 | SPOOL;CONTROL | |
| 53 | BUCKET;WELD | ||
| 54 | K1022782 | DEUTCH CONNECTOR | |
| 55 | K1022783 | DUST COVER ASS'Y | |
| 56 | K1022784 | FLOAT DETENT SPOOL | |
| 57 | K1022785 | SPOOL CONTERING | |
| 58 | K1022786 | VALVE;SOLENOID | |
| 59 | K1022791 | SPOOL | |
| 6 | BUCKET;WELD | ||
| 7 | BUCKET;WELD | ||
| 8 | BUCKET;WELD | ||
| 9 | BUCKET;WELD | ||
| K1020062 | K1020062 | CONTROL VALVE |
Содержащиеся в справочниках-каталогах запасные части и детали не предлагаются к продаже, а носят исключительно информационный характер