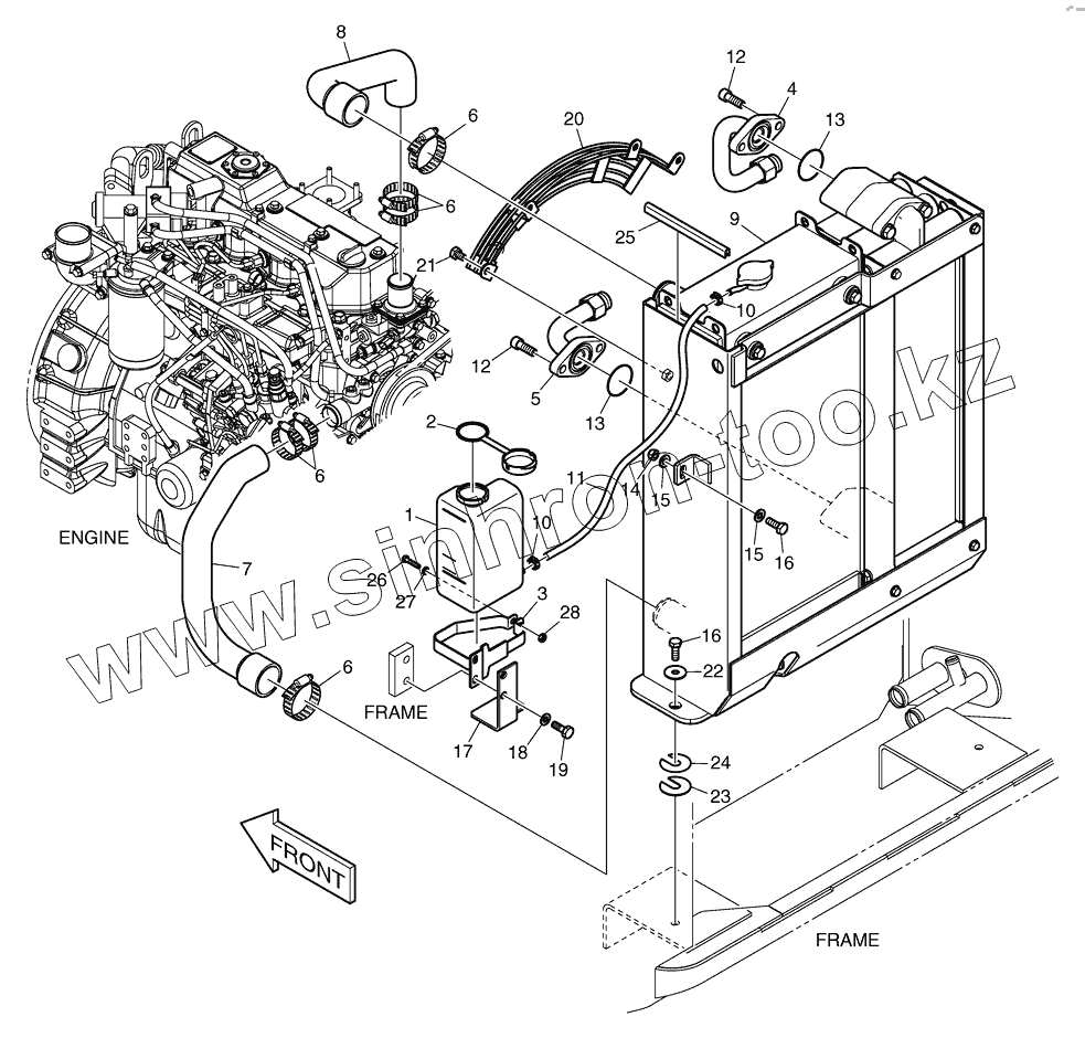
Каталог запасных частей к технике: Doosan Мини-погрузчик 460 Plus (Tier3). 2130 Установка радиатора
1
10
10
11
12
12
13
13
14
15
15
16
16
17
18
19
2
20
21
22
23
24
25
26
27
28
3
4
5
6
6
6
6
7
8
9
| Позиция на иллюстрации | Заводской номер детали | Название детали | |
|---|---|---|---|
| 1 | K1019097 | TANK;RESERVE | |
| 10 | S8450006 | CLAMP;HOSE | |
| 11 | 2185-1247D159 | HOSE | |
| 12 | S2215366 | BOLT;SOCKET M12X1.75X35 | |
| 13 | 2180-1026D28 | O-RING | |
| 14 | K1023114 | NUT;LOCK | |
| 15 | K1023147 | WASHER;HARDENED | |
| 16 | S0512266 | BOLT | |
| 17 | K1020649 | BRACKET | |
| 18 | K1023146 | WASHER;HARDENED | |
| 19 | S0508863 | BOLT | |
| 2 | K1019638 | CAP;RESERVOIR | |
| 20 | K1036300A | GUARD;FAN | |
| 21 | S0511663 | BOLT | |
| 22 | K1023129 | WASHER | |
| 23 | K1022327 | SHIM | |
| 24 | K1022328 | SHIM | |
| 25 | K1040207 | STRIP | |
| 26 | S0505263 | BOLT | |
| 27 | K1023148 | WASHER;HARDENED | |
| 28 | S4012333 | NUT M6X1.0 | |
| 3 | K1019096 | PLATE;RESERVOIR MOUNT | |
| 4 | K1030811A | PIPE | |
| 5 | K1030812 | PIPE | |
| 6 | S8450044 | CLAMP;HOSE | |
| 7 | K1033518A | HOSE;RAD OUTLET | |
| 8 | K1033519A | HOSE;RAD INLET | |
| 9 | K1043581A | RADIATOR ASSY | |
| K1033580E | K1033580E | RADIATOR MOUNTING |
Содержащиеся в справочниках-каталогах запасные части и детали не предлагаются к продаже, а носят исключительно информационный характер