Каталог запасных частей к технике: Doosan Мини-погрузчик 460 Plus (Tier3). 2100 Установка двигателя
1
1
10
11
12
12
13
14
15
15
15
15
15
15
16
16
16
16
17
17
17
17
18
18
18
18
18
19
19
2
2
20
21
21
22
22
23
23
23
23
24
24
24
24
25
25
26
26
27
27
28
29
3
30
31
31
32
33
4
5
6
7
8
9
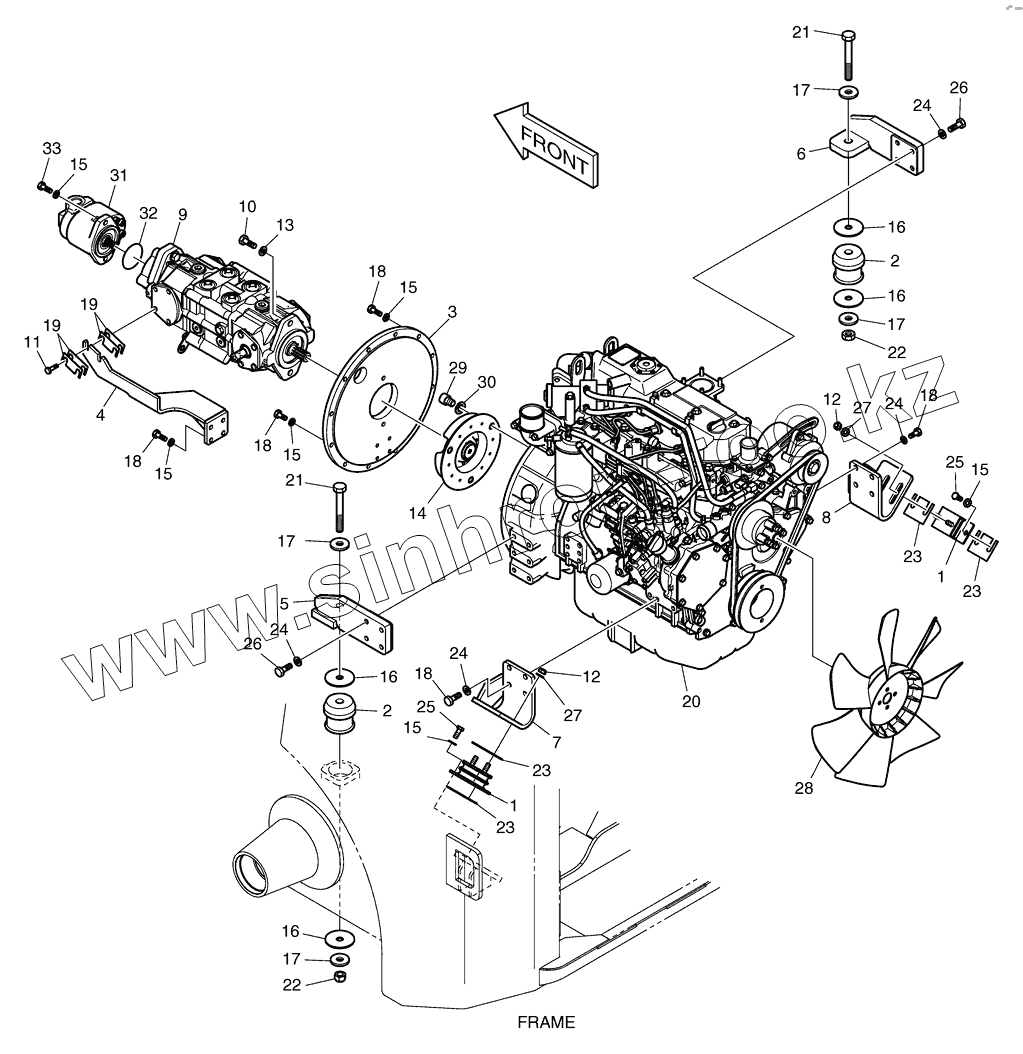
| Позиция на иллюстрации | Заводской номер детали | Название детали | |
|---|---|---|---|
| 1 | K1019643 | RUBBER;ENGINE MOUNT | |
| 10 | K1023112 | BOLT | |
| 11 | S0555963 | BOLT | |
| 12 | K1023114 | NUT;LOCK | |
| 13 | K1023145 | WASHER;HARDENED | |
| 14 | K1030714 | COUPLING;PUMP | |
| 15 | K1023147 | WASHER;HARDENED | |
| 16 | K1023153 | WASHER | |
| 17 | K1023158 | WASHER;HARDENED | |
| 18 | S0512266 | BOLT | |
| 19 | K1023028 | SHIM | |
| 2 | K1019644 | RUBBER;ENGINE MOUNT | |
| 20 | K1030002 | ENGINE | |
| 21 | S0566966 | BOLT M16X2.0X140 | |
| 22 | K1023120 | NUT;LOCK | |
| 23 | K1022293 | SPACER | |
| 24 | S5102603 | WASHER;SPRING M10 | |
| 25 | S0511863 | BOLT;HEX. | |
| 26 | S0512466 | BOLT | |
| 27 | K1023155 | WASHER;HARDENED | |
| 28 | K1030694 | FAN;COOLING | |
| 29 | S2220871 | BOLT;SOCKET | |
| 3 | K1021522 | PLATE;PUMP | |
| 30 | S5010913 | WASHER M16 | |
| 31 | K1021671 | PUMP;GEAR | |
| 31 | K1054154 | PUMP,GEAR | |
| 31A | 401107-00541 | SEAL KIT;GEAR PUMP | |
| 32 | K1022682 | O-RING;SEAL | |
| 33 | K1023111 | BOLT | |
| 4 | K1021845 | BRACKET | |
| 5 | K1033116 | BRACKET;ENGINE MOUNT | |
| 6 | K1033117 | BRACKET;ENGINE MOUNT | |
| 7 | K1033118 | BRACKET;ENGINE MOUNT | |
| 8 | K1033119 | BRACKET;ENGINE MOUNT | |
| 9 | K1040353 | PUMP;HST | |
| K1033573A | K1033573A | ENGINE & PUMP |
Содержащиеся в справочниках-каталогах запасные части и детали не предлагаются к продаже, а носят исключительно информационный характер