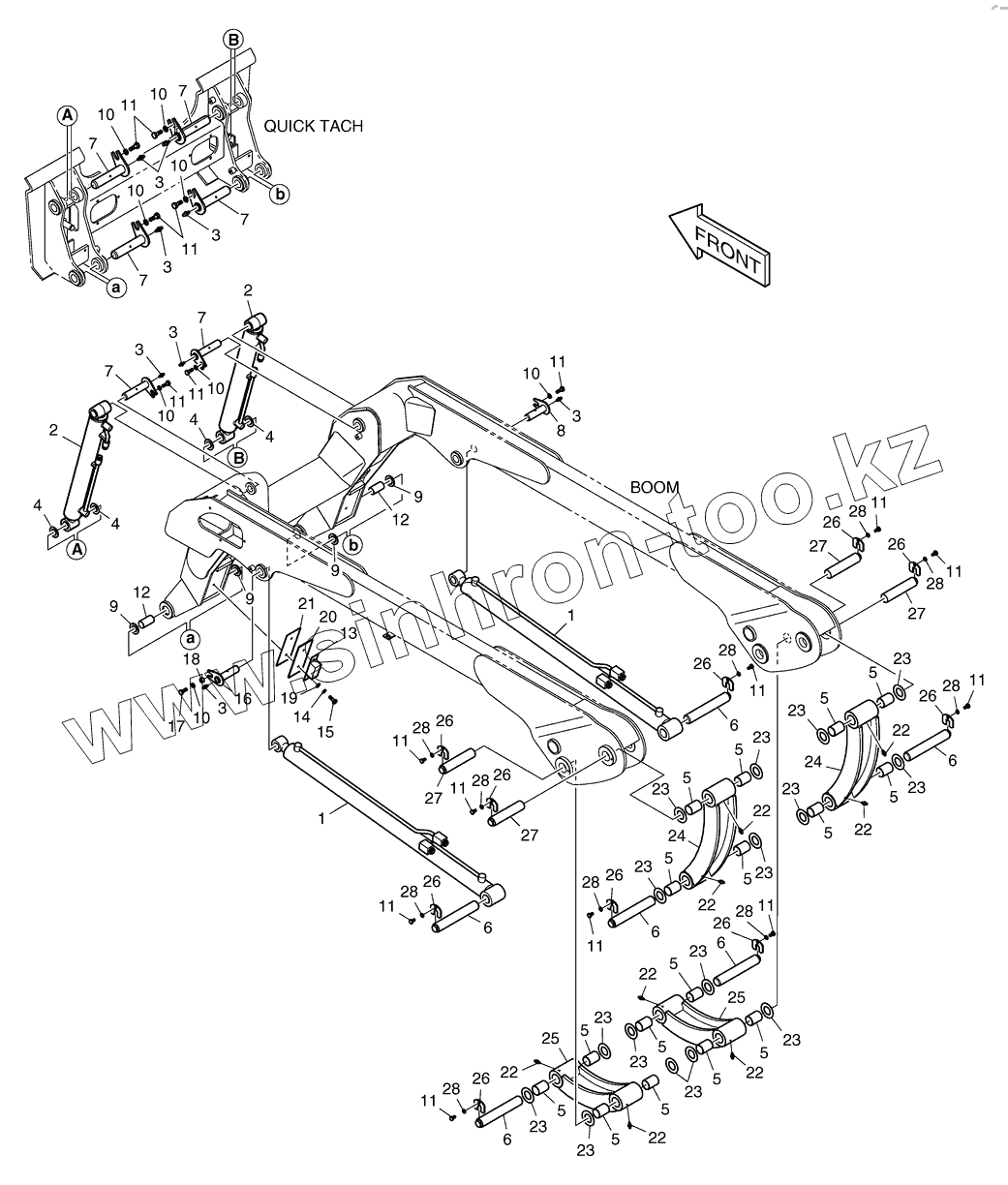
Каталог запасных частей к технике: Doosan Мини-погрузчик 460 Plus (Tier3). 1200 Установка стрелы
1
1
10
10
10
10
10
10
10
10
11
11
11
11
11
11
11
11
11
11
11
11
11
11
11
12
12
13
14
15
16
17
18
19
2
2
2
2
20
21
22
22
22
22
22
22
22
22
23
23
23
23
23
23
23
23
23
23
23
23
23
23
23
24
24
25
25
26
26
26
26
26
26
26
26
26
26
27
27
27
27
28
28
28
28
28
28
28
28
28
28
3
3
3
3
3
3
3
4
4
4
4
5
5
5
5
5
5
5
5
5
5
5
5
5
5
5
5
6
6
6
6
6
6
7
7
7
7
7
7
8
9
9
9
9
| Позиция на иллюстрации | Заводской номер детали | Название детали | |
|---|---|---|---|
| 1 | K1022593 | CYLINDER;BOOM | |
| 10 | K1023144 | WASHER | |
| 11 | S0508663 | BOLT | |
| 12 | K1020151 | BUSHING | |
| 13 | K1020012 | PAD;RUBBER | |
| 14 | K1023147 | WASHER;HARDENED | |
| 15 | S0512263 | BOLT M10X1.5X30 | |
| 16 | K1020047 | PIN | |
| 17 | S0509063 | BOLT | |
| 18 | K1020049 | SPACER | |
| 19 | S5102603 | WASHER;SPRING M10 | |
| 2 | K1022648 | CYLINDER;BUCKET | |
| 2 | K1022648A | CYLINDER;BUCKET | |
| 20 | K1020162 | PLATE;STOPPER | |
| 21 | K1020163 | SPACER | |
| 22 | S6710107 | NIPPLE;GREASE | |
| 23 | K1020645 | SHIM | |
| 24 | K1020873 | LINK;REAR | |
| 25 | K1020874 | LINK;FORNT | |
| 26 | K1020487 | PLATE;PIN LOCK | |
| 27 | K1020410 | PIN | |
| 28 | K1023146 | WASHER;HARDENED | |
| 3 | K1019735 | NIPPLE;GREASE | |
| 4 | K1019801 | SHIM | |
| 5 | K1020479 | BUSHING | |
| 6 | K1020409 | PIN | |
| 7 | K1019967 | PIN | |
| 8 | K1022266 | PIN | |
| 9 | K1022544 | SEAL;DUST | |
| K1020619 | K1020619 | HINGE BOOM & BUCKET |
Содержащиеся в справочниках-каталогах запасные части и детали не предлагаются к продаже, а носят исключительно информационный характер