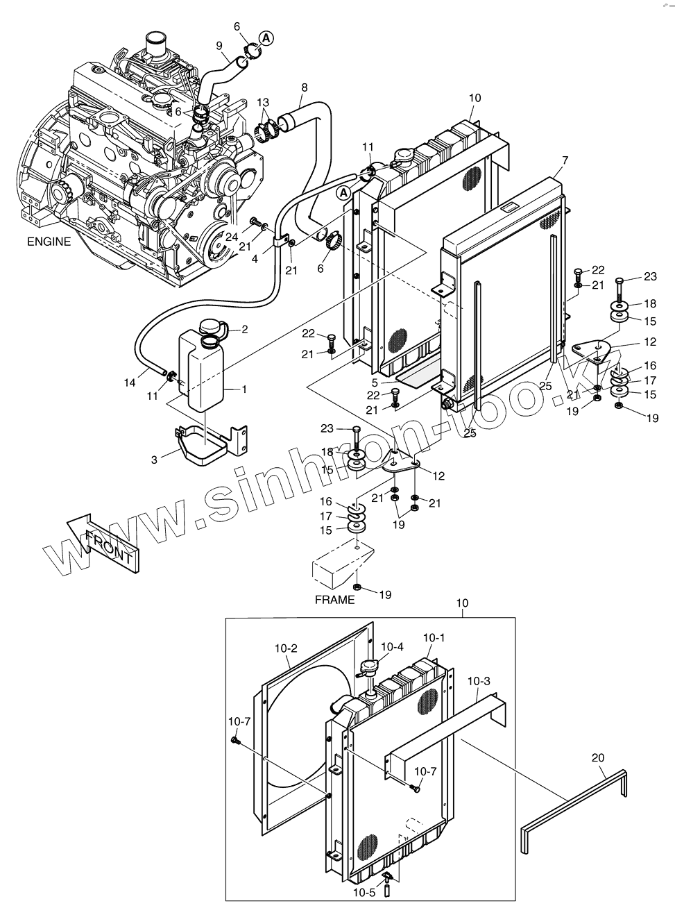
Каталог запасных частей к технике: Doosan Мини-погрузчик 460 Plus. 2170 Установка радиатора
1
10
10
10-1
10-2
10-3
10-4
10-5
10-7
10-7
11
11
12
12
13
14
15
15
15
15
16
16
17
17
18
18
19
19
19
19
2
20
21
21
21
21
21
21
21
21
22
22
22
23
23
24
25
25
3
4
5
6
6
6
7
8
9
| Позиция на иллюстрации | Заводской номер детали | Название детали | |
|---|---|---|---|
| 1 | K1019097 | TANK;RESERVE | |
| 10 | K1022430 | RADIATOR ASS'Y | |
| 10-1 | K9003625 | RADIATOR | |
| 10-2 | K9003626 | SHROUD | |
| 10-3 | K9003627 | COVER | |
| 10-4 | K9003628 | CAP | |
| 10-5 | K9003629 | PLUG;COCK | |
| 10-7 | S0508852 | BOLT M8X1.25X20 | |
| 11 | S8450006 | CLAMP;HOSE | |
| 12 | K1020486 | PLATE | |
| 13 | S8450044 | CLAMP;HOSE | |
| 14 | K1022325 | HOSE;BULK (L=40CM) | |
| 15 | K1022326 | RUBBER | |
| 16 | K1022327 | SHIM | |
| 17 | K1022328 | SHIM | |
| 18 | K1023141 | WASHER | |
| 19 | K1023114 | NUT;LOCK | |
| 2 | K1019638 | CAP;RESERVOIR | |
| 20 | K1019091 | STRIP;BULK | |
| 21 | K1023147 | WASHER;HARDENED | |
| 22 | S0512163 | BOLT | |
| 23 | S0512663 | BOLT | |
| 24 | S0511863 | BOLT;HEX. | |
| 25 | K1019748 | STRIP | |
| 3 | K1021876 | PLATE;RESERVOIR MOUNT | |
| 4 | K1023052 | CLIP | |
| 5 | K1019916 | INSULATOR | |
| 6 | S8450035 | CLAMP;HOSE | |
| 7 | K1022418 | COOLER;OIL | |
| 8 | K1021506 | HOSE;RAD OUTLET | |
| 9 | K1021507 | HOSE;RAD INLET | |
| K1021546A | K1021546A | RADIATOR & OIL COOLER |
Содержащиеся в справочниках-каталогах запасные части и детали не предлагаются к продаже, а носят исключительно информационный характер