Вернуться на главную
Поиск
Каталоги запчастей к технике
Спецтехника
Doosan
Мини-погрузчик 450 Plus (Tier3)
6440 Глушитель
Каталог запасных частей к технике: Doosan Мини-погрузчик 450 Plus (Tier3). 6440 Глушитель
zoom-in
zoom-out
enlarge
shrink
circle-right
circle-left
file-text2
info
cart
Тип техники
Не выбрано
Легковые автомобили
Грузовые автомобили и прицепы
Автобусы
Сельхозтехника
Спецтехника
Двигатели
Мототехника
Марка
Не выбрано
Ammann
BOMAG
CARMIX
CASE IH
Changlin
ChengGong
Dimex
Doosan
DYNAPAC
Foton
HAMM
Hidromek
Hitachi
Hyundai
JCB
JLG
John Deere
Komatsu
LIEBHERR
LiuGong
Lonking (LongGong)
Luneng
MANITOU
Mitsuber
New Holland
PENGPU
RM-Terex
SANY
SDLG
SEM
Shantui
Shehwa HBXG
Soosan
TIGARBO
VOGELE
Volvo
WAY
WIRTGEN
XCMG
XGMA
Xiamen
YTO
Yuchai
Zoomlion
Автокран
АЗСМ
Алтайлесмаш
Амкодор
АОМЗ
Атек
АТЗ
Балканкар Рекорд
БелАЗ
Беловеж
Борекс
Брянский Арсенал
Булат
ВЭКС
ГАЗ
Геомаш
Гидромаш
Донекс
Дормаш
Дормашина
Дорэлектромаш
ДЭЗ
ЕлАЗ
ЗЗГТ
Ижнефтемаш
Канаш-электрокар
КЗКТ
ККЗ
Клевер
Клинцовский автокрановый завод
КМЗ
КМЗ 1 Мая
Ковровец
Коммаш
Кранэкс
КЭЗ
КЭМЗ
ЛЗА
МАЗ
МЗИК
МЗКМ
МЗКТ
Михневский РМЗ
МоАЗ
Мозырский МЗ
МТЗ
ОЗП
Онежец
ПАО "ТЗА"
ППС Детва
Промтрактор
ПТЗ
Раскат
СпецАгрегат
ТВЭКС
ТТМ
УВЗ
Угличмаш
УЗТМ
ХТЗ
ЧЗКМ
ЧСДМ
ЧТЗ
ЭКСКО
ЭКСМАШ
ЮрМаш
Модель
Не выбрано
DL220 (2010)
DX140W (2017)
DX225LC (2009)
DX225LCA (2012)
S225LC-V (2009)
S340LC-V (2009)
S500LC-V (2007)
SOLAR 130W-V(1) (2017)
SOLAR 130W-V(2) (2017)
SOLAR 140W-V (2017)
SOLAR 140W-V & S160W-V (2017)
SOLAR 160W-V (2017)
SOLAR 170W-V (2017)
SOLAR 180W-V (2017)
SOLAR 210W-V (2017)
SOLAR 255LC-V (DI EXP) (2017)
SOLAR 420LC-V (2017)
Мини-погрузчик 430 Plus (2010)
Мини-погрузчик 440 Plus (2010)
Мини-погрузчик 450 Plus (2010)
Мини-погрузчик 450 Plus (Tier3) (2010)
Мини-погрузчик 460 Plus (2010)
Мини-погрузчик 460 Plus (Tier3) (2010)
Мини-погрузчик 470 Plus (2010)
Экскаватор SOLAR 140LC-V (2010)
Экскаватор SOLAR 175LC-V (2010)
Схема
>
Не выбрано
1150 Кабина
1180 Зеркало
6320 Зеркала боковые
1240 Ремни безопасности
1250 Установка сиденья
1260 Ограждение сиденья
1350 Панель приборов
6100 Сиденье
6390 Держатель
6460 Ограждение сиденья
6640 Ограждение сиденья
1270 Панель пола
6310 Панели кабины
6350 Изоляция
6410 Уплотнители
6430 Уплотнители
6500 Панель пола
1140 Задняя дверь
1160 Заднее окно
1170 Окно верхнее
6260 Установка двери
6270 Передняя дверь
6380 Замок задней двери
1120 Капот двигателя
1130 Пластина нижняя
5100 Таблички
5110 Таблички
5120 Таблички
6400 Отражатели
6280 Трубопроводы отопителя
028 Комплект прокладок
2100 Установка двигателя
019 Система смазки
011 Блок цилиндров
012 Картер шестерен
013 Картер маховика и масляный картер
014 Головка блока цилиндров и крышка
017 Распределительный вал и шестерня
018 Вал коленчатый и поршень
6720 Шкив
015 Впускной коллектор
021 Топливный насос высокого давления
022 Регулятор
023 Топливные трубопроводы
024 Топливный фильтр
1330 Топливный бак
2110 Воздухоочиститель
2150 Топливные трубопроводы
016 Выпускной коллектор
2120 Глушитель
6440 Глушитель
020 Система охлаждения
2130 Установка радиатора
2140 Радиатор
1100 Рама
1110 Крышки
2170 Колесо и шина
6110 Колеса
6120 Колеса
6130 Колесо и шина
1280 Управление
1290 Педали
1300 Управление
1310 Управление двигателем
3100 Управление
4160 Управление
6180 Управление
6420 Опора
6470 Установка джойстика
6480 Консоль управления
6490 Консоль управления
6510 Педаль акселератора
2180 Стояночный тормоз
1320 Крышка масляного бака
3110 Установка фильтра
3120 Трубопроводы
3130 Трубопроводы маслоохладителя
3140 Гидросистема
3150 Гидросистема
4100 Гидравлический насос
4110 Управление
4120 Гидромотор
4130 Гидроцилиндр стрелы
4140 Гидроцилиндр ковша
4150 Гидравлический насос
6190 Гидросистема
6200 Трубопроводы
6220 Соединитель
6360 Гидросистема
6530 Трубопроводы управления
6540 Трубопроводы управления
6550 Гидросистема
6570 Гидросистема
6580 Трубопроводы
025 Стартер
026 Генератор
027 Электрооборудование
6210 Дополнительное освещение
6330 Освещение
6590 Дополнительное освещение
6620 Освещение
6660 Дополнительное освещение
6710 Дополнительное освещение
1340 Электрооборудование
1360 Электрооборудование
6230 Установка звукового сигнала
6240 Сигнал предупреждающий
6250 Проблесковый маячок
6370 Прикуриватель
6600 Установка звукового сигнала
6610 Сигнал предупреждающий
6650 Приборы
6740 Приборы
6750 Электрооборудование
1370 Жгуты проводов
6730 Жгуты проводов
6560 Жгуты проводов
6290 Гидравлический насос
6520 Установка насоса
6450 Шестеренный насос
6630 Насос в сборе
1190 Стрела
1200 Установка стрелы
1210 Быстроразъемное соединение
1220 Ковш
1230 Блокировка стрелы
2160 Привод хода
6140 Ковш
6150 Ковш
6160 Нож
6170 Нож с зубьями
6300 Вилы
6670 Стрела
6680 Быстроразъемное соединение
6690 Быстроразъемное соединение
6700 Защита ковша
6340 Инструменты
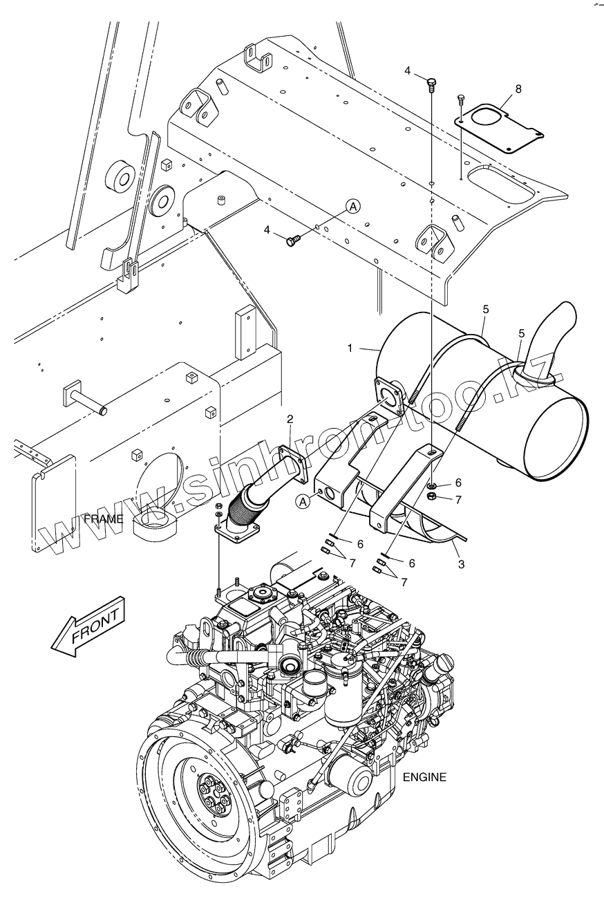
1
2
3
4
4
5
5
6
6
6
7
7
7
8
Позиция на иллюстрации
Заводской номер детали
Название детали
1
K1038820
MUFFLER
2
K1039217A
TUBE;FLEXIBLE
3
K1039230A
BRACKET;MUFFLER
4
S0512266
BOLT
5
120-00152
BOLT;U
6
S5010613
WASHER;PLAIN
7
S4012633
NUT M10X1.5
8
K1040486A
PLATE
K1040154B
K1040154B
MUFFLER MOUNTING
Содержащиеся в справочниках-каталогах запасные части и детали не предлагаются к продаже, а носят исключительно информационный характер
Дополнительная информация
×
Название:
Номер:
Примечание: