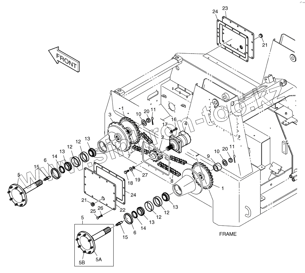
Каталог запасных частей к технике: Doosan Мини-погрузчик 450 Plus. 2191 Привод хода
1
1
10
10
10
10
11
11
12
12
12
12
13
13
13
13
14
14
15
15
16
17
18
19
2
20
20
21
21
22
23
24
24
25
26
27
3
4
5
5
5A
5B
6
6
7
8
9
| Позиция на иллюстрации | Заводской номер детали | Название детали | |
|---|---|---|---|
| 1 | K1021968 | SPROCKET;DRIVEN | |
| 10 | K1020307 | WASHER;HARDENED | |
| 10 | K1038083 | WASHER;HARDENED | |
| 11 | S5735611 | PIN;SPLIT | |
| 12 | K1019058 | CUP;BEARING | |
| 13 | K1019057 | BEARING;TAPER ROLLER | |
| 14 | K1021971 | SPACER | |
| 15 | K1023109 | BOLT;STUD | |
| 16 | S0565361 | BOLT M16X2.0X55 | |
| 17 | K1023138 | WASHER;HARDENED | |
| 18 | K1023103 | BOLT | |
| 19 | K1023141 | WASHER | |
| 2 | K1021637 | SPROCKET;MOTOR | |
| 20 | S4276933 | NUT;CASTLE | |
| 21 | K1022316 | PLUG;MAGNET | |
| 22 | K1021638 | COVER(L.H) | |
| 23 | K1021639 | COVER(R.H) | |
| 24 | K1020681 | GASKET | |
| 25 | S0512163 | BOLT | |
| 26 | K1023147 | WASHER;HARDENED | |
| 27 | K1023142 | WASHER | |
| 3 | K1021969 | DISC | |
| 4 | K1022754A | MOTOR;DRIVE | |
| 5 | K1022164A | SHAFT ASS'Y | |
| 5A | K1021967A | SHAFT | |
| 5B | K1023102 | BOLT;HUB | |
| 6 | K1022403 | SEAL;OIL | |
| 7 | K1021031 | CHAIN | |
| 8 | K1021030 | CHAIN | |
| 9 | K1021970 | SPACER | |
| K1021640C | K1021640C | DRIVE MOTOR ASS'Y |
Содержащиеся в справочниках-каталогах запасные части и детали не предлагаются к продаже, а носят исключительно информационный характер