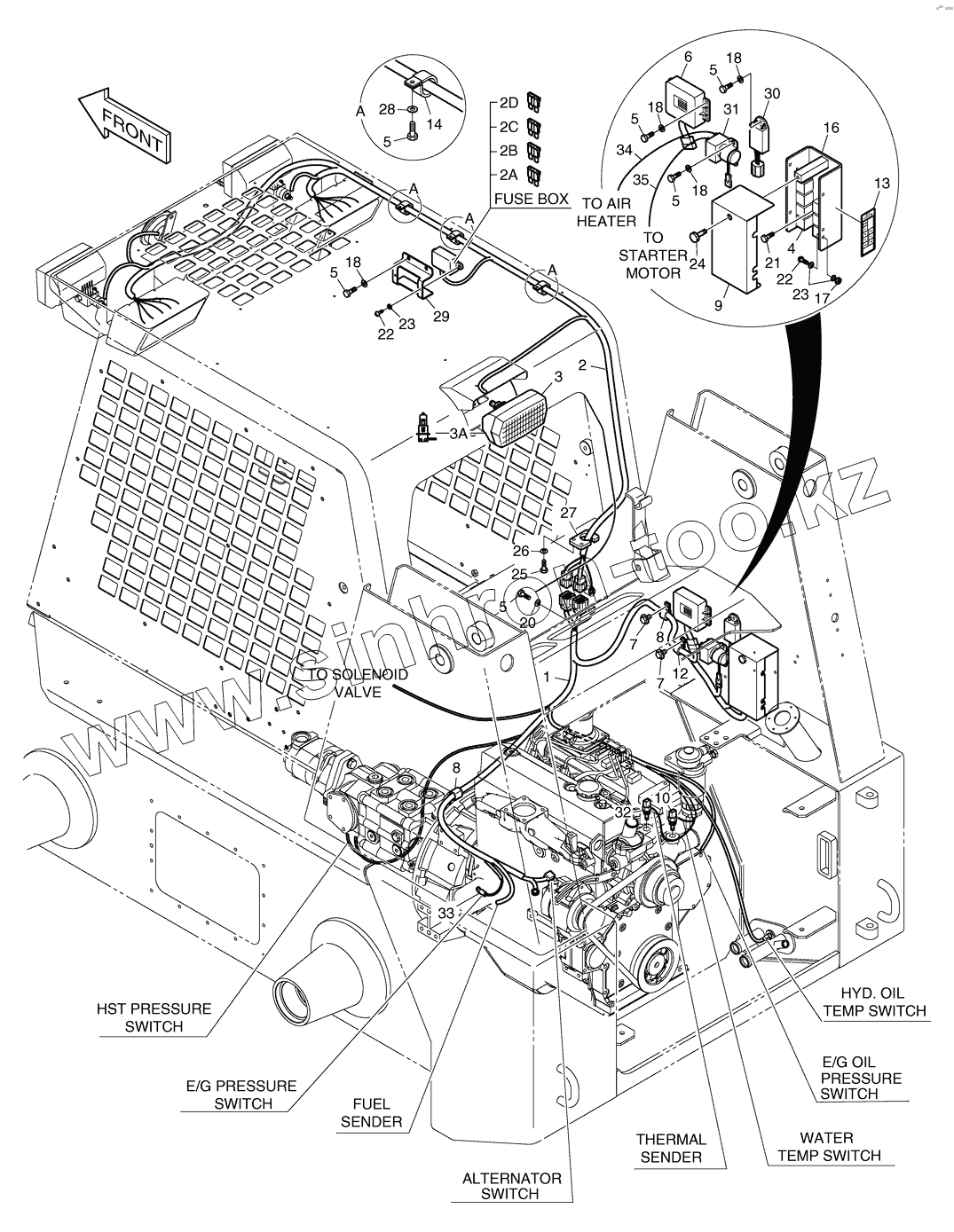
Каталог запасных частей к технике: Doosan Мини-погрузчик 450 Plus. 1380 Жгуты проводов
1
10
12
13
14
16
17
18
18
18
18
2
20
21
22
22
23
23
24
25
26
27
28
29
2A
2B
2C
2D
3
30
31
32
33
34
35
3A
4
5
5
5
5
5
5
6
7
7
8
8
9
| Позиция на иллюстрации | Заводской номер детали | Название детали | |
|---|---|---|---|
| 1 | K1021670 | HARNESS;ENGINE | |
| 10 | K1021464 | SWITCH;TEMPERATURE | |
| 12 | K1020100 | CLIP | |
| 13 | K1020755 | PLATE;NAME | |
| 14 | K1022975 | CLIP | |
| 16 | K1021219 | BRACKET;COVER | |
| 17 | S4016241 | NUT | |
| 18 | K1023156 | WASHER | |
| 2 | K1021867 | HARNESS;CANOPY | |
| 20 | K1022974 | CLIP | |
| 21 | S0504663 | BOLT | |
| 22 | S3450853 | SCREW M5X0.8X16 | |
| 23 | S5000213 | WASHER;PLAIN | |
| 24 | K1019084 | BOLT;KNOB | |
| 25 | S0508863 | BOLT | |
| 26 | K1023146 | WASHER;HARDENED | |
| 27 | K1021029 | PLATE;HOUSING | |
| 28 | K1023157 | WASHER;HARDENED | |
| 29 | K1021017 | BRACKET | |
| 2A | K1019105 | FUSE 5A | |
| 2B | K1019052 | FUSE 10A | |
| 2C | K1022925 | FUSE 15A | |
| 2D | K1022931 | FUSE 30A | |
| 3 | K1022967 | LAMP | |
| 30 | K1019632 | TIMER | |
| 31 | K1019631 | RELAY;PREHEAT | |
| 32 | K1019633 | SENSOR;TEMPERATURE | |
| 33 | K1019648 | WIRE | |
| 34 | K1021474 | CABLE;BATTERY | |
| 35 | K1021475 | CABLE;BATTERY | |
| 3A | 2515-1016D2 | BULB | |
| 4 | K1019698 | RELAY;SEALED | |
| 5 | S0504463 | BOLT | |
| 6 | K1022921 | UNIT;CONTROL | |
| 7 | S0511463 | BOLT | |
| 8 | K1020100 | CLIP | |
| 9 | K1021222 | COVER | |
| 300619-00416 | 300619-00416 | WIRING GROUP,ELECTRIC |
Содержащиеся в справочниках-каталогах запасные части и детали не предлагаются к продаже, а носят исключительно информационный характер