Вернуться на главную
Поиск
Каталоги запчастей к технике
Спецтехника
Doosan
Мини-погрузчик 440 Plus
6580 Жгуты проводов
Каталог запасных частей к технике: Doosan Мини-погрузчик 440 Plus. 6580 Жгуты проводов
zoom-in
zoom-out
enlarge
shrink
circle-right
circle-left
file-text2
info
cart
Тип техники
Не выбрано
Легковые автомобили
Грузовые автомобили и прицепы
Автобусы
Сельхозтехника
Спецтехника
Двигатели
Мототехника
Марка
Не выбрано
Ammann
BOMAG
CARMIX
CASE IH
Changlin
ChengGong
Dimex
Doosan
DYNAPAC
Foton
HAMM
Hidromek
Hitachi
Hyundai
JCB
JLG
John Deere
Komatsu
LIEBHERR
LiuGong
Lonking (LongGong)
Luneng
MANITOU
Mitsuber
New Holland
PENGPU
RM-Terex
SANY
SDLG
SEM
Shantui
Shehwa HBXG
Soosan
TIGARBO
VOGELE
Volvo
WAY
WIRTGEN
XCMG
XGMA
Xiamen
YTO
Yuchai
Zoomlion
Автокран
АЗСМ
Алтайлесмаш
Амкодор
АОМЗ
Атек
АТЗ
Балканкар Рекорд
БелАЗ
Беловеж
Борекс
Брянский Арсенал
Булат
ВЭКС
ГАЗ
Геомаш
Гидромаш
Донекс
Дормаш
Дормашина
Дорэлектромаш
ДЭЗ
ЕлАЗ
ЗЗГТ
Ижнефтемаш
Канаш-электрокар
КЗКТ
ККЗ
Клевер
Клинцовский автокрановый завод
КМЗ
КМЗ 1 Мая
Ковровец
Коммаш
Кранэкс
КЭЗ
КЭМЗ
ЛЗА
МАЗ
МЗИК
МЗКМ
МЗКТ
Михневский РМЗ
МоАЗ
Мозырский МЗ
МТЗ
ОЗП
Онежец
ПАО "ТЗА"
ППС Детва
Промтрактор
ПТЗ
Раскат
СпецАгрегат
ТВЭКС
ТТМ
УВЗ
Угличмаш
УЗТМ
ХТЗ
ЧЗКМ
ЧСДМ
ЧТЗ
ЭКСКО
ЭКСМАШ
ЮрМаш
Модель
Не выбрано
DL220 (2010)
DX140W (2017)
DX225LC (2009)
DX225LCA (2012)
S225LC-V (2009)
S340LC-V (2009)
S500LC-V (2007)
SOLAR 130W-V(1) (2017)
SOLAR 130W-V(2) (2017)
SOLAR 140W-V (2017)
SOLAR 140W-V & S160W-V (2017)
SOLAR 160W-V (2017)
SOLAR 170W-V (2017)
SOLAR 180W-V (2017)
SOLAR 210W-V (2017)
SOLAR 255LC-V (DI EXP) (2017)
SOLAR 420LC-V (2017)
Мини-погрузчик 430 Plus (2010)
Мини-погрузчик 440 Plus (2010)
Мини-погрузчик 450 Plus (2010)
Мини-погрузчик 450 Plus (Tier3) (2010)
Мини-погрузчик 460 Plus (2010)
Мини-погрузчик 460 Plus (Tier3) (2010)
Мини-погрузчик 470 Plus (2010)
Экскаватор SOLAR 140LC-V (2010)
Экскаватор SOLAR 175LC-V (2010)
Схема
>
Не выбрано
1150 Кабина
1180 Зеркало
6320 Зеркала боковые
1240 Ремни безопасности
1250 Установка сиденья
1260 Ограждение сиденья
1350 Панель приборов
6100 Сиденье
6390 Держатель
6470 Ограждение сиденья
6710 Ограждение сиденья
1270 Панель пола
6310 Панели кабины
6350 Изоляция
6410 Уплотнения боковые
6420 Изоляция корпуса
6450 Уплотнители
6510 Панель пола
1140 Задняя дверь
1160 Заднее окно
1170 Окно верхнее
6260 Установка двери
6270 Передняя дверь
6380 Замок задней двери
1120 Капот двигателя
1130 Пластина нижняя
5100 Таблички
5110 Таблички
5120 Таблички
5130 Таблички
6400 Отражатели
6280 Трубопроводы отопителя
6840 Трубопроводы отопителя
011 Кронштейны подъема двигателя
2100 Установка двигателя и насоса
001 Шкив
002 Блок цилиндров
003 Сапун
004 Распределительный вал
005 Принадлежности
007 Картер маховика
008 Крышка шестерен
009 Головка блока цилиндров
015 Поршень
016 Распределительный механизм
018 Крышка головки блока цилиндров
019 Вал коленчатый
028 Топливные трубопроводы
012 Указатель уровня масля
013 Маслозаливная горловина
014 Масляный картер
020 Маслозаливная горловина
021 Масляный насос
022 Маслоохладитель
010 Форсунка
017 Трубопроводы турбокомпрессора
024 Впускной коллектор
026 Топливный насос высокого давления
027 Установка топливного насоса
2110 Воздухоочиститель
2140 Топливные трубопроводы
6700 Крышка топливного бака
025 Выпускной коллектор
2120 Глушитель
6460 Глушитель с искрогасителем
006 Ремень вентилятора
023 Водяной насос
2130 Установка радиатора
6830 Вентилятор
1100 Рама
1110 Крышки
6530 Рама
6690 Рама
6790 Рама
2160 Колесо и шина
6110 Колеса
6120 Колеса
6130 Колесо и шина
1280 Управление
1290 Педали
1300 Управление
1310 Управление акселератором
3100 Управление
4160 Управление
6180 Управление
6440 Опора
6480 Установка джойстика
6490 Консоль управления
6500 Консоль управления
6520 Управление акселератором и стояночным тормозом
6660 Педали
6680 Педали
2170 Стояночный тормоз
1320 Крышка масляного бака
1330 Крышка топливного бака
3110 Установка фильтра
3120 Трубопроводы
3130 Гидросистема
3140 Гидросистема
3150 Гидросистема
4100 Гидравлический насос
4110 Управление
4120 Гидромотор
4130 Гидроцилиндр стрелы
4140 Гидроцилиндр ковша
4150 Гидравлический насос
6190 Гидросистема
6200 Трубопроводы
6220 Соединитель
6360 Гидросистема
6550 Трубопроводы управления
6560 Трубопроводы управления
6570 Гидросистема
6590 Гидросистема
6600 Трубопроводы
029 Генератор
030 Стартер
031 Электрооборудование
6210 Дополнительное освещение
6330 Освещение
6610 Дополнительное освещение
6640 Освещение
6730 Дополнительное освещение
6810 Дополнительное освещение
1340 Электрооборудование
1360 Электрооборудование
6230 Установка звукового сигнала
6240 Сигнал предупреждающий
6250 Проблесковый маячок
6300 Электрооборудование
6370 Прикуриватель
6620 Установка звукового сигнала
6630 Сигнал предупреждающий
6720 Приборы
6800 Приборы
6820 Электрооборудование
6430 Замок зажигания
1370 Жгуты проводов
6580 Жгуты проводов
6740 Жгуты проводов
6540 Установка насоса
1190 Стрела
1200 Установка стрелы
1210 Быстроразъемное соединение
1220 Ковш
1230 Блокировка стрелы
2150 Привод хода
6140 Ковш
6150 Ковш
6160 Нож
6170 Нож с зубьями
6290 Вилы
6650 Крепление рабочего оборудования
6670 Крепление рабочего оборудования
6750 Стрела
6760 Быстроразъемное соединение
6770 Быстроразъемное соединение
6780 Защита ковша
6340 Инструменты
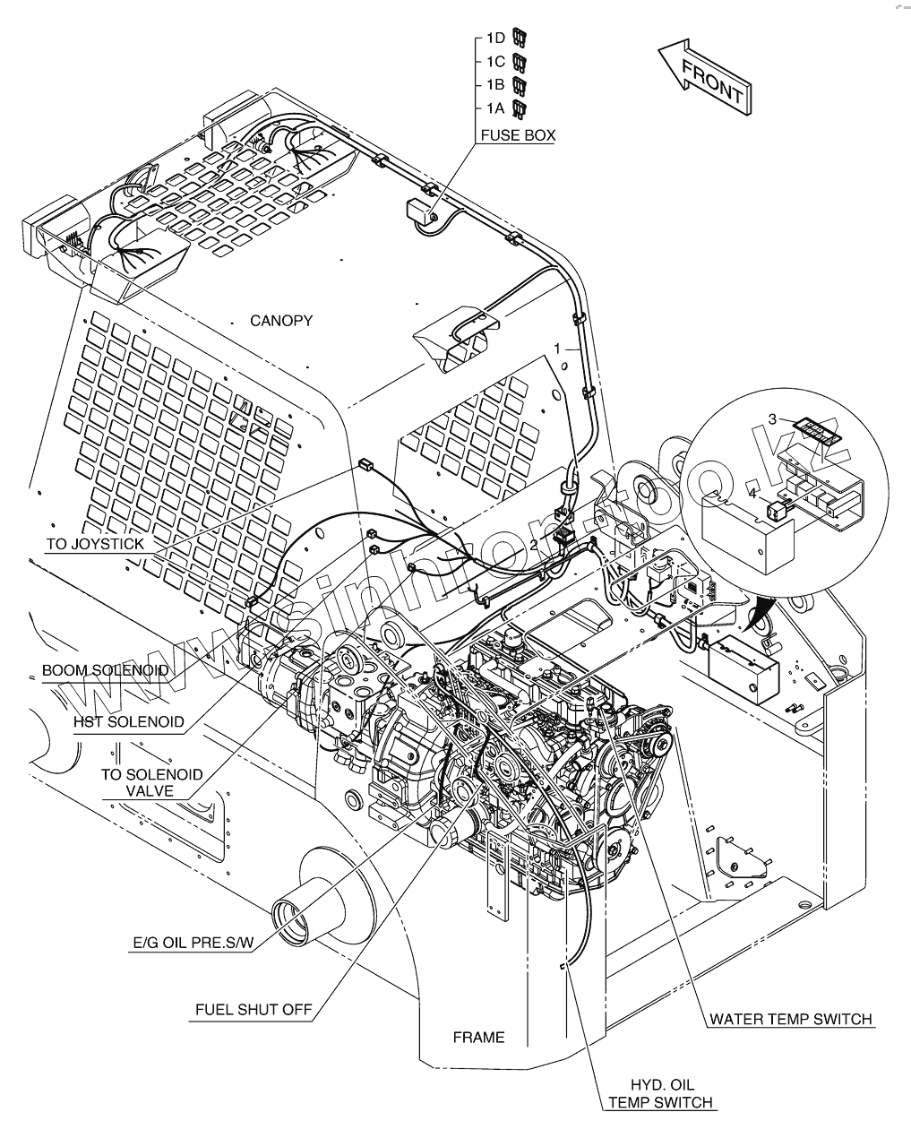
1
2
3
Позиция на иллюстрации
Заводской номер детали
Название детали
1
K1022028
HARNESS;CANOPY
2
K1022050
HARNESS;E/G
3
K1022197
PLATE;NAME(RELAY INST.)
K1022158
K1022158
ELECTRIC WIRING
Содержащиеся в справочниках-каталогах запасные части и детали не предлагаются к продаже, а носят исключительно информационный характер
Дополнительная информация
×
Название:
Номер:
Примечание: