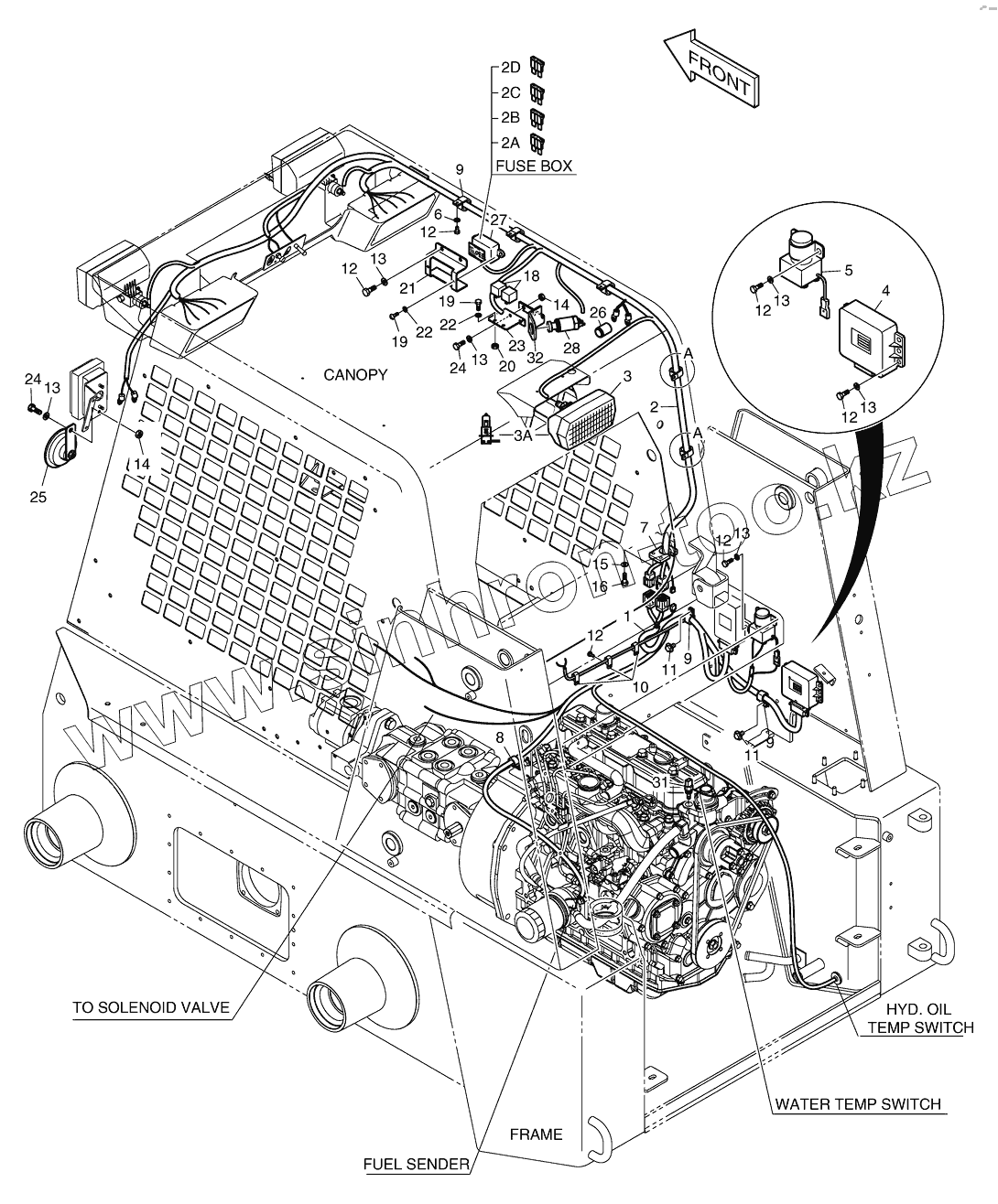
Каталог запасных частей к технике: Doosan Мини-погрузчик 430 Plus. 6700 Жгуты проводов
1
10
11
11
12
12
12
12
12
12
13
13
13
13
13
13
14
14
15
16
18
19
19
2
20
21
22
22
23
24
24
25
26
27
28
2A
2B
2C
2D
3
31
32
3A
4
5
6
7
8
9
9
9
| Позиция на иллюстрации | Заводской номер детали | Название детали | |
|---|---|---|---|
| 1 | K1021861 | HARNESS;ENGINE | |
| 10 | K1022973 | CLIP | |
| 11 | S0511463 | BOLT | |
| 12 | S0504463 | BOLT | |
| 13 | K1023156 | WASHER | |
| 14 | S4012343 | NUT | |
| 15 | K1023146 | WASHER;HARDENED | |
| 16 | S0508863 | BOLT | |
| 18 | K1019698 | RELAY;SEALED | |
| 19 | S3450853 | SCREW M5X0.8X16 | |
| 2 | K1021862 | HARNESS;CANOPY | |
| 20 | S4006203 | NUT | |
| 21 | K1021017 | BRACKET | |
| 22 | S5000213 | WASHER;PLAIN | |
| 23 | K1020922 | BRACKET | |
| 24 | S0504763 | BOLT | |
| 25 | K1022970 | HORN | |
| 26 | K1020835 | SOCKET | |
| 27 | K1021879 | PLATE;NAME(FUSE DIAGRAM) | |
| 28 | K1022898 | CIGAR LIGHTER | |
| 2A | K1019105 | FUSE 5A | |
| 2B | K1019052 | FUSE 10A | |
| 2C | K1022925 | FUSE 15A | |
| 2D | K1022931 | FUSE 30A | |
| 3 | K1022967 | LAMP | |
| 31 | K1021464 | SWITCH;TEMPERATURE | |
| 32 | K1021856 | BRACKET | |
| 3A | 2515-1016D2 | BULB | |
| 4 | K1022921 | UNIT;CONTROL | |
| 5 | K1019410 | RELAY;PREHEAT | |
| 6 | K1023157 | WASHER;HARDENED | |
| 7 | K1021029 | PLATE;HOUSING | |
| 8 | K1022972 | CLIP | |
| 9 | K1022975 | CLIP | |
| K1021482 | K1021482 | ELECTRIC WIRING |
Содержащиеся в справочниках-каталогах запасные части и детали не предлагаются к продаже, а носят исключительно информационный характер