Вернуться на главную
Поиск
Каталоги запчастей к технике
Спецтехника
Doosan
Мини-погрузчик 430 Plus
6350 Гидросистема
Каталог запасных частей к технике: Doosan Мини-погрузчик 430 Plus. 6350 Гидросистема
zoom-in
zoom-out
enlarge
shrink
circle-right
circle-left
file-text2
info
cart
Тип техники
Не выбрано
Легковые автомобили
Грузовые автомобили и прицепы
Автобусы
Сельхозтехника
Спецтехника
Двигатели
Мототехника
Марка
Не выбрано
Ammann
BOMAG
CARMIX
CASE IH
Changlin
ChengGong
Dimex
Doosan
DYNAPAC
Foton
HAMM
Hidromek
Hitachi
Hyundai
JCB
JLG
John Deere
Komatsu
LIEBHERR
LiuGong
Lonking (LongGong)
Luneng
MANITOU
Mitsuber
New Holland
PENGPU
RM-Terex
SANY
SDLG
SEM
Shantui
Shehwa HBXG
Soosan
TIGARBO
VOGELE
Volvo
WAY
WIRTGEN
XCMG
XGMA
Xiamen
YTO
Yuchai
Zoomlion
Автокран
АЗСМ
Алтайлесмаш
Амкодор
АОМЗ
Атек
АТЗ
Балканкар Рекорд
БелАЗ
Беловеж
Борекс
Брянский Арсенал
Булат
ВЭКС
ГАЗ
Геомаш
Гидромаш
Донекс
Дормаш
Дормашина
Дорэлектромаш
ДЭЗ
ЕлАЗ
ЗЗГТ
Ижнефтемаш
Канаш-электрокар
КЗКТ
ККЗ
Клевер
Клинцовский автокрановый завод
КМЗ
КМЗ 1 Мая
Ковровец
Коммаш
Кранэкс
КЭЗ
КЭМЗ
ЛЗА
МАЗ
МЗИК
МЗКМ
МЗКТ
Михневский РМЗ
МоАЗ
Мозырский МЗ
МТЗ
ОЗП
Онежец
ПАО "ТЗА"
ППС Детва
Промтрактор
ПТЗ
Раскат
СпецАгрегат
ТВЭКС
ТТМ
УВЗ
Угличмаш
УЗТМ
ХТЗ
ЧЗКМ
ЧСДМ
ЧТЗ
ЭКСКО
ЭКСМАШ
ЮрМаш
Модель
Не выбрано
DL220 (2010)
DX140W (2017)
DX225LC (2009)
DX225LCA (2012)
S225LC-V (2009)
S340LC-V (2009)
S500LC-V (2007)
SOLAR 130W-V(1) (2017)
SOLAR 130W-V(2) (2017)
SOLAR 140W-V (2017)
SOLAR 140W-V & S160W-V (2017)
SOLAR 160W-V (2017)
SOLAR 170W-V (2017)
SOLAR 180W-V (2017)
SOLAR 210W-V (2017)
SOLAR 255LC-V (DI EXP) (2017)
SOLAR 420LC-V (2017)
Мини-погрузчик 430 Plus (2010)
Мини-погрузчик 440 Plus (2010)
Мини-погрузчик 450 Plus (2010)
Мини-погрузчик 450 Plus (Tier3) (2010)
Мини-погрузчик 460 Plus (2010)
Мини-погрузчик 460 Plus (Tier3) (2010)
Мини-погрузчик 470 Plus (2010)
Экскаватор SOLAR 140LC-V (2010)
Экскаватор SOLAR 175LC-V (2010)
Схема
>
Не выбрано
1160 Кабина
1190 Зеркало
6330 Зеркала боковые
1250 Ремни безопасности
1260 Установка сиденья
1270 Ограждение сиденья
1350 Панель приборов
6100 Сиденье
6380 Держатель
6470 Ограждение сиденья
6670 Ограждение сиденья
1280 Панель пола
6320 Панели кабины
6340 Изоляция
6400 Изоляция корпуса
6440 Уплотнители
6510 Панель пола
1150 Задняя дверь
1170 Заднее окно
1180 Окно верхнее
6270 Установка двери
6280 Передняя дверь
6370 Замок задней двери
1120 Пластина
1130 Капот двигателя
1140 Пластина нижняя
5100 Таблички
5110 Таблички
5120 Таблички
5130 Таблички
6390 Отражатели
6290 Трубопроводы отопителя
6780 Трубопроводы отопителя
011 Кронштейны подъема двигателя
2100 Установка двигателя и насоса
001 Шкив
002 Блок цилиндров
003 Сапун
004 Распределительный вал
005 Принадлежности
007 Сальник
008 Крышка шестерен
009 Головка блока цилиндров
015 Поршень
016 Распределительный механизм
018 Крышка головки блока цилиндров
019 Вал коленчатый
028 Топливные трубопроводы
012 Указатель уровня масля
013 Маслозаливная горловина
014 Масляный картер
020 Маслозаливная горловина
021 Масляный насос
022 Маслоохладитель
010 Форсунка
017 Трубопроводы турбокомпрессора
024 Впускной коллектор
026 Топливный насос высокого давления
027 Установка топливного насоса
1330 Топливный бак
2110 Воздухоочиститель
2140 Топливные трубопроводы
025 Выпускной коллектор
2120 Глушитель
6300 Каталитический глушитель
6450 Глушитель с искрогасителем
6460 Аттенюатор
006 Ремень вентилятора
023 Водяной насос
2130 Установка радиатора
1100 Рама
1110 Крышки
6530 Рама
2160 Колесо и шина
6110 Колеса
6120 Колеса
6130 Колеса
6140 Колесо и шина
1290 Управление
1300 Управление
1310 Управление акселератором
3100 Управление
4160 Управление
6190 Управление
6420 Управление
6430 Опора
6480 Установка джойстика
6490 Консоль управления
6500 Консоль управления
6520 Управление акселератором и стояночным тормозом
2170 Стояночный тормоз
1320 Крышка масляного бака
3110 Установка фильтра
3120 Трубопроводы
3130 Трубопроводы маслоохладителя
3140 Гидросистема
3150 Гидросистема
4100 Гидравлический насос
4110 Управление
4120 Гидромотор
4130 Гидроцилиндр стрелы
4140 Гидроцилиндр ковша
4150 Гидравлический насос
6200 Гидросистема
6210 Трубопроводы
6230 Соединитель
6350 Гидросистема
6550 Трубопроводы управления
6560 Трубопроводы управления
6570 Гидросистема
6590 Гидросистема
6600 Трубопроводы
029 Генератор
030 Стартер
031 Электрооборудование
6220 Дополнительное освещение
6610 Дополнительное освещение
6640 Освещение
6690 Дополнительное освещение
6760 Дополнительное освещение
1340 Электрооборудование
1360 Электрооборудование
6240 Установка звукового сигнала
6250 Сигнал предупреждающий
6260 Проблесковый маячок
6360 Прикуриватель
6620 Установка звукового сигнала
6630 Сигнал предупреждающий
6680 Приборы
6750 Приборы
6410 Замок зажигания
1370 Жгуты проводов
6580 Жгуты проводов
6700 Жгуты проводов
6770 Жгуты проводов
6540 Установка насоса
1200 Стрела
1210 Установка стрелы
1220 Быстроразъемное соединение
1230 Ковш
1240 Блокировка стрелы
2150 Привод хода
6150 Ковш
6160 Ковш
6170 Нож
6180 Нож с зубьями
6310 Вилы
6650 Крепление рабочего оборудования
6660 Крепление рабочего оборудования
6710 Стрела
6720 Быстроразъемное соединение
6730 Быстроразъемное соединение
6740 Защита ковша
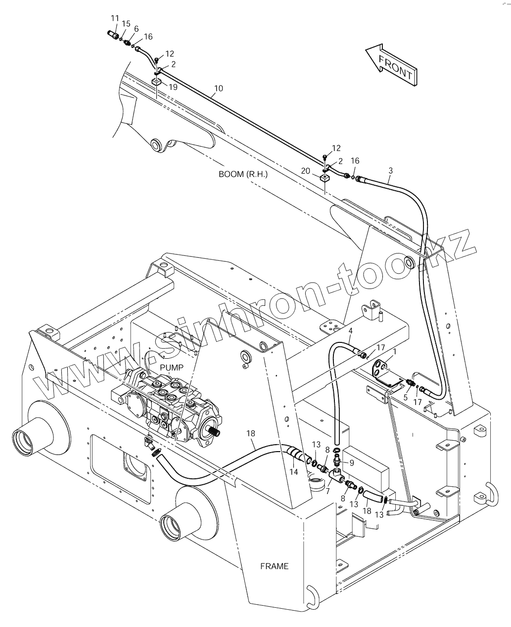
1
10
11
12
12
13
13
13
14
15
16
16
17
17
18
18
19
2
2
20
3
4
5
6
7
8
8
9
Позиция на иллюстрации
Заводской номер детали
Название детали
1
K1020604
BRACKET
10
K1020466
TUBE
11
K1020073
COUPLER
12
S0509263
BOLT
13
S8450023
CLAMP
14
K1022550
PROTECTOR;HOSE (L=110CM)
15
S8040101
O-RING
16
S8030081
O-RING
17
S8030101
O-RING
18
K1022543
HOSE;BULK (L=100CM)
19
K1020209
BLOCK
2
K1020101
CLIP
20
K1020210
BLOCK
3
K1020457
HOSE
4
DS2019004
HOSE
5
K1020458
ADAPTER
6
K1020463
ADAPTER
7
K1020084
TEE
8
K1020103
ADAPTER
9
K1020102
ADAPTER
K1023347
K1023347
ATTACH RETURN PIPING
Содержащиеся в справочниках-каталогах запасные части и детали не предлагаются к продаже, а носят исключительно информационный характер
Дополнительная информация
×
Название:
Номер:
Примечание: