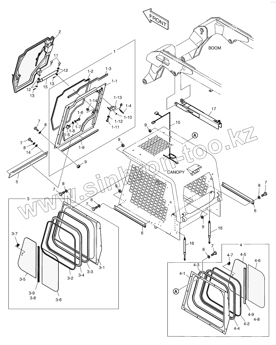
Каталог запасных частей к технике: Doosan Мини-погрузчик 430 Plus. 6270 Установка двери
1
1-1
1-10
1-11
1-12
1-13
1-14
1-2
1-3
1-4
1-5
1-6
1-7
1-8
1-9
10
11
12
12
13
13
14
15
16
16
17
2
3
3-1
3-2
3-3
3-4
3-5
3-6
3-7
3-8
3-9
4
4-1
4-2
4-3
4-4
4-5
4-6
4-7
4-8
4-9
5
5
6
6
7
7
7
7
7
7
8
8
8
8
8
8
9
9
9
9
9
| Позиция на иллюстрации | Заводской номер детали | Название детали | |
|---|---|---|---|
| 1 | K1021076 | FRONT DOOR FRAME | |
| 1-1 | BUCKET;WELD | ||
| 1-10 | K1021078 | PLATE;NAME(WIPER) | |
| 1-11 | S3450973 | SCREW M6X1.0X16 | |
| 1-12 | S5010313 | WASHER;PLAIN | |
| 1-13 | K1021156 | BRACKET | |
| 1-14 | K1020901 | BUSHING | |
| 1-2 | K1019747 | STRIP;BULK | |
| 1-3 | K1019087 | STRIP;BULK | |
| 1-4 | K1019067 | SWITCH;TOGGLE | |
| 1-5 | K1020900 | STRIKER | |
| 1-6 | S0508863 | BOLT | |
| 1-7 | K1023146 | WASHER;HARDENED | |
| 1-8 | S5100503 | WASHER | |
| 1-9 | K1019748 | STRIP | |
| 10 | K1021167 | HARNESS;WIPER | |
| 11 | S5760212 | PIN;CLEVIS | |
| 12 | K1019716 | SPACER | |
| 13 | S180333H | PIN | |
| 14 | S5100503 | WASHER | |
| 15 | DS1003005 | SPRING;GAS | |
| 16 | K1021131 | SPRING;GAS | |
| 17 | K1021451 | LOCK;BOOM | |
| 2 | K1021077 | DOOR ASS'Y;FRONT | |
| 3 | K1020875 | SIDE PANEL ASS'Y (L.H) | |
| 3-1 | K1020902 | PANEL;SIDE(LH) | |
| 3-2 | K1020904 | CHASSIS(L.H) | |
| 3-3 | K1019056 | HOUSING;RUBBER | |
| 3-4 | K1020906 | STRIP | |
| 3-5 | K1020881 | GLASS | |
| 3-6 | K1020882 | GLASS | |
| 3-7 | K1020883 | HANDLE | |
| 3-8 | K1020884 | HOLDER | |
| 3-9 | K1020885 | BRUSH | |
| 4 | K1020876 | SIDE PANEL ASS'Y (R.H) | |
| 4-1 | K1020903 | PANEL;SIDE(RH) | |
| 4-2 | K1020905 | CHASSIS(R.H) | |
| 4-3 | K1019056 | HOUSING;RUBBER | |
| 4-4 | K1020906 | STRIP | |
| 4-5 | K1020881 | GLASS | |
| 4-6 | K1020882 | GLASS | |
| 4-7 | K1020883 | HANDLE | |
| 4-8 | K1020884 | HOLDER | |
| 4-9 | K1020885 | BRUSH | |
| 5 | K1020899 | PLATE;LOWER | |
| 5 | K1020899A | PLATE;LOWER | |
| 6 | K1021165 | PLATE;SIDE | |
| 7 | S0508663 | BOLT | |
| 8 | K1023146 | WASHER;HARDENED | |
| 9 | S4012533 | NUT M8X1.25 | |
| K1023362 | K1023362 | HARD CAB |
Содержащиеся в справочниках-каталогах запасные части и детали не предлагаются к продаже, а носят исключительно информационный характер