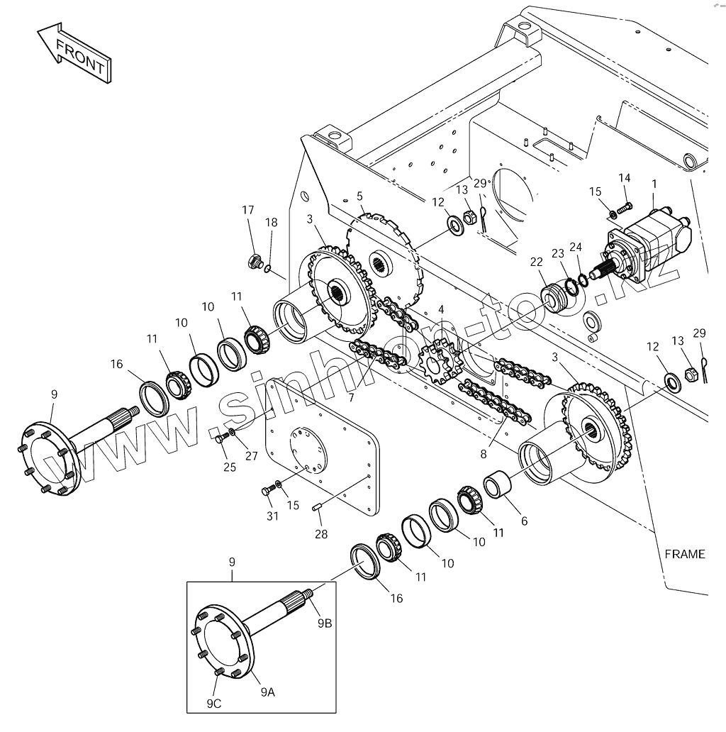
Каталог запасных частей к технике: Doosan Мини-погрузчик 430 Plus. 2150 Привод хода
1
1
10
10
10
10
11
11
11
11
12
12
13
13
14
15
15
16
16
17
18
22
23
24
25
27
28
29
29
3
3
31
4
5
6
7
8
9
9
9
9
9A
9A
9B
9C
| Позиция на иллюстрации | Заводской номер детали | Название детали | |
|---|---|---|---|
| 1 | K1022749 | DRIVE MOTOR | |
| 1 | K1022749A | DRIVE MOTOR | |
| 10 | K1022320 | CUP;BEARING | |
| 11 | K1022321 | BEARING;TAPER ROLLER | |
| 12 | K1020307 | WASHER;HARDENED | |
| 13 | S4276933 | NUT;CASTLE | |
| 14 | K1023108 | BOLT | |
| 15 | K1023137 | WASHER;HARDENED | |
| 16 | K1022403 | SEAL;OIL | |
| 17 | K1019707 | PLUG | |
| 18 | K1023056 | O-RING | |
| 22 | K1021025 | BEARING;ROLLER | |
| 23 | S6510520 | RING;SNAP | |
| 24 | S6500380 | RING;SNAP | |
| 25 | S0512063 | BOLT | |
| 27 | K1023147 | WASHER;HARDENED | |
| 28 | S5701190 | PIN;PARALLEL | |
| 29 | S5735611 | PIN;SPLIT | |
| 3 | K1022317 | SPROCKET;DRIVEN | |
| 31 | S0515063 | BOLT | |
| 4 | K1020304 | SPROCKET;MOTOR | |
| 5 | K1020305 | DISC | |
| 6 | K1022313 | SPACER | |
| 7 | K1021086 | CHAIN;FRONT | |
| 8 | K1021087 | CHAIN;REAR | |
| 9 | K1020869 | SHAFT;AXLE | |
| 9 | K1020869A | SHAFT;AXLE | |
| 9A | K1020306 | SHAFT;AXLE | |
| 9A | K1020306A | SHAFT;AXLE | |
| 9B | K1023109 | BOLT;STUD | |
| 9C | K1023102 | BOLT;HUB | |
| K1020256A | K1020256A | DRIVE MOTOR ASS'Y |
Содержащиеся в справочниках-каталогах запасные части и детали не предлагаются к продаже, а носят исключительно информационный характер