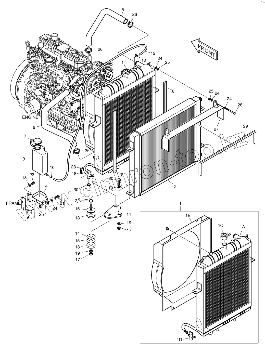
Каталог запасных частей к технике: Doosan Мини-погрузчик 430 Plus. 2130 Установка радиатора
1
1
10
10
11
12
13
13
14
15
16
17
17
18
18
19
19
19
1A
1B
1C
1D
2
20
21
22
23
23
24
24
24
24
25
25
25
26
26
26
26
27
28
29
3
30
4
5
6
7
8
8
9
| Позиция на иллюстрации | Заводской номер детали | Название детали | |
|---|---|---|---|
| 1 | K1022400 | RADIATOR ASS'Y | |
| 10 | S8450006 | CLAMP;HOSE | |
| 11 | K1022173 | PLATE | |
| 12 | K1022325 | HOSE;BULK (L=40CM) | |
| 13 | K1022326 | RUBBER | |
| 14 | K1022327 | SHIM | |
| 15 | K1022328 | SHIM | |
| 16 | K1023141 | WASHER | |
| 17 | K1023114 | NUT;LOCK | |
| 18 | K1023146 | WASHER;HARDENED | |
| 19 | K1023147 | WASHER;HARDENED | |
| 1A | K9003654 | RADIATOR | |
| 1B | K9003655 | SHROUD | |
| 1C | K1021134 | CAP | |
| 1D | K1019667 | COCK;DRAIN | |
| 2 | K1022358 | COOLER;HYD. OIL | |
| 20 | S0512063 | BOLT | |
| 21 | S0505263 | BOLT | |
| 22 | S0512663 | BOLT | |
| 23 | S0508663 | BOLT | |
| 24 | K1023130 | WASHER;HARDENED | |
| 25 | S4012333 | NUT M6X1.0 | |
| 26 | S8450023 | CLAMP | |
| 27 | K1022215 | COVER | |
| 28 | S0505753 | BOLT | |
| 29 | K1019091 | STRIP;BULK | |
| 3 | K1019097 | TANK;RESERVE | |
| 30 | S8000121 | O-RING | |
| 4 | K1019096 | PLATE;RESERVOIR MOUNT | |
| 5 | K1022175 | HOSE;RAD.INLET | |
| 6 | K1022176 | HOSE;RAD.OUTLET | |
| 7 | K1019638 | CAP;RESERVOIR | |
| 8 | K1023162 | SEAL | |
| 9 | K1020649 | BRACKET | |
| K1021303 | K1021303 | RADIATOR & OIL COOLER |
Содержащиеся в справочниках-каталогах запасные части и детали не предлагаются к продаже, а носят исключительно информационный характер