Каталог запасных частей к технике: Doosan Мини-погрузчик 430 Plus. 1300 Управление
1
1
10
10
10
10
11
11
12
12
13
13
14
14
15
15
15
15
16
16
16
16
17
17
17
17
17
17
18
18
19
19
2
2
20
20
21
21
22
23
24
24
25
25
26
26
27
27
28
28
29
29
3
30
30
30
30
31
31
31
31
31
31
31
31
32
32
32
32
33
33
34
35
36
36
37
37
38
38
38
38
4
5
5
6
6
7
8
9
9
9
9
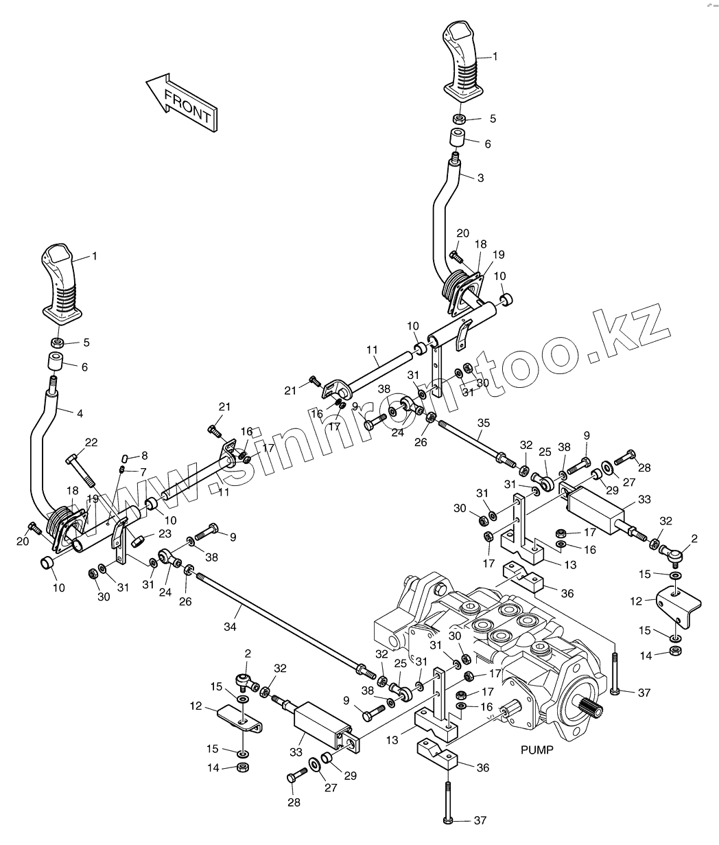
| Позиция на иллюстрации | Заводской номер детали | Название детали | |
|---|---|---|---|
| 1 | K1019993 | HANDLE(L.H) | |
| 10 | K1022262 | BUSHING | |
| 11 | K1020054 | SHAFT | |
| 12 | K1019802 | BRACKET | |
| 13 | K1020105 | BRACKET | |
| 14 | K1019800 | NUT;LOCK | |
| 15 | K1023147 | WASHER;HARDENED | |
| 16 | K1023146 | WASHER;HARDENED | |
| 17 | K1023115 | NUT;LOCK | |
| 18 | K1019785 | BOOT | |
| 19 | K1019786 | PLATE | |
| 2 | 2138-9002B | JOINT;BALL | |
| 20 | S0504463 | BOLT | |
| 21 | S0508863 | BOLT | |
| 22 | S0509863 | BOLT | |
| 23 | S4016533 | NUT | |
| 24 | K1020064 | LINK | |
| 25 | K1020063 | LINK | |
| 26 | K1023123 | NUT | |
| 27 | K1023149 | WASHER;HARDENED | |
| 28 | S0509363 | BOLT | |
| 29 | K1022251 | BEARING;SPHERICAL | |
| 3 | K1021239 | LEVER(R.H) | |
| 30 | K1023114 | NUT;LOCK | |
| 31 | K1023136 | WASHER;HARDENED | |
| 32 | S4036633 | NUT | |
| 33 | K1020107 | ADJUSTER;CENTERING | |
| 34 | K1021349 | ROD(L.H) | |
| 35 | K1021351 | ROD(R.H) | |
| 36 | K1020106 | BLOCK | |
| 37 | S0509963 | BOLT | |
| 38 | K1021244 | SPACER | |
| 4 | K1021238 | LEVER(L.H) | |
| 5 | S4030833 | NUT | |
| 6 | K1020245 | RING;RUBBER | |
| 7 | K1019735 | NIPPLE;GREASE | |
| 8 | K1019808 | CAP;GREASE NIPPLE | |
| 9 | S0512663 | BOLT | |
| K1021348 | K1021348 | CONTROL DRIVE |
Содержащиеся в справочниках-каталогах запасные части и детали не предлагаются к продаже, а носят исключительно информационный характер