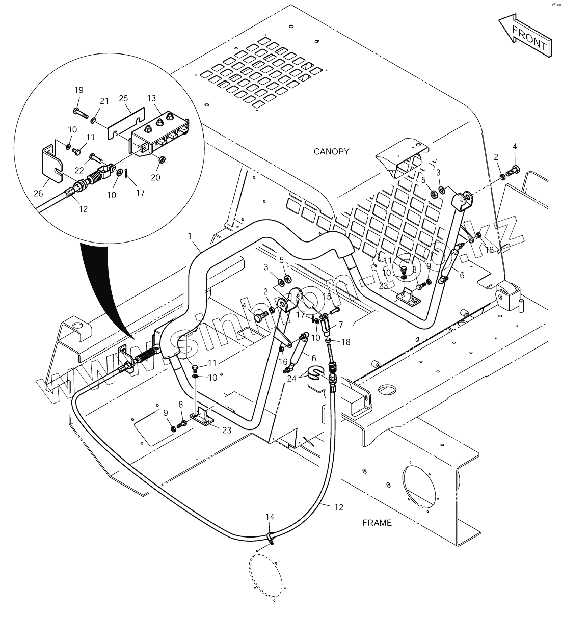
Каталог запасных частей к технике: Doosan Мини-погрузчик 430 Plus. 1270 Ограждение сиденья
1
10
10
10
10
10
11
11
11
12
12
13
14
15
16
16
17
17
18
19
2
2
20
21
22
23
23
24
25
26
3
3
4
4
5
5
6
6
7
8
8
9
9
| Позиция на иллюстрации | Заводской номер детали | Название детали | |
|---|---|---|---|
| 1 | K1019985 | BAR;SEAT | |
| 10 | K1023146 | WASHER;HARDENED | |
| 11 | S0508663 | BOLT | |
| 12 | K1020130 | CABLE | |
| 13 | K1019928 | LOCK;PEDAL | |
| 14 | K1022973 | CLIP | |
| 15 | S5760212 | PIN;CLEVIS | |
| 16 | K1023115 | NUT;LOCK | |
| 17 | S180333H | PIN | |
| 18 | S4016333 | NUT | |
| 19 | S0512263 | BOLT M10X1.5X30 | |
| 2 | K1022280 | SPACER | |
| 20 | S4016643 | NUT | |
| 21 | K1023136 | WASHER;HARDENED | |
| 22 | S5760192 | PIN | |
| 23 | K1019769 | BLOCK | |
| 24 | K1020099 | SPACER | |
| 25 | K1020013 | SPACER | |
| 26 | K1019996 | BRACKET | |
| 3 | S5000713 | WASHER;PLAIN | |
| 4 | S0560463 | BOLT | |
| 5 | S4016743 | NUT | |
| 6 | K1022290 | CYLINDER;GAS | |
| 7 | K1019640 | YOKE | |
| 8 | S0509063 | BOLT | |
| 9 | S4016543 | NUT | |
| K1020516 | K1020516 | SEAT BAR ASS'Y |
Содержащиеся в справочниках-каталогах запасные части и детали не предлагаются к продаже, а носят исключительно информационный характер