Каталог запасных частей к технике: Doosan Экскаватор SOLAR 175LC-V. 6470 Трубопроводы
1
1
1
2
2
2
2
2
2
3
3
3
3
3
3
4
4
4
5
6
7
7
8
9
11
12
12
12
12
13
15
15
15
15
16
18
19
20
20
20
20
21
21
21
21
22
23
24
25
26
27
28
29
30
31
33
101
101
101
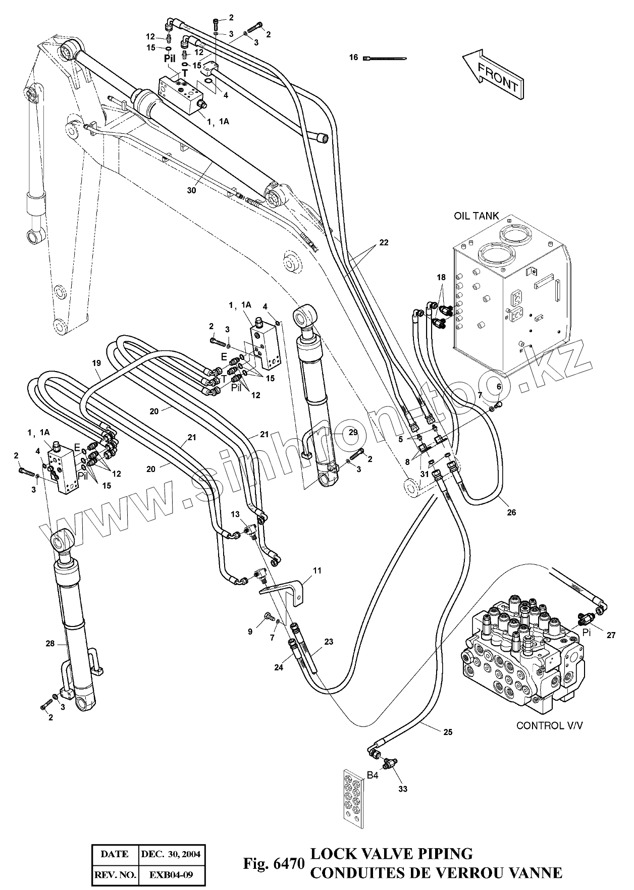
| Позиция на иллюстрации | Заводской номер детали | Название детали | |
|---|---|---|---|
| 1 | 420-00003A | VALVE;LOCK | |
| 2 | S2212666 | BOLT M10X1.5X50 | |
| 3 | S5110603 | WASHER;SPRING | |
| 4 | S8000281 | O-RING | |
| 5 | 181-00078D5 | ADAPTER PF1/4-PF3/8 | |
| 6 | S0515353 | BOLT M12X1.75X35 | |
| 7 | S5102703 | WASHER;SPRING M10 | |
| 8 | 197-00020 | BRACKET | |
| 9 | S0561053 | BOLT M12X1.75X65 | |
| 11 | 195-02115 | SUPPORT | |
| 12 | 2181-1126D14 | ADAPTER;S PFO-PF1/4 | |
| 13 | 181-00008 | TEE | |
| 15 | S8000111 | O-RING | |
| 16 | 2124-1622D2 | CLIP;BAND (200L) | |
| 18 | 2181-2281D21 | TEE | |
| 19 | DS2059383 | HOSE PF1/4-800L | |
| 20 | 2184-1062D12 | HOSE PF1/4-1400L | |
| 20 | 2184-1062D59 | HOSE PF1/4-1500L | |
| 21 | 2184-1062D12 | HOSE PF1/4-1400L | |
| 21 | 2184-1062D59 | HOSE PF1/4-1500L | |
| 22 | 2184-1046D260 | HOSE PF1/4-4740L | |
| 23 | 2184-1046D275 | HOSE PF3/8-1650L | |
| 24 | 2184-1060D145 | HOSE PF3/8-1700L | |
| 25 | 2184-1046D283 | HOSE PF3/8-2100L | |
| 26 | 2184-1060D79 | HOSE PF3/8-1450L | |
| 27 | 2181-2375D6 | TEE | |
| 28 | 440-00207 | CYLINDER;BOOM(L.H) | |
| 29 | 440-00208 | CYLINDER;BOOM(R.H) | |
| 30 | 440-00209 | CYLINDER;ARM | |
| 31 | 121-00010D1 | NUT | |
| 33 | 181-00086D2 | TEE 3PF3/8 | |
| 101 | K9000998 | SEAL KIT | |
| 400-01131 | 400-01131 | LOCK VALVE PIPING |
Содержащиеся в справочниках-каталогах запасные части и детали не предлагаются к продаже, а носят исключительно информационный характер