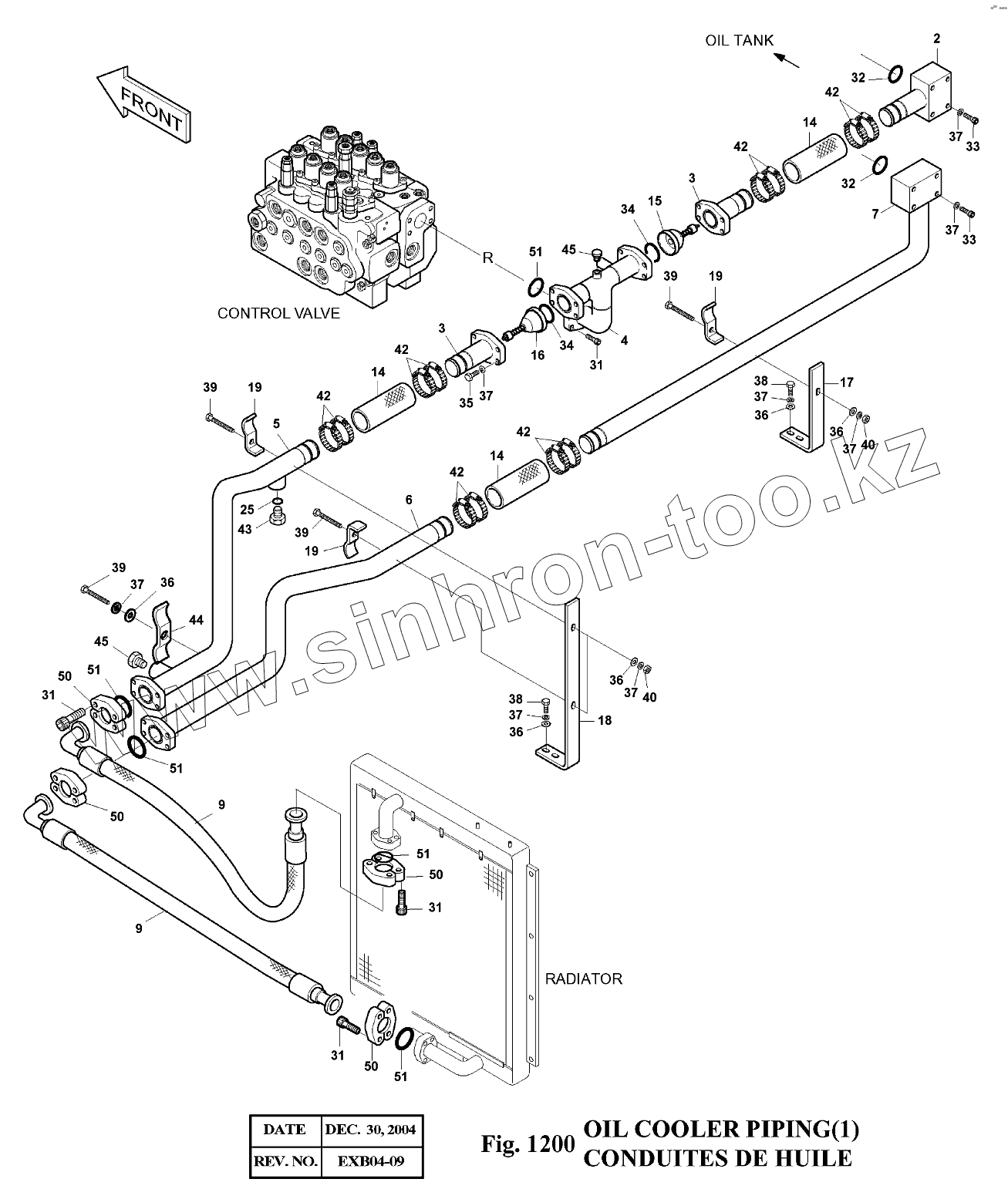
Каталог запасных частей к технике: Doosan Экскаватор SOLAR 175LC-V. 1200 Трубопроводы маслоохладителя
2
3
3
4
5
6
7
9
9
14
14
14
14
14
14
15
16
17
18
19
19
19
25
31
31
31
31
32
32
33
33
34
34
35
36
36
36
36
36
37
37
37
37
37
37
37
37
38
38
39
39
39
39
40
40
42
42
42
42
42
42
43
44
45
45
50
50
50
50
51
51
51
51
51
| Позиция на иллюстрации | Заводской номер детали | Название детали | |
|---|---|---|---|
| 2 | 140-00128 | PIPE | |
| 3 | 2140-1185A | PIPE | |
| 4 | 140-00119 | PIPE | |
| 5 | 140-00120A | PIPE | |
| 6 | 140-00121A | PIPE | |
| 7 | 140-01371 | PIPE | |
| 9 | 2184-1100D205 | HOSE-730L | |
| 14 | 2185-1776D2 | HOSE-200L | |
| 14 | 2185-1776D3 | HOSE-170L | |
| 15 | 2420-1125B | VALVE;BY-PASS 4.5K | |
| 16 | 2420-1124B | VALVE;BY-PASS 3.0K | |
| 17 | 195-00164 | PLATE | |
| 18 | 195-00165 | PLATE | |
| 19 | 2124-1224D2 | CLAMP | |
| 25 | S8000291 | O-RING | |
| 31 | S2215366 | BOLT;SOCKET M12X1.75X35 | |
| 32 | 2180-1026D28 | O-RING | |
| 33 | S0561253 | BOLT M12X1.75X75 | |
| 34 | 2180-1026D27 | O-RING | |
| 35 | S0560953 | BOLT M12X1.75X60 | |
| 36 | S5010713 | WASHER;PLAIN | |
| 37 | S5102703 | WASHER;SPRING M10 | |
| 38 | S0515353 | BOLT M12X1.75X35 | |
| 39 | S0561353 | BOLT M12X1.75X80 | |
| 40 | S4012733 | NUT M12 | |
| 42 | S8470075 | CLAMP | |
| 43 | 2181-1950D9 | PLUG PFO1 | |
| 44 | 2124-1340D6 | CLAMP | |
| 45 | 2181-2047A | PLUG | |
| 50 | 4215-1003D5 | FLANGE;SPLIT | |
| 51 | 2180-1026D28 | O-RING | |
| 400-01207 | 400-01207 | OIL COOLER PIPING |
Содержащиеся в справочниках-каталогах запасные части и детали не предлагаются к продаже, а носят исключительно информационный характер