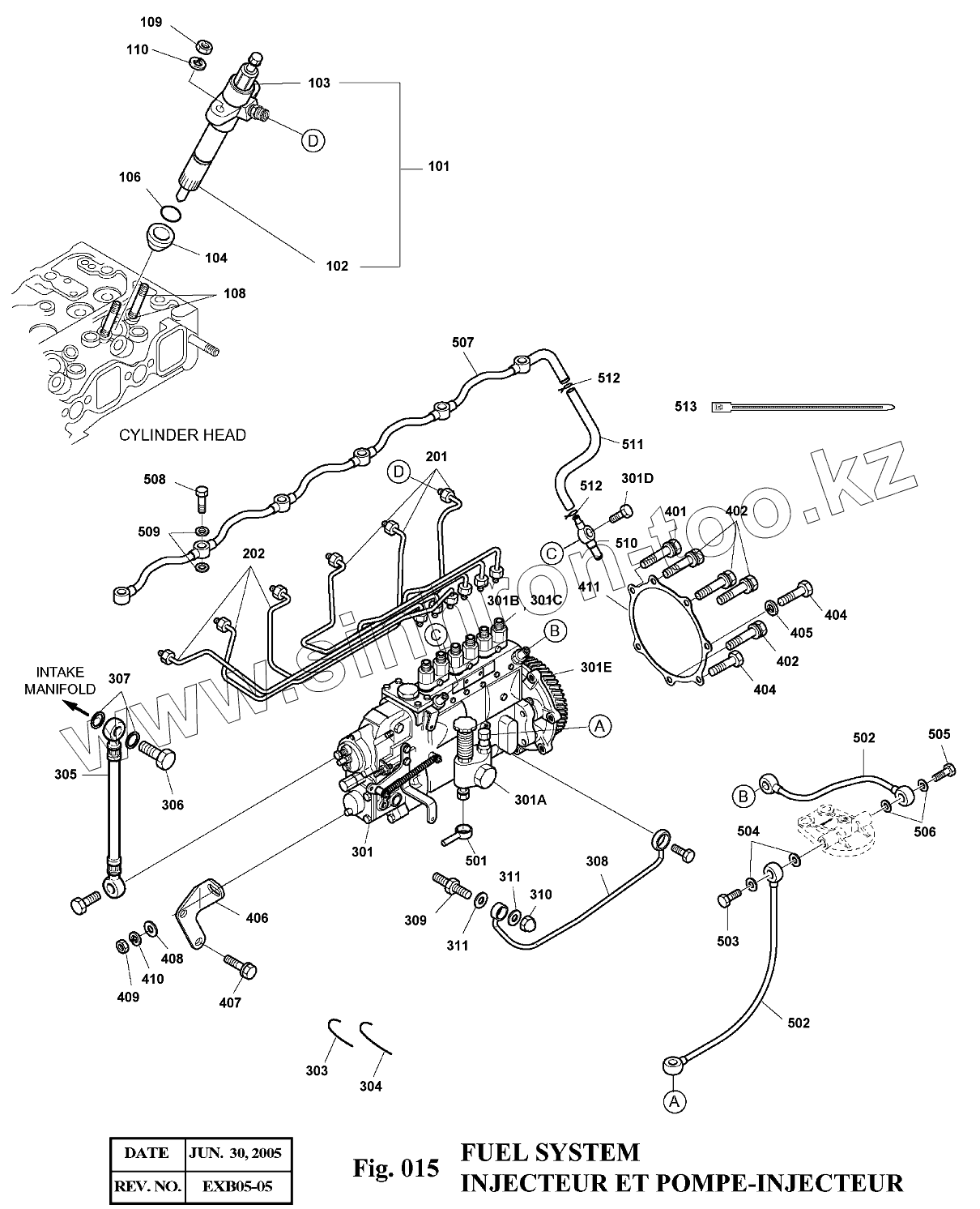
Каталог запасных частей к технике: Doosan Экскаватор SOLAR 175LC-V. 015 Топливная система
101
102
103
104
106
108
109
110
201
202
301
301
303
304
305
306
307
308
309
310
311
311
401
402
402
404
404
405
406
407
408
409
410
411
501
502
502
503
504
505
506
507
508
509
510
511
512
512
513
3011
3012
3013
3014
3015
| Позиция на иллюстрации | Заводской номер детали | Название детали | |
|---|---|---|---|
| 101 | 65.10101-7091 | NOZZLE HOLDER ASS'Y | |
| 102 | 65.10102-6061 | NOZZLE | |
| 103 | 105031-3862 | HOLDER;NOZZLE | |
| 104 | 65.96507-0051 | RING;SEAL | |
| 106 | 65.96507-0050 | RING;SEAL | |
| 108 | 65.90201-0099 | BOLT;STUD | |
| 109 | 06.11063-8214 | Nut | |
| 110 | 06.16731-2107 | Washer | |
| 201 | 65.10301-6088 | PRESSURE PIPE ASS'Y | |
| 202 | 65.10301-6089 | PRESSURE PIPE ASS'Y | |
| 301 | 65.11101-7389 | PUMP;INJECTION | |
| 301 | 65.11101-7389A | PUMP;INJECTION | |
| 303 | 65.11596-0001 | WIRE;SEAL | |
| 304 | 65.11596-0002 | WIRE;SEAL | |
| 305 | 65.08301-6010A | HOSE;AIR | |
| 306 | 65.98150-0053B | SCREW;HOLLOW | |
| 307 | 06.56180-0714 | RING;SEAL | |
| 308 | 65.05701-5200 | PIPE;OIL | |
| 309 | 65.98155-0011 | UNION;HOLLOW | |
| 310 | 06.12172-9314 | NUT;CAP | |
| 311 | 06.56180-0714 | RING;SEAL | |
| 401 | 06.01913-3122 | Bolt | |
| 402 | 06.01913-3124 | BOLT ASS'Y M8X65 | |
| 404 | 06.01283-7128 | BOLT;HEXM8X85 | |
| 405 | 06.16731-2107 | Washer | |
| 406 | 65.11401-0002C | BRACKET;REAR | |
| 407 | 06.01953-3213 | BOLT ASS'Y M10X1.25X20 | |
| 408 | 06.15010-2312 | Washer | |
| 409 | 06.11063-9215 | NUT M10X1.25 | |
| 410 | 06.16731-2108 | Washer | |
| 411 | 65.11902A0001 | GASKET;INJECTION PUMP | |
| 501 | 65.12301-5022 | PIPE;FUEL | |
| 502 | 65.96341-0100 | HOSE;FUEL | |
| 503 | 06.78144-2204 | Screw | |
| 504 | 65.96507-0043 | Ring | |
| 505 | 06.78144-2204 | Screw | |
| 506 | 65.96507-0043 | Ring | |
| 507 | 65.12301-5824 | PIPE;FUEL | |
| 508 | 65.98150-0015B | SCREW;HOLLOW | |
| 509 | 06.56180-0712 | Ring | |
| 510 | 65.12301-5825 | PIPE;FUEL(RETURN) | |
| 511 | 65.96301-0176 | HOSE;RUBBER | |
| 512 | 65.97401-0089 | CLIP | |
| 513 | 65.97460-0002 | CABLE TIA | |
| 3011 | 105220-6280 | FEED PUMP | |
| 3012 | 131150-2620 | PLUNGER | |
| 3013 | 131110-5520 | VALVE;DELIVERY | |
| 3014 | 131424-1520 | VALVE;OVERFLOW | |
| 3015 | 156639-882B | COUPLING |
Содержащиеся в справочниках-каталогах запасные части и детали не предлагаются к продаже, а носят исключительно информационный характер