Вернуться на главную
Поиск
Каталоги запчастей к технике
Спецтехника
Doosan
Экскаватор SOLAR 140LC-V
1680 Электрооборудование
Каталог запасных частей к технике: Doosan Экскаватор SOLAR 140LC-V. 1680 Электрооборудование
zoom-in
zoom-out
enlarge
shrink
circle-right
circle-left
file-text2
info
cart
Тип техники
Не выбрано
Легковые автомобили
Грузовые автомобили и прицепы
Автобусы
Сельхозтехника
Спецтехника
Двигатели
Мототехника
Марка
Не выбрано
Ammann
BOMAG
CARMIX
CASE IH
Changlin
ChengGong
Dimex
Doosan
DYNAPAC
Foton
HAMM
Hidromek
Hitachi
Hyundai
JCB
JLG
John Deere
Komatsu
LIEBHERR
LiuGong
Lonking (LongGong)
Luneng
MANITOU
Mitsuber
New Holland
PENGPU
RM-Terex
SANY
SDLG
SEM
Shantui
Shehwa HBXG
Soosan
TIGARBO
VOGELE
Volvo
WAY
WIRTGEN
XCMG
XGMA
Xiamen
YTO
Yuchai
Zoomlion
Автокран
АЗСМ
Алтайлесмаш
Амкодор
АОМЗ
Атек
АТЗ
Балканкар Рекорд
БелАЗ
Беловеж
Борекс
Брянский Арсенал
Булат
ВЭКС
ГАЗ
Геомаш
Гидромаш
Донекс
Дормаш
Дормашина
Дорэлектромаш
ДЭЗ
ЕлАЗ
ЗЗГТ
Ижнефтемаш
Канаш-электрокар
КЗКТ
ККЗ
Клевер
Клинцовский автокрановый завод
КМЗ
КМЗ 1 Мая
Ковровец
Коммаш
Кранэкс
КЭЗ
КЭМЗ
ЛЗА
МАЗ
МЗИК
МЗКМ
МЗКТ
Михневский РМЗ
МоАЗ
Мозырский МЗ
МТЗ
ОЗП
Онежец
ПАО "ТЗА"
ППС Детва
Промтрактор
ПТЗ
Раскат
СпецАгрегат
ТВЭКС
ТТМ
УВЗ
Угличмаш
УЗТМ
ХТЗ
ЧЗКМ
ЧСДМ
ЧТЗ
ЭКСКО
ЭКСМАШ
ЮрМаш
Модель
Не выбрано
DL220 (2010)
DX140W (2017)
DX225LC (2009)
DX225LCA (2012)
S225LC-V (2009)
S340LC-V (2009)
S500LC-V (2007)
SOLAR 130W-V(1) (2017)
SOLAR 130W-V(2) (2017)
SOLAR 140W-V (2017)
SOLAR 140W-V & S160W-V (2017)
SOLAR 160W-V (2017)
SOLAR 170W-V (2017)
SOLAR 180W-V (2017)
SOLAR 210W-V (2017)
SOLAR 255LC-V (DI EXP) (2017)
SOLAR 420LC-V (2017)
Мини-погрузчик 430 Plus (2010)
Мини-погрузчик 440 Plus (2010)
Мини-погрузчик 450 Plus (2010)
Мини-погрузчик 450 Plus (Tier3) (2010)
Мини-погрузчик 460 Plus (2010)
Мини-погрузчик 460 Plus (Tier3) (2010)
Мини-погрузчик 470 Plus (2010)
Экскаватор SOLAR 140LC-V (2010)
Экскаватор SOLAR 175LC-V (2010)
Схема
>
Не выбрано
000 Экскаватор гусеничный SOLAR 140LC-V
1460 Установка кабины
1470 Кабина в сборе
1390 Сиденье
1400 Установка сиденья
1410 Сиденье
1420 Установка сиденья
1430 Сиденье
1480 Кабина
1490 Кабина
1500 Кабина
1510 Кабина
1520 Кабина
1530 Опора
1540 Опора
6240 Пол кабины
6250 Пол кабины
6260 Пол кабины
6200 Люк крыши
1550 Крышка боковая левая
1560 Крышка боковая правая
1570 Крышки нижние
1580 Крышка аккумуляторной батареи
1590 Крышка двигателя
1600 Экран
1610 Экран
1620 Шумоизоляция
1621 Шумоизоляция
1630 Шумоизоляция
1640 Крышки нижние
5120 Таблички
5130 Таблички
5140 Таблички
5150 Таблички
6170 Защита кабины
6180 Крышки двигателя
6190 Шторка солнцезащитная
6210 Защита кабины
6220 Крышки для тропиков
6810 Шумоизоляция
1440 Воздухопроводы
1450 Крышка отопителя
1780 Отопление и вентиляция
1790 Отопление и вентиляция
1800 Отопление и вентиляция
1100 Рама поворотная
1110 Установка двигателя
001 Блок цилиндров
002 Картер шестерен
003 Картер маховика
004 Вал коленчатый
005 Головка цилиндров
006 Клапанный механизм
019 Комплект прокладок
020 Комплект прокладок
007 Масляный насос
008 Масляный фильтр
009 Маслоохладитель
010 Масляный картер
013 Впускной и выпускной коллектор
014 Турбокомпрессор
015 Топливная система
016 Топливный фильтр
1150 Установка воздушного фильтра
1155 Фильтр воздушный
1180 Топливный бак
1200 Управление двигателем
6100 Установка воздушного фильтра
6110 Топливный насос
6800 Топливный фильтр
1140 Глушитель
6820 Каталитический глушитель
011 Термостат
012 Водяной насос, вентилятор
1120 Радиатор
1121 Радиатор
1130 Расширительный бачок
2100 Тележка гусеничная
6270 Гусеничная тележка
6340 Рама
6350 Рама
2130 Механизм натяжения
2131 Механизм натяжения
2110 Каток нижний
2120 Каток верхний
2140 Колесо направляющее
2141 Колесо направляющее
2150 Гусеница
6280 Гусеница
6300 Гусеница
6310 Гусеница
6320 Гусеница
6330 Гусеница
1370 Консоль управления левая
1380 Консоль управления правая
6410 Консоль
1190 Масляный бак
1210 Трубопроводы маслоохладителя
1220 Трубопроводы маслоохладителя
1230 Трубопроводы маслоохладителя
1240 Трубопроводы управления
1250 Трубопроводы управления
1260 Трубопроводы управления
1270 Трубопроводы управления
1280 Трубопроводы управления
1290 Трубопроводы управления
1300 Трубопроводы управления
1310 Трубопроводы управления
1320 Трубопроводы управления
1330 Трубопроводы управления
1340 Трубопроводы управления
1350 Трубопроводы управления
1360 Трубопроводы управления
2160 Центральный коллектор
2170 Трубопроводы
3130 Трубопроводы
3140 Трубопроводы смазочные
4110 Регулятор передний
4115 Регулятор задний
4120 Гидравлический насос
4130 Мотор поворотный
4140 Поворотный редуктор
4150 Ходовой редуктор
4160 Ходовой мотор
4170 Гидрораспределитель
4180 Гидрораспределитель
4190 Клапан дистанционного управления
4200 Клапан педали
4210 Клапан педали
4220 Клапан
4230 Клапан
4240 Клапан
4250 Гидроцилиндр стрелы левый
4260 Гидроцилиндр стрелы правый
4270 Гидроцилиндр рукояти
4280 Гидроцилиндр ковша
4290 Гидроцилиндр рукояти
4300 Гидроцилиндр стрелы левый
4310 Гидроцилиндр стрелы правый
4320 Центральный коллектор
4330 Гидроцилиндр отвала
4340 Гидроцилиндр отвала
4350 Гидроцилиндр рукояти
4360 Гидроцилиндр стрелы левый
4370 Гидроцилиндр стрелы правый
4380 Гидроцилиндр рукояти
4390 Гидроцилиндр стрелы левый
4400 Гидроцилиндр стрелы правый
4410 Клапан управления отвалом
4420 Клапан
6290 Трубопроводы
6390 Трубопроводы отвала
6400 Трубопроводы отвала
6440 Трубопроводы
6470 Трубопроводы
6490 Трубопроводы
6500 Трубопроводы
6640 Трубопроводы
6650 Трубопроводы
6660 Трубопроводы
6670 Трубопроводы
6680 Трубопроводы
6690 Трубопроводы
6700 Трубопроводы
6710 Трубопроводы
6720 Трубопроводы
6730 Трубопроводы
6740 Трубопроводы
6750 Трубопроводы
6760 Трубопроводы
6770 Трубопроводы
6780 Трубопроводы
6790 Датчик давления
017 Установка генератора
018 Стартер
6150 Генератор
6120 Лампа
6130 Проблесковый маячок
1660 Электрооборудование
1670 Электрооборудование
1680 Электрооборудование
1690 Электрооборудование
1700 Электрооборудование
1710 Электрооборудование
1720 Электрооборудование
1730 Электрооборудование
1740 Электрооборудование
6140 Предупреждающий сигнал
6160 Индикатор перегрузки
6230 Фильтр противошумный
1750 Жгуты проводов
1760 Жгуты проводов
1770 Жгуты проводов
1160 Установка насоса
4100 Насос
1170 Механизм поворота
3100 Стрела
3110 Рукоять
3120 Ковш
6360 Отвал
6370 Отвал
6380 Отвал
6420 Стрела
6430 Рукоять
6460 Рукоять
6480 Рукоять
6510 Ковш
6520 Ковш
6530 Ковш
6540 Ковш
6550 Ковш
6560 Ковш
6570 Ковш
6580 Ковш
6590 Ковш
6600 Ковш
6610 Ковш
6620 Ковш
6630 Ковш
1650 Трубопроводы смазочные
6450 Трубопроводы смазочные
5100 Инструменты
5110 Запасные части
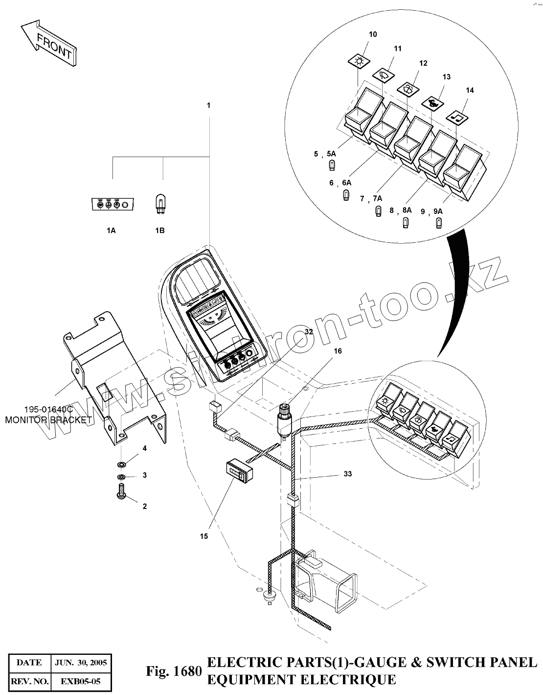
1
1
2
3
4
5
6
7
8
9
10
11
12
13
14
15
16
32
33
101
102
501
601
701
801
901
Позиция на иллюстрации
Заводской номер детали
Название детали
1
539-00048C
PANEL;LCD GAUGE
1
539-00048E
PANEL;LCD GAUGE
2
S3450853
SCREW M5X0.8X16
3
S5100203
WASHER;SPRING
4
S5000213
WASHER;PLAIN
5
2549-9109
SWITCH;LAMP
6
2549-9109
SWITCH;LAMP
7
2549-9110
SWITCH;WASHER
8
2549-9109
SWITCH;LAMP
9
2549-9098
SWITCH;OVERLOAD WARNING
10
2190-2036D24
INSERT;LAMP
11
2190-2036D11
INSERT;WIPER
12
2190-2036D12
INSERT;WASHER
13
2190-2036D13
INSERT;HIGH SPEED
14
2190-2036D23
INSERT;CAR STEREO
15
2528-9040
METER;HOUR
16
545-00001
LIGHTER;CIGAR
32
530-00231A
HARNESS;GAUGE PANEL JOINT
33
530-00209
HARNESS;SWITCH BOX
101
159-00195
SHEET;SWITCH
102
515-00012A
BULB
501
K9000353
LAMP;PILOT
601
K9000353
LAMP;PILOT
701
K9000353
LAMP;PILOT
801
K9000353
LAMP;PILOT
901
K9000353
LAMP;PILOT
500-00261B
500-00261B
ELECTRIC PARTS(4)
500-00261E
500-00261E
ELECTRIC PARTS(4)
500-00261G
500-00261G
ELECTRIC PARTS(4)
500-00261H
500-00261H
ELECTRIC PARTS(4)
Содержащиеся в справочниках-каталогах запасные части и детали не предлагаются к продаже, а носят исключительно информационный характер
Дополнительная информация
×
Название:
Номер:
Примечание: