Каталог запасных частей к технике: Doosan Экскаватор SOLAR 140LC-V. 1290 Трубопроводы управления

zoom-in zoom-out enlarge shrink circle-right circle-left file-text2 info cart
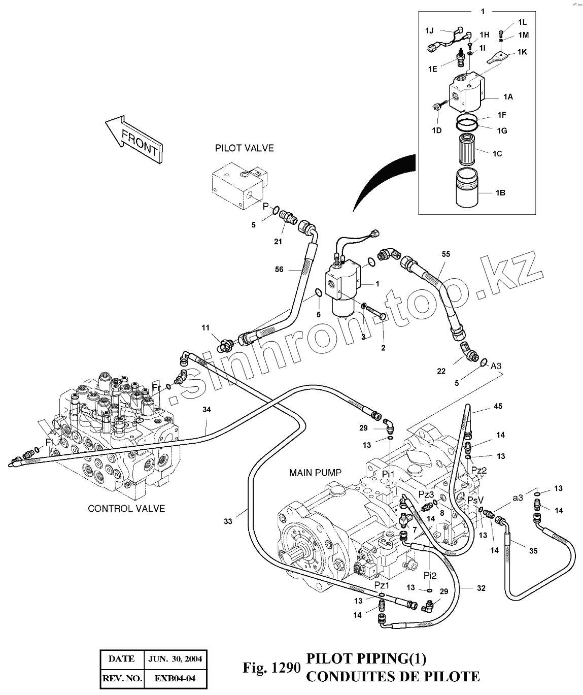
1
1
2
3
5
5
5
7
8
11
13
13
13
13
13
13
14
14
14
14
14
21
22
29
29
32
33
34
35
45
55
56
101
102
103
104
105
106
107
108
109
110
111
112
113
Позиция на иллюстрации Заводской номер детали Название детали
1 471-00075A FILTER;PILOT
2 S0553753 BOLT M6X1.0X55
3 S5102303 WASHER;SPRING M6
5 S8000181 O-RING
7 2181-4125 TEE 3-PF1/4
8 S8000141 O-RING
11 2181-1702D2 ELBOW
13 S8000111 O-RING
14 2181-1126D14 ADAPTER;S PFO-PF1/4
21 2181-1126D6 ADAPTER
22 2181-2419D3 ELBOW
29 2181-1702D4 ELBOW
32 2184-1045D112 HOSE PF1/4-510L
33 2184-1046D73 HOSE PF1/4-1900L
34 2184-1046D62 HOSE PF1/4-1850L
35 2184-1061D13 HOSE PF1/4-620L
45 2184-1045D112 HOSE PF1/4-510L
55 2184-1026D337 HOSE PF1/2-310L
56 2184-1036D286 HOSE PF1/2-360L
101 BUCKET;WELD
102 2472-7003 CASE
103 2471-1154 ELEMENT;PILOT FILTER
104 2426-1237 VALVE;BY-PASS
105 2471-1155A INDICATOR
106 Y-3738-04 RING;BACK UP
107 Y-3738-05 O-RING
108 BUCKET;WELD
109 BUCKET;WELD
110 530-00236 HARNESS;PILOT FILTER
111 2197-1661 BRACKET;HOUSING W9
112 S0508653 BOLT M8X1.25X16
113 S5102503 WASHER;SPRING
400-01357 400-01357 PILOT PIPING
Содержащиеся в справочниках-каталогах запасные части и детали не предлагаются к продаже, а носят исключительно информационный характер