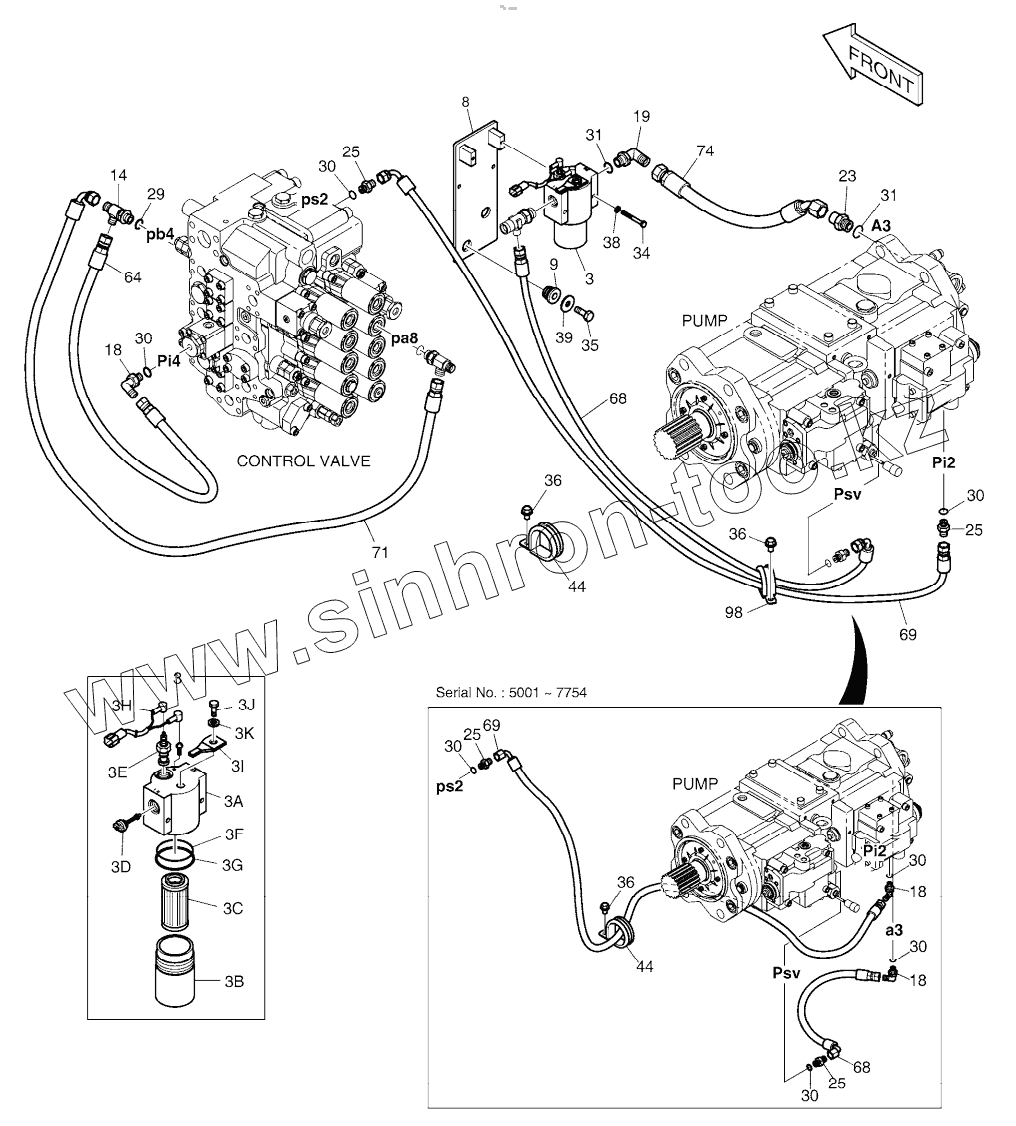
Каталог запасных частей к технике: Doosan DX225LCA. PILOT PIPING (1)
K1044664A
K1044664A
K1044664A
3
3
3A
3B
3C
3D
3E
3F
3G
3H
3I
3J
3K
8
9
14
18
18
18
18
18
18
18
18
19
23
25
25
25
25
29
30
30
30
30
30
30
30
30
30
30
30
30
30
30
31
31
34
35
36
36
36
36
36
36
38
39
44
44
64
68
68
68
68
68
68
69
69
69
69
69
69
71
74
98
| Позиция на иллюстрации | Заводской номер детали | Название детали | |
|---|---|---|---|
| K1044664A | K1044664A | PILOT PIPING | |
| 3 | 471-00075A | FILTER;PILOT | |
| 3A | HEAD | Head | |
| 3B | 2472-7003 | CASE | |
| 3C | 2471-1154 | ELEMENT;PILOT FILTER | |
| 3D | 2426-1237 | VALVE;BY-PASS | |
| 3E | 2471-1155A | INDICATOR | |
| 3F | Y-3738-04 | RING;BACK UP | |
| 3G | Y-3738-05 | O-RING | |
| 3H | 530-00236 | HARNESS;PILOT FILTER | |
| 3I | 2197-1661 | BRACKET;HOUSING W9 | |
| 3J | S0508653 | BOLT M8X1.25X16 | |
| 3K | S5102503 | WASHER;SPRING | |
| 8 | 195-02716C | BRACKET, FILTER | |
| 9 | 198-00016 | RUBBER | |
| 14 | 2181-1951D6 | TEE | |
| 18 | 2181-1702D4 | ELBOW | |
| 18 | 2181-1702D4 | ELBOW | |
| 19 | 2181-1702D2 | ELBOW | |
| 23 | 2181-1126D6 | ADAPTER | |
| 25 | 2181-1126D14 | ADAPTER;S PFO-PF1/4 | |
| 29 | S8000141 | O-RING | |
| 30 | S8000111 | O-RING | |
| 30 | S8000111 | O-RING | |
| 31 | S8000181 | O-RING | |
| 34 | S0553766 | BOLT | |
| 35 | S0512266 | BOLT | |
| 36 | K1001029 | BOLT | |
| 36 | K1001029 | BOLT | |
| 38 | S5102303 | WASHER;SPRING M6 | |
| 39 | 2114-1058D10 | WASHER | |
| 44 | 124-00208D9 | Clip | |
| 64 | DS2094053 | HOSE | |
| 68 | DS2093180 | HOSE PF1/4-450L | |
| 68 | 2184-1046D94 | HOSE PF1/4-780L | |
| 69 | DS2093182 | HOSE PF1/4-2350L | |
| 69 | 2184-1046D120 | Hose | |
| 71 | DS2093003 | HOSE | |
| 74 | DS2054133 | HOSE | |
| 98 | 124-00208D6 | CLIP D38/M8 |
Содержащиеся в справочниках-каталогах запасные части и детали не предлагаются к продаже, а носят исключительно информационный характер