Вернуться на главную
Поиск
Каталоги запчастей к технике
Спецтехника
Doosan
DX225LCA
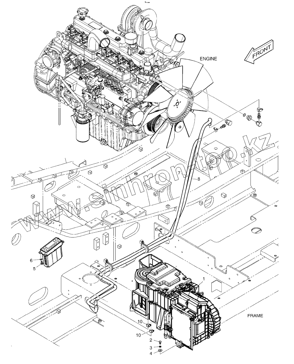
HEATER PIPING (1)
Каталог запасных частей к технике: Doosan DX225LCA. HEATER PIPING (1)
zoom-in
zoom-out
enlarge
shrink
circle-right
circle-left
file-text2
info
cart
Тип техники
Не выбрано
Легковые автомобили
Грузовые автомобили и прицепы
Автобусы
Сельхозтехника
Спецтехника
Двигатели
Мототехника
Марка
Не выбрано
Ammann
BOMAG
CARMIX
CASE IH
Changlin
ChengGong
Dimex
Doosan
DYNAPAC
Foton
HAMM
Hidromek
Hitachi
Hyundai
JCB
JLG
John Deere
Komatsu
LIEBHERR
LiuGong
Lonking (LongGong)
Luneng
MANITOU
Mitsuber
New Holland
PENGPU
RM-Terex
SANY
SDLG
SEM
Shantui
Shehwa HBXG
Soosan
TIGARBO
VOGELE
Volvo
WAY
WIRTGEN
XCMG
XGMA
Xiamen
YTO
Yuchai
Zoomlion
Автокран
АЗСМ
Алтайлесмаш
Амкодор
АОМЗ
Атек
АТЗ
Балканкар Рекорд
БелАЗ
Беловеж
Борекс
Брянский Арсенал
Булат
ВЭКС
ГАЗ
Геомаш
Гидромаш
Донекс
Дормаш
Дормашина
Дорэлектромаш
ДЭЗ
ЕлАЗ
ЗЗГТ
Ижнефтемаш
Канаш-электрокар
КЗКТ
ККЗ
Клевер
Клинцовский автокрановый завод
КМЗ
КМЗ 1 Мая
Ковровец
Коммаш
Кранэкс
КЭЗ
КЭМЗ
ЛЗА
МАЗ
МЗИК
МЗКМ
МЗКТ
Михневский РМЗ
МоАЗ
Мозырский МЗ
МТЗ
ОЗП
Онежец
ПАО "ТЗА"
ППС Детва
Промтрактор
ПТЗ
Раскат
СпецАгрегат
ТВЭКС
ТТМ
УВЗ
Угличмаш
УЗТМ
ХТЗ
ЧЗКМ
ЧСДМ
ЧТЗ
ЭКСКО
ЭКСМАШ
ЮрМаш
Модель
Не выбрано
DL220 (2010)
DX140W (2017)
DX225LC (2009)
DX225LCA (2012)
S225LC-V (2009)
S340LC-V (2009)
S500LC-V (2007)
SOLAR 130W-V(1) (2017)
SOLAR 130W-V(2) (2017)
SOLAR 140W-V (2017)
SOLAR 140W-V & S160W-V (2017)
SOLAR 160W-V (2017)
SOLAR 170W-V (2017)
SOLAR 180W-V (2017)
SOLAR 210W-V (2017)
SOLAR 255LC-V (DI EXP) (2017)
SOLAR 420LC-V (2017)
Мини-погрузчик 430 Plus (2010)
Мини-погрузчик 440 Plus (2010)
Мини-погрузчик 450 Plus (2010)
Мини-погрузчик 450 Plus (Tier3) (2010)
Мини-погрузчик 460 Plus (2010)
Мини-погрузчик 460 Plus (Tier3) (2010)
Мини-погрузчик 470 Plus (2010)
Экскаватор SOLAR 140LC-V (2010)
Экскаватор SOLAR 175LC-V (2010)
Схема
>
Не выбрано
CYLINDER BLOCK
TIMING GEAR CASE
FLYWHEEL HOUSING
CRANK SHAFT
CYLINDER HEAD
VALVE MECHANISM
BREATHER PIPE
OIL PUMP
OIL FILTER
OIL COOLER
OIL PAN
THERMOSTAT
WATER PUMP & COOLING FAN
INTAKE & EXHAUST MANIFOLD
TURBO CHARGER & OIL PIPE
FUEL SYSTEM
FUEL FILTER
ALTERNATOR MOUNTING
STARTER
OVER HAUL GASKET KIT-TOP
OVER HAUL GASKET KIT-ALL
MAIN FRAME
COUNTER WEIGHT - 4.1TON (DX225LCA)
COUNTER WEIGHT - 3.8TON (DX220A)
ENGINE MOUNTING
RADIATOR MOUNTING
RADIATOR
MUFFLER
CAC PIPING
AIR CLEANER
PUMP MOUNTING
SWING MOTOR
FUEL TANK
FUEL PIPING
OIL TANK
OIL COOLER PIPING (1)
OIL COOLER PIPING (2)
OIL COOLER PIPING (3)
ENGINE CONTROL
MAIN PIPING (1) - PUMP Serial No. 5001 - 6004
MAIN PIPING (1) - PUMP Serial No. 6005 -
MAIN PIPING (2) - BOOM
MAIN PIPING (3) - ARM, BUCKET
MAIN PIPING (4) - SWING
MAIN PIPING (5) - CENTER JOINT
PILOT PIPING (1)
PILOT PIPING (2)
PILOT PIPING (3)
PILOT PIPING (4)
PILOT PIPING (5)
PILOT PIPING (6)
PILOT PIPING (7)
PILOT PIPING (8)
CONTROL STAND - L.H.
CONTROL STAND - R.H.
SEAT SLIDING PLATE
SEAT PLATE
SEAT MOUNTING
SEAT
DUCT COVER
HEATER COVER
CABIN MOUNTING
CABIN (1)
CABIN (2)
CABIN (3)
CABIN (4)
HANDLE - CABIN
FLOOR MAT
FLOOR PLATE
HANDLE ASSY
ROOF COVER
FOOT REST - L.H.
FOOT REST - R.H.
SUPPORT
BAFFLE
SIDE DOOR - L.H.
SIDE DOOR - R.H
BATTERY COVER
COVER
ENGINE COVER
ACOUSTIC FOAM
UNDER COVER
LUBRICATION PIPING
ELECTRIC BOX ASSY Serial No. 5001 - 7754
ELECTRIC BOX ASSY Serial No. 7755 -
ELECTRIC PARTS - CABIN
ELECTRIC PARTS - CONTROL STAND
ELECTRIC PARTS - RELATED
ELECTRIC PARTS - ENGINE Serial No. 5001 - 7754
ELECTRIC PARTS - ENGINE Serial No. 7755 -
ALTERNATOR MOUNTING
ELECTRIC PARTS - WORKING LAMP
ELECTRIC WIRING
HEATER PIPING (1)
HEATER PIPING (2)
AIRCON UNIT
AIR CONDITIONER
TRACK FRAME-LONG (DX225LCA)
TRACK FRAME-STD (DX220A)
TRAVEL DEVICE (DX225LCA)
TRAVEL DEVICE (DX220A)
IDLER (DX225LCA)
IDLER (DX220A)
TRACK SPRING
UPPER ROLLER Serial No. 5001 - 6978
UPPER ROLLER Serial No. 6979 -
LOWER ROLLER
CENTER JOINT Serial No. 5001 - 12604
CENTER JOINT Serial No. 12605-
TRACK SHOE ASSY - 600G (DX225LCA)
TRACK SHOE ASSY - 600G (DX220A)
TRAVEL PIPING - LONG CRAWLER (DX225LCA)
TRAVEL PIPING - STD (DX220A)
BOOM - 5.7m
ARM - 2.9m
BUCKET ASSY - 0.92m3
BOOM PIPING
LUBRICATION PIPING - BOOM
ARM PIPING
LUBRICATION PIPING - ARM
MAIN PUMP
REGULATOR
GEAR PUMP
SWING MOTOR
SWING REDUCTION GEAR
TRAVEL MOTOR
TRAVEL REDUCTION GEAR
CONTROL VALVE (1)
CONTROL VALVE (2)
CONTROL VALVE (3)
REMOTE CONTROL VALVE
PEDAL VALVE
SOLENOID VALVE
BOOM CYLINDER - L.H.
BOOM CYLINDER - R.H.
ARM CYLINDER
BUCKET CYLINDER - ARM 2.9m
PEDAL VALVE - TWO WAY
BUCKET CYLINDER - ARM 2.4m
BUCKET CYLINDER - ARM 3.5m
BUCKET CYLINDER - ARM 6.2m
BOOM CYLINDER - L.H (LOCK VALVE)
BOOM CYLINDER - R.H (LOCK VALVE)
ARM CYLINDER - LOCK VALVE
GEAR PUMP-ROTATION
TOOLS
SPARE PARTS
FUEL FILLER PUMP
MAIN PIPING - ONE WAY
ONE WAY PIPING - WITH FILTER
MAIN PIPING - TWO WAY
TWO WAY PIPING - WITH FILTER
PILOT PIPING - ONE OR TWO WAY 5001 ~ 7754
PILOT PIPING - ONE OR TWO WAY 7755 ~
PILOT PIPING - ONE WAY
PILOT PIPING - TWO WAY (1)
PILOT PIPING - TWO WAY (2)
BOOM PIPING - BOOM 5.7m (ONE & TWO WAY)
ARM PIPING - ARM 2.9m (ONE & TWO WAY)
MAIN PIPING - QUICK FIT
ELECTRIC PARTS - QUICK CLAMP
BOOM PIPING - BOOM 5.7m (QUICK CLAMP)
ARM PIPING - ARM 2.9m(QUICK CLAMP)
ALTERNATOR - 80A
CD PLAYER
SUN ROOF COVER
RAIN SHIELD
RAIN SHIELD & LAMP MOUNTING
CABIN LOWER GUARD
WINDOW GUARD
FLOOR MAT - TWO WAY
FLOOR MAT - ROTATING
FLOOR MAT - TWO WAY & ROTATING
FOGS GUARD ASSY
TRACK SHOE ASSY - 700G (DX225LCA)
TRACK SHOE ASSY - 800G (DX225LCA)
TRACK SHOE ASSY - 800G (DX220A)
TRACK SHOE ASSY - 900G (DX225LCA)
SWING ALARM - NOT ONE OR TWO WAY
SWING ALARM - ONE OR TWO WAY
RADIO
LOCK VALVE PIPING - BOOM
BOOM PIPING - LOCK VALVE
PILOT PIPING - ARM LOCK V/V
ARM PIPING - LOCK VALVE
ARM PIPING - ARM 2.9m(CLAMSHELL)
MAIN PIPING-ROTATION
PILOT PIPING (1) - ROTATING
PILOT PIPING (2) - ROTATING
BOOM PIPING - ROTATING (BOOM 5.7m)
ARM PIPING - ROTATING (ARM 2.9m)
BUCKET ASSY - 0.73mВі(36") - SIDE PIN
BUCKET ASSY - 0.90mВі(42") - SIDE PIN
BUCKET ASSY - 1.07mВі(48") - SIDE PIN
BUCKET ASSY - 1.24mВі(54") - SIDE PIN
BUCKET ASSY - 1.32mВі(57") - SIDE PIN
BUCKET ASSY - 1.49mВі(63") - SIDE PIN
ARM - 2.0m
ARM PIPING - ARM 2.0m
LUBRICATION PIPING - ARM 2.0m
ARM PIPING - ARM 2.0m (ONE & TWO WAY)
ARM PIPING - ARM 2.0m (QUICK CLAMP)
ARM PIPING - ARM 2.0m (CLAMSHELL)
ARM PIPING - ARM 2.0m (ROTATING)
ARM - 2.4m
ARM PIPING - ARM 2.4m
LUBRICATION PIPING - ARM 2.4m
ARM PIPING - ARM 2.4m (ONE & TWO WAY)
ARM PIPING - ARM 2.4m (QUICK CLAMP)
ARM PIPING - ARM 2.4m (CLAMSHELL)
ARM PIPING - ARM 2.4m (ROTATING)
ARM - 3.5m
ARM PIPING - ARM 3.5m
LUBRICATION PIPING - ARM 3.5m
ARM PIPING - ARM 3.5m (ONE & TWO WAY)
ARM PIPING - ARM 3.5m (QUICK CLAMP)
ARM PIPING - ARM 3.5m (CLAMSHELL)
ARM PIPING - ARM 3.5m (ROTATING)
BUCKET ASSY - 0.51mВі
BUCKET ASSY - 0.81mВі
BUCKET ASSY - 1.05mВі
BUCKET ASSY - 1.17mВі
BUCKET ASSY - 1.28mВі
BOOM - 5.2m
BOOM PIPING - BOOM 5.2m
LUBRICATION PIPING - BOOM 5.2m
BOOM PIPING - BOOM 5.2m (ONE & TWO WAY)
BOOM PIPING - BOOM 5.2m (QUICK FIT)
BOOM PIPING - BOOM 5.2m (ROTATING)
LOCK VALVE PIPING - BOOM 5.2m
BOOM - 8.5m
ARM - 6.2m
COUNTER WEIGHT - SUPER LONG (DX225LCA)
COUNTER WEIGHT - 5.3TON (NOISE KIT - DX225LCA)
BUCKET ASSY - 0.39mВі
BUCKET ASSY - 0.45mВі - DITCH CLEANING
BUCKET ASSY - 0.54mВі - DITCH CLEANING
BOOM PIPING - BOOM 8.5m
LUBRICATION PIPING - BOOM 8.5m
LOCK VALVE PIPING - BOOM 8.5m
BOOM PIPING - BOOM 8.5m (ROTATING)
ARM PIPING - ARM 6.2m
LUBRICATION PIPING - ARM 6.2m
ARM PIPING - ARM 6.2m (ROTATING)
TRAVEL ALARM
WORKING LAMP (2-LAMP)
WORKING LAMP (4-LAMP)
WORKING LAMP - REAR
ROTATING BEACON
ROTATING BEACON MOUNTING
ROTATING BEACON(TELESCOPIC) WITH LAMP
ROTATING BEACON(TELESCOPIC) W/O LAMP
OVERLOAD WARNING
LOWER WIPER
WORKING LAMP (2-LAMP)
WORKING LAMP (4-LAMP)
ROTATING BEACON-WITH FOGS
SIDE DOOR - L.H (TROPICAL)
TROPICAL PARTS
ACOUSTIC FOAM - NOISE KIT
PATTERN CHANGE PIPING (1)
PATTERN CHANGE PIPING (2)
COUNTER WEIGHT - 3.8TON (NOISE KIT - DX220A)
ALTERNATOR - 50A
ALTERNATOR
ELECTRIC PARTS - ENGINE (ALTERNATOR - 50A)
1
2
3
4
5
6
7
8
10
10
Позиция на иллюстрации
Заводской номер детали
Название детали
K1001331E
K1001331E
AIR CONDITIONER
1
920-00127A
UNIT, AIR CON. & HEATING
2
S0508653
BOLT M8X1.25X16
3
S5102503
WASHER;SPRING
4
2114-1058D29
WASHER
5
S3450833
SCREW M5X0.8X12
6
S5000213
WASHER;PLAIN
7
2185-1308D5
HOSE;RUBBER 3000L
8
2185-1308D5
HOSE;RUBBER 3000L
10
S8450016
CLAMP;HOSE
Содержащиеся в справочниках-каталогах запасные части и детали не предлагаются к продаже, а носят исключительно информационный характер
Дополнительная информация
×
Название:
Номер:
Примечание: