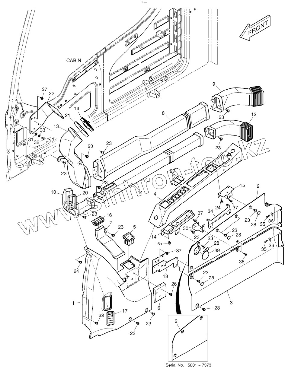
Каталог запасных частей к технике: Doosan DX225LCA. DUCT COVER
110517-00370
110517-00370
110517-00370
110517-00370
110517-00370
110517-00370
110517-00370
110517-00370
110517-00370
110517-00370
110517-00370
110517-00370
110517-00370
110517-00370
110517-00370
110517-00370
110517-00370
К1048688
К1048688
К1048688
К1048688
К1048688
К1048688
К1048688
К1048688
К1048688
К1048688
К1048688
К1048688
К1048688
К1048688
К1048688
К1048688
К1048688
1
2
2
2
2
2
2
3
4
5
6
7
8
9
10
11
12
13
14
15
16
17
18
19
20
21
22
23
23
23
23
23
23
23
23
23
23
23
23
23
23
23
23
23
24
24
25
26
27
28
28
28
28
30
31
32
33
34
35
35
36
36
37
37
37
37
38
39
| Позиция на иллюстрации | Заводской номер детали | Название детали | |
|---|---|---|---|
| 110517-00370 | 110517-00370 | COVER ASSY,SIDE | |
| К1048688 | К1048688 | SIDE COVER ASSY | |
| 1 | 621-02903С | COVER, SIDE FRONT | |
| 2 | 621-02905С | COVER, SIDE MID UPPER | |
| 2 | 110517-00364 | COVER, SIDE, MID UPPER | |
| 3 | 621-02904С | COVER, SIDE MID LOWER | |
| 4 | 621-02909G | COVER, SWITCH | |
| 5 | 906-00002А | ASHTRAY ASM | |
| 6 | 621-02908В | HOLDER, CUP | |
| 7 | 213-00035В | DUCT, DEFROSTER SIDE | |
| 8 | 213-00030В | DUCT, FACE MID | |
| 9 | 213-00031Е | DUCT, FACE REAR | |
| 10 | 213-00032В | DUCT, DEFROSTER FRONT | |
| 11 | 213-00033В | DUCT, DEFROSTER MID | |
| 12 | 213-00034Е | DUCT, DEFROSTER REAR | |
| 13 | 213-00029С | DUCT, FACE FRONT | |
| 14 | 195-02768Е | BRACKET, SWITCH | |
| 15 | 195-02769Е | BRACKET, SWITCH | |
| 16 | 415-00046В | LOUVER DEF SIDE | |
| 17 | 415-00045В | LOUVER DEF FRONT | |
| 18 | 195-02770Е | BRACKET, CUP | |
| 19 | 415-00044В | LOUVER FACE | |
| 20 | К1001068 | FOAM | |
| 21 | К1048689 | FOAM | |
| 22 | К1039212С | PLATE | |
| 23 | 2120-2166D52 | BOLT | |
| 24 | 2120-2166D53 | SCREW | |
| 25 | S3654523 | SCREW | |
| 26 | 2120-2166D23 | SCREW | |
| 27 | 621 -02801 | COVER, SWITCH | |
| 28 | 621-03734А | COVER | |
| 30 | К1005007А | PLATE | |
| 31 | 2114-1898D14 | WASHER | |
| 32 | 2120-2166D5 | BOLT M8X1.25X20 | |
| 33 | 2114-2031D4 | WASHER;SPRING M8 | |
| 34 | К1009627 | PLATE | |
| 35 | 2120-2166D36 | BOLT M6X1.0X20 | |
| 36 | 2114-1898D5 | WASHER;PLAIN M6 | |
| 37 | К1010304 | BOLT, FLANGE | |
| 38 | 2120-2166D57 | BOLT | |
| 39 | 110910-00265 | CAP |
Содержащиеся в справочниках-каталогах запасные части и детали не предлагаются к продаже, а носят исключительно информационный характер