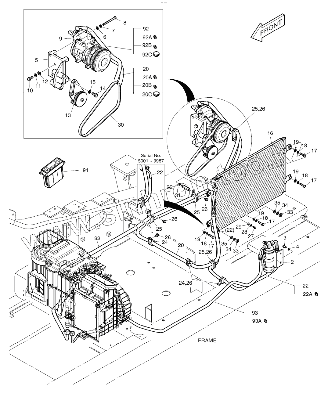
Каталог запасных частей к технике: Doosan DX225LCA. AIR CONDITIONER
K1001332G
2
3
4
5
6
7
8
9
10
11
12
13
14
15
16
17
17
17
17
18
18
18
18
19
19
19
19
20
20
20A
20B
20C
22
22
22
22
22
22
22A
24
24
25
25
25
25
26
26
26
26
26
26
27
28
29
30
31
32
33
33
34
34
35
35
91
92
92
92A
92B
92C
93
93A
| Позиция на иллюстрации | Заводской номер детали | Название детали | |
|---|---|---|---|
| K1001332G | K1001332G | AIR CONDITIONER | |
| 2 | 2204-6039A | RECEIVER DRIER | |
| 3 | S0508666 | Bolt | |
| 4 | S5102503 | WASHER;SPRING | |
| 5 | 2197-1798C | Bracket, compressor | |
| 6 | S5010513 | WASHER;PLAIN M8 | |
| 7 | S5102503 | WASHER;SPRING | |
| 8 | S0557166 | BOLT | |
| 9 | 2208-6013B | COMPRESSOR | |
| 10 | S0712153 | BOLT M10X1.25X28 | |
| 11 | S5102603 | WASHER;SPRING M10 | |
| 12 | S5010613 | WASHER;PLAIN | |
| 13 | 2107-6006 | PULLEY ASS'Y;IDLE 4PK | |
| 14 | S0759853 | BOLT M10X1.25X115 | |
| 15 | S5102603 | WASHER;SPRING M10 | |
| 16 | 520-00004 | CONDENSER, AIR CON | |
| 17 | S0509366 | BOLT | |
| 18 | S5102503 | WASHER;SPRING | |
| 19 | 2114-1058D29 | WASHER | |
| 20 | K1001277C | HOSE, DISCHARGE | |
| 20A | 2180-6088 | O-ring | |
| 20B | K1011384 | O-RING | |
| 20C | 1161-00018 | CAP, CHECK PORT (H) | |
| 22 | K1001279C | HOSE, LIQUID (1) | |
| 22 | 420102-00239 | HOSE, LIQUID (1) | |
| 22A | K1011388 | O-RING | |
| 24 | 124-00208D3 | CLIP D20/M8 | |
| 25 | 124-00209D1 | CLIP 2-D20/M8 | |
| 26 | K1001029 | BOLT | |
| 27 | S0504666 | BOLT | |
| 28 | S5010303 | WASHER | |
| 29 | 2114-1058D52 | WASHER | |
| 30 | 2106-1019D10 | V-BELT;COMPRESSOR | |
| 31 | 2120-2187 | BOLT;STUD M8X1.25X20/M8 | |
| 32 | S5102503 | WASHER;SPRING | |
| 33 | S4012303 | NUT M6X1.0 | |
| 34 | S5102303 | WASHER;SPRING M6 | |
| 35 | S5000313 | WASHER;PLAIN | |
| 91 | 543-00107 | CONTROL PANEL, AIR CON | |
| 92 | K1001278C | HOSE, SUCTION | |
| 92A | 2180-6086 | O-RING(COMP) | |
| 92B | K1011385 | O-RING | |
| 92C | 1161-00019 | CAP, CHECK PORT (L) | |
| 93 | K1001280C | HOSE, LIQUID (2) | |
| 93A | K1011388 | O-RING |
Содержащиеся в справочниках-каталогах запасные части и детали не предлагаются к продаже, а носят исключительно информационный характер