Вернуться на главную
Поиск
Каталоги запчастей к технике
Спецтехника
Doosan
DX225LC
PATTERN CHANGE PIPING
Каталог запасных частей к технике: Doosan DX225LC. PATTERN CHANGE PIPING
zoom-in
zoom-out
enlarge
shrink
circle-right
circle-left
file-text2
info
cart
Тип техники
Не выбрано
Легковые автомобили
Грузовые автомобили и прицепы
Автобусы
Сельхозтехника
Спецтехника
Двигатели
Мототехника
Марка
Не выбрано
Ammann
BOMAG
CARMIX
CASE IH
Changlin
ChengGong
Dimex
Doosan
DYNAPAC
Foton
HAMM
Hidromek
Hitachi
Hyundai
JCB
JLG
John Deere
Komatsu
LIEBHERR
LiuGong
Lonking (LongGong)
Luneng
MANITOU
Mitsuber
New Holland
PENGPU
RM-Terex
SANY
SDLG
SEM
Shantui
Shehwa HBXG
Soosan
TIGARBO
VOGELE
Volvo
WAY
WIRTGEN
XCMG
XGMA
Xiamen
YTO
Yuchai
Zoomlion
Автокран
АЗСМ
Алтайлесмаш
Амкодор
АОМЗ
Атек
АТЗ
Балканкар Рекорд
БелАЗ
Беловеж
Борекс
Брянский Арсенал
Булат
ВЭКС
ГАЗ
Геомаш
Гидромаш
Донекс
Дормаш
Дормашина
Дорэлектромаш
ДЭЗ
ЕлАЗ
ЗЗГТ
Ижнефтемаш
Канаш-электрокар
КЗКТ
ККЗ
Клевер
Клинцовский автокрановый завод
КМЗ
КМЗ 1 Мая
Ковровец
Коммаш
Кранэкс
КЭЗ
КЭМЗ
ЛЗА
МАЗ
МЗИК
МЗКМ
МЗКТ
Михневский РМЗ
МоАЗ
Мозырский МЗ
МТЗ
ОЗП
Онежец
ПАО "ТЗА"
ППС Детва
Промтрактор
ПТЗ
Раскат
СпецАгрегат
ТВЭКС
ТТМ
УВЗ
Угличмаш
УЗТМ
ХТЗ
ЧЗКМ
ЧСДМ
ЧТЗ
ЭКСКО
ЭКСМАШ
ЮрМаш
Модель
Не выбрано
DL220 (2010)
DX140W (2017)
DX225LC (2009)
DX225LCA (2012)
S225LC-V (2009)
S340LC-V (2009)
S500LC-V (2007)
SOLAR 130W-V(1) (2017)
SOLAR 130W-V(2) (2017)
SOLAR 140W-V (2017)
SOLAR 140W-V & S160W-V (2017)
SOLAR 160W-V (2017)
SOLAR 170W-V (2017)
SOLAR 180W-V (2017)
SOLAR 210W-V (2017)
SOLAR 255LC-V (DI EXP) (2017)
SOLAR 420LC-V (2017)
Мини-погрузчик 430 Plus (2010)
Мини-погрузчик 440 Plus (2010)
Мини-погрузчик 450 Plus (2010)
Мини-погрузчик 450 Plus (Tier3) (2010)
Мини-погрузчик 460 Plus (2010)
Мини-погрузчик 460 Plus (Tier3) (2010)
Мини-погрузчик 470 Plus (2010)
Экскаватор SOLAR 140LC-V (2010)
Экскаватор SOLAR 175LC-V (2010)
Схема
>
Не выбрано
CYLINDER BLOCK
TIMING GEAR CASE
FLYWHEEL HOUSING
OIL SEAL
BREATHER
DRIVING SYSTEM
CYLINDER HEAD
CYLINDER HEAD COVER
TIMING SYSTEM
OIL PUMP
OIL FILTER AND OIL COOLER
OIL PAN
THERMOSTAT
WATER PUMP
COOLING FAN
INTAKE AND EXHAUST MANIFOLD
TURBOCHARGER
INJECTOR
INJECTION PIPE
INJECTION PUMP
E.C.U
FUEL SYSTEM
ALTERNATOR MOUNTING
LIFTING HOOK
STARTER
SENSOR
WIRE HARNESS
ENGINE MOUNTING
AIR COMPRESSOR
OVERHAUL GASKET KIT - ALL
OVERHAUL GASKET KIT - TOP
MAIN FRAME
COUNTER WEIGHT
ENGINE MOUNTING
RADIATOR MOUNTING
RADIATOR
MUFFLER
CAC PIPING
AIR CLEANER
PUMP MOUNTING
SWING DEVICE
FUEL TANK
FUEL PIPING
OIL TANK
OIL COOLER PIPING
OIL COOLER PIPING
OIL COOLER PIPING
MAIN PIPING
MAIN PIPING
PILOT PIPING (1)
PILOT PIPING (2)
PILOT PIPING (3)
PILOT PIPING (4)
PILOT PIPING (5)
PILOT PIPING (6)
PILOT PIPING (7)
PILOT PIPING (8)
CONTROL STAND L.H.
CONTROL STAND R.H.
SEAT PLATE
SEAT PLATE
SEAT MOUNTING
SEAT
DUCT COVER
HEATER COVER
CABIN MOUNTING
CABIN
CABIN
CABIN
CABIN
HANDLE - CABIN
FLOOR MAT
FLOOR PLATE
HANDLE ASS`Y
ROOF COVER
FOOT REST (L.H)
FOOT REST (R.H)
SUPPORT
BAFFLE
SIDE DOOR (L.H)
SIDE DOOR (R.H)
BATTERY COVER ASSY
COVER
ENGINE COVER
ACOUSTIC FOAM
UNDER COVER
LUBRICATION PIPING
ELECTRIC BOX ASSY
ELECTRIC PARTS-CONTROL STAND
ELECTRIC PARTS-CABIN
ELECTRIC PARTS;CHASSIS
ELECTRIC PARTS;ENGINE
ALTERNATOR
ELECTRIC PARTS;WORKING LAMP
ELECTRIC WIRING
HEATER PIPING
AIRCON UNIT
AIR CONDITIONER
TRACK FRAME
TRAVEL DEVICE
IDLER
TRACK SPRING
UPPER ROLLER
LOWER ROLLER
CENTER JOINT
CENTER JOINT
TRACK SHOE ASSY-600G
TRACK SHOE ASSY-600G
TRAVEL PIPING
BOOM; 5.9m
ARM - 3.0m
BUCKET ASSY-0.95m3
BOOM PIPING
LUBRICATION PIPING-BOOM
ARM PIPING
LUBRICATION PIPING-ARM - 3.0m
LUBRICATION PIPING-ARM - 3.0m
MAIN PUMP
REGULATOR
GEAR PUMP
SWING MOTOR
SWING REDUCTION GEAR
TRAVEL MOTOR
TRAVEL REDUCTION GEAR
CONTROL VALVE
CONTROL VALVE
CONTROL VALVE
REMOTE CONTROL VALVE
PEDAL VALVE
PEDAL VALVE
SOLENOID VALVE
BOOM CYLINDER (L.H)
BOOM CYLINDER (R.H)
ARM CYLINDER
BUCKET CYLINDER - ARM 3,0m/3,5m
BUCKET CYLINDER - ARM 2,5m
BUCKET CYLINDER - ARM 2,0m
BOOM CYLINDER (L.H.) (LOCK VALVE)
BOOM CYLINDER (R.H.) (LOCK VALVE)
ARM CYLINDER - LOCK VALVE
GEAR PUMP-ROTATION
PEDAL VALVE - TWO WAY
ARTI BOOM CYLINDER
ARM CYLINDER-ARTI BOOM
ARTI BOOM CYLINDRES - LOCK VALVE
ARM CYLINDER - ARTI BOOM (LOCK V/V)
CONTROL VALVE - ARTI BOOM
TOOLS
SPARE PARTS
NAME PLATE - CABIN (EXPORT)
DECAL - EXPORT
NAME PLATE - CABIN (EUROPE)
DECAL - EUROPE
DECAL - LIFTING CAPA
FUEL FILLER PUMP
MAIN PIPING - ONE WAY
ONE WAY PIPING-WITH FILTER
MAIN PIPING - TWO WAY
TWO WAY PIPING-WITH FILTER
PILOT PIPING - TWO AND ONE WAY
PILOT PIPING - TWO WAY
PILOT PIPING-TWO WAY(2)
BOOM PIPING - BOOM 5,9m (TWO AND ONE WAY)
ARM PIPING-ONE & TWO WAY (ARM 3.0m)
ARM PIPING - ARM 3,0m (CLAMSHELL)
MAIN PIPING - QUICK CLAMP
ELECTRIC PARTS - QUICK CLAMP
BOOM PIPING - BOOM 5,9m (QUICK CLAMP)
ARM PIPING - ARM 3,0m (QUICK CLAMP)
SUN ROOF COVER
RAIN SHIELD
RAIN SHIELD & LAMP MOUNTING
CABIN LOWER GUARD
WINDOW GUARD
FLOOR MAT - TWO WAY
FLOOR MAT - ROTATING
FLOOR MAT - TWO WAY AND ROTATING
TRACK FRAME - NARROW
TRAVEL PIPING - NARROW TRACK
TRACK SHOE ASSY - 700G
TRACK SHOE ASSY - 700G
TRACK SHOE ASSY - 800G
TRACK SHOE ASSY - 800G
TRACK SHOE ASSY - 900G
TRACK SHOE ASSY - 900G
SWING ALARM
PATTERN CHANGE PIPING
PATTERN CHANGE PIPING
LOCK VALVE PIPING-BOOM
BOOM PIPING - LOCK VALVE
PILOT PIPING-ARM LOCK V/V
ARM PIPING - LOCK VALVE
MAIN PIPING - ROTATING
PILOT PIPING - ROTATING
PILOT PIPING - ROTATING
BOOM PIPING - BOOM 5.9M ROTATIONG
ARM PIPING-ROTATIONG (ARM 3.0m)
BUCKET ASSY-0.47 m3
BUCKET ASSY-0.72 m3
BUCKET ASSY-0.8 m3
BUCKET ASSY-0.92 m3
BUCKET ASSY-1.0 m3
BUCKET ASSY-1.1 m3
BUCKET ASSY-1.22 m3
BOOM - 5.3m
BOOM PIPING - BOOM 5.3m
LUBRICATION PIPING - BOOM 5.3m
BOOM PIPING - BOOM 5.3m (ONE & TWO WAY)
ARM PIPING - LOCK VALVE (BOOM 5.3m)
BOOM PIPING - BOOM 5.3m (ROTATING)
ARM - 2.0m
ARM PIPING - ARM 2.0m
LUBRICATION PIPING - ARM 2.0m
LUBRICATION PIPING-ARM 2.0m
ARM PIPING - ARM 2.0m (ONE & TWO WAY)
ARM PIPING - ARM 2.0m (QUICK CLAMP)
ARM PIPING - ARM 2.0m (CLAMSHELL)
ARM PIPING - ARM 2.0m (ROTATING)
ARM - 2.5m
ARM PIPING - ARM 2.5m
LUBRICATION PIPING-ARM 2.5m
LUBRICATION PIPING-ARM 2.5m
ARM PIPING - ARM 2.5m (ONE & TWO WAY)
ARM PIPING - ARM 2.5m (QUICK CLAMP)
ARM PIPING - ARM 2.5m (CLAMSHELL)
ARM PIPING - ARM 2.5m (CLAMSHELL)
ARM PIPING - ARM 2.5m (ROTATING)
ARM - 3.5m
ARM PIPING - ARM 3.5m
LUBRICATION PIPING - ARM 3.5m
LUBRICATION PIPING - ARM 3.5m
ARM PIPING - ARM 3.5m (ONE & TWO WAY)
ARM PIPING - ARM 3.5m (QUICK CLAMP)
ARM PIPING - ARM 3.5m (CLAMSHELL)
ARM PIPING - ARM 3.5m (ROTATING)
BUCKET ASSY-0.67m3 (36") - SIDE PIN
BUCKET ASSY-0.8m3 (42") - SIDE PIN
BUCKET ASSY-0.95m3 (48") - SIDE PIN
BUCKET ASSY-1.1m3 (54") - SIDE PIN
BUCKET ASSY-1.17m3 (57") - SIDE PIN
BUCKET ASSY-1.31m3 (63") - SIDE PIN
ALTERNATOR - 80A
CD PLAYER
FUEL HEATER
TRAVEL ALARM
WORKING LAMP-2LAMP
WORKING LAMP-4LAMP
WORKING LAMP-REAR
ROTATING BEACON
ROTATING BEACON MOUNTING
ROTATING BEACON (TELESCOPIC) WITH LAMP
ROTATING BEACON (TELESCOPIC) W/O LAMP
OVERLOAD WARNING
LOWER WIPER
WORKING LAMP (2-LAMP)
WORKING LAMP (4-LAMP)
ROTATING BEACON - WITH FOGS
TROPICAL PARTS
RADIO
ACOUSTIC FOAM - NOISE KIT
MAIN PIPING - ARTI.BOOM
PILOT PIPING - ARTI BOOM
PILOT PIPING - ARTI BOOM
FLOOR MAT-THREE PEDAL
ARTI. BOOM
ARTI BOOM PIPING
LUBRICATION PIPING - LOWER BOOM
LUBRICATION PIPING - UPPER BOOM
MAIN PIPING - ONE WAY (ARTI. BOOM)
MAIN PIPING - TWO WAY (ARTI. BOOM)
ARTI. BOOM PIPING - ONE & TWO WAY
MAIN PIPING - ROTATING (ARTI. BOOM)
PILOT PIPING - ARTI. AND ROTATING
ARTI. BOOM PIPING - ROTATING
MAIN PIPING - QUICK CLAMP (ARTI. BOOM)
ARTI. BOOM PIPING - QUICK FIT
LOCK VALVE PIPING - ARTI BOOM
ARTI. BOOM PIPING - LOCK VALVE
ARTI. ARM PIPING - LOCK VALVE
WORKING LAMP - ARTI. BOOM
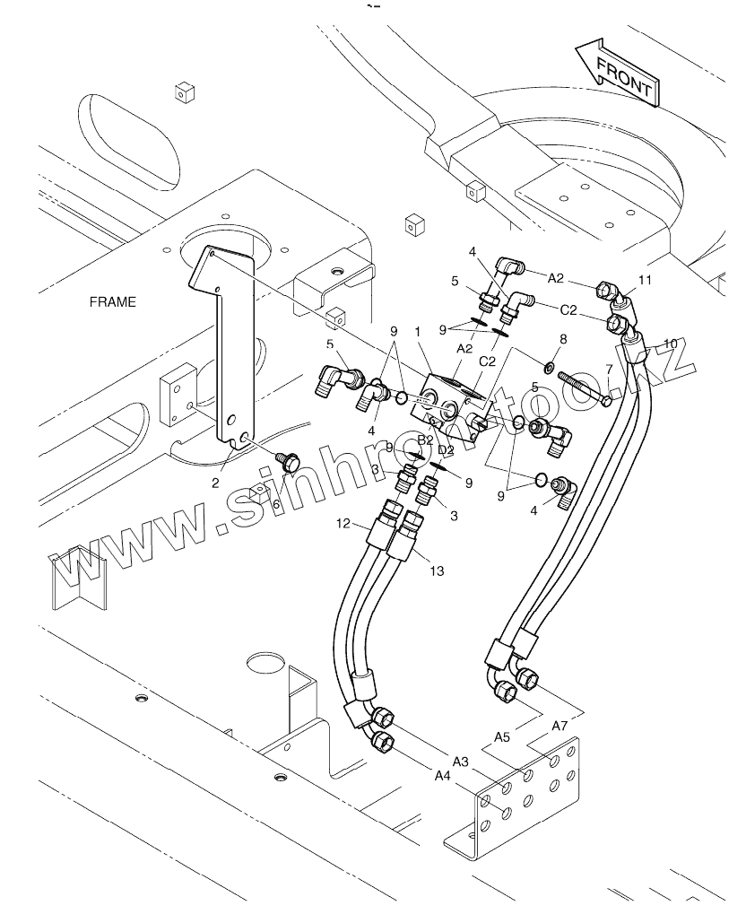
K1016886
K1016886
K1016886
1
2
3
3
4
4
4
5
5
5
6
6
7
8
9
9
9
9
9
10
11
12
13
Позиция на иллюстрации
Заводской номер детали
Название детали
K1016886
K1016886
PATTERN CHANGE PIPING
1
K1014874
VALVE, SELECTOR
2
K1015780
BRACKET
3
2181-1126D7
ADAPTER PFO3/8-PF3/8
4
2181-1702D5
ELBOW PF3/8-PF3/8
5
2181-1702D51
Elbow
6
DS0025018
BOLT
6
DS0025020
BOLT
7
S0557066
BOLT
8
S5102503
WASHER;SPRING
9
S8000141
O-RING
10
DS2090020
HOSE
11
DS2090021
HOSE
12
DS2092080
HOSE
13
DS2095031
HOSE
Содержащиеся в справочниках-каталогах запасные части и детали не предлагаются к продаже, а носят исключительно информационный характер
Дополнительная информация
×
Название:
Номер:
Примечание: