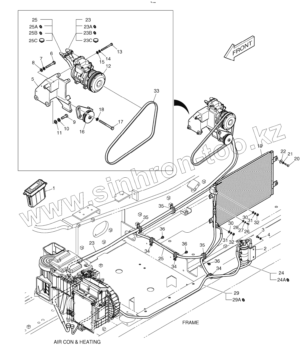
Каталог запасных частей к технике: Doosan DX225LC. AIR CONDITIONER
K1012163B
1
2
3
4
5
5
6
7
8
9
10
11
12
13
14
15
16
17
18
19
20
21
22
23
23
23A
23B
23C
24
24A
25
25
25A
25B
25C
26
27
28
29
29A
30
30
31
31
32
32
33
34
34
34
35
35
35
36
36
36
| Позиция на иллюстрации | Заводской номер детали | Название детали | |
|---|---|---|---|
| K1012163B | K1012163B | ASSEMBLY, AIR CONDITIONER | |
| 1 | 543-00107 | CONTROL PANEL, AIR CON | |
| 2 | 2204-6039A | RECEIVER DRIER | |
| 3 | S0508666 | Bolt | |
| 4 | S5102503 | WASHER;SPRING | |
| 5 | K1008482B | BRACKET, COMPRESSOR | |
| 5 | K1037356A | BRACKET, COMPRESSOR | |
| 6 | S0558966 | BOLT | |
| 7 | S5102603 | WASHER;SPRING M10 | |
| 8 | S5010613 | WASHER;PLAIN | |
| 9 | S0715463 | BOLT | |
| 10 | S5102703 | WASHER;SPRING M10 | |
| 11 | S5010713 | WASHER;PLAIN | |
| 12 | 2208-6013B | COMPRESSOR | |
| 13 | S0557166 | BOLT | |
| 14 | S5102503 | WASHER;SPRING | |
| 15 | S5010513 | WASHER;PLAIN M8 | |
| 16 | 2107-6006 | PULLEY ASS'Y;IDLE 4PK | |
| 17 | S0512066 | BOLT | |
| 18 | S5102603 | WASHER;SPRING M10 | |
| 19 | 520-00004 | CONDENSER, AIR CON | |
| 20 | S0509366 | BOLT | |
| 21 | S5102503 | WASHER;SPRING | |
| 22 | 2114-1058D29 | WASHER | |
| 23 | K1012476A | HOSE, SUCTION | |
| 23A | 2180-6086 | O-RING(COMP) | |
| 23B | K1011385 | O-RING | |
| 23C | 1.161-00019 | CAP;CHECK PORT(L) | |
| 24 | 185-00386B | HOSE, LIQUID(1) | |
| 24A | K1011388 | O-RING | |
| 25 | K1016112 | HOSE, DISCHARGE | |
| 25A | 2180-6088 | O-ring | |
| 25B | K1011384 | O-RING | |
| 25C | 1.161-00018 | CAP;CHECK PORT(H) | |
| 26 | S0504666 | BOLT | |
| 27 | S5010303 | WASHER | |
| 28 | 2114-1058D52 | WASHER | |
| 29 | 185-00387A | HOSE, LIQUID(2) | |
| 29A | К1011388 | O-RING | |
| 30 | S5000313 | WASHER;PLAIN | |
| 31 | S5102303 | WASHER;SPRING M6 | |
| 32 | S4012303 | NUT M6X1.0 | |
| 33 | 2106-1019D25 | V-BELT, POLY(4PK-1210L) | |
| 34 | 124-00208D3 | CLIP D20/M8 | |
| 35 | 124-00209D1 | CLIP 2-D20/M8 | |
| 36 | К1001029 | BOLT |
Содержащиеся в справочниках-каталогах запасные части и детали не предлагаются к продаже, а носят исключительно информационный характер