Вернуться на главную
Поиск
Каталоги запчастей к технике
Спецтехника
Doosan
DX140W
MAIN FRAME
Каталог запасных частей к технике: Doosan DX140W. MAIN FRAME
zoom-in
zoom-out
enlarge
shrink
circle-right
circle-left
file-text2
info
cart
Тип техники
Не выбрано
Легковые автомобили
Грузовые автомобили и прицепы
Автобусы
Сельхозтехника
Спецтехника
Двигатели
Мототехника
Марка
Не выбрано
Ammann
BOMAG
CARMIX
CASE IH
Changlin
ChengGong
Dimex
Doosan
DYNAPAC
Foton
HAMM
Hidromek
Hitachi
Hyundai
JCB
JLG
John Deere
Komatsu
LIEBHERR
LiuGong
Lonking (LongGong)
Luneng
MANITOU
Mitsuber
New Holland
PENGPU
RM-Terex
SANY
SDLG
SEM
Shantui
Shehwa HBXG
Soosan
TIGARBO
VOGELE
Volvo
WAY
WIRTGEN
XCMG
XGMA
Xiamen
YTO
Yuchai
Zoomlion
Автокран
АЗСМ
Алтайлесмаш
Амкодор
АОМЗ
Атек
АТЗ
Балканкар Рекорд
БелАЗ
Беловеж
Борекс
Брянский Арсенал
Булат
ВЭКС
ГАЗ
Геомаш
Гидромаш
Донекс
Дормаш
Дормашина
Дорэлектромаш
ДЭЗ
ЕлАЗ
ЗЗГТ
Ижнефтемаш
Канаш-электрокар
КЗКТ
ККЗ
Клевер
Клинцовский автокрановый завод
КМЗ
КМЗ 1 Мая
Ковровец
Коммаш
Кранэкс
КЭЗ
КЭМЗ
ЛЗА
МАЗ
МЗИК
МЗКМ
МЗКТ
Михневский РМЗ
МоАЗ
Мозырский МЗ
МТЗ
ОЗП
Онежец
ПАО "ТЗА"
ППС Детва
Промтрактор
ПТЗ
Раскат
СпецАгрегат
ТВЭКС
ТТМ
УВЗ
Угличмаш
УЗТМ
ХТЗ
ЧЗКМ
ЧСДМ
ЧТЗ
ЭКСКО
ЭКСМАШ
ЮрМаш
Модель
Не выбрано
DL220 (2010)
DX140W (2017)
DX225LC (2009)
DX225LCA (2012)
S225LC-V (2009)
S340LC-V (2009)
S500LC-V (2007)
SOLAR 130W-V(1) (2017)
SOLAR 130W-V(2) (2017)
SOLAR 140W-V (2017)
SOLAR 140W-V & S160W-V (2017)
SOLAR 160W-V (2017)
SOLAR 170W-V (2017)
SOLAR 180W-V (2017)
SOLAR 210W-V (2017)
SOLAR 255LC-V (DI EXP) (2017)
SOLAR 420LC-V (2017)
Мини-погрузчик 430 Plus (2010)
Мини-погрузчик 440 Plus (2010)
Мини-погрузчик 450 Plus (2010)
Мини-погрузчик 450 Plus (Tier3) (2010)
Мини-погрузчик 460 Plus (2010)
Мини-погрузчик 460 Plus (Tier3) (2010)
Мини-погрузчик 470 Plus (2010)
Экскаватор SOLAR 140LC-V (2010)
Экскаватор SOLAR 175LC-V (2010)
Схема
>
Не выбрано
CYLINDER BLOCK
TIMING GEAR CASE
FLYWHEEL HOUSING
CRANK SHAFT
CYLINDER HEAD
BREATHER PIPE
VALVE MECHANISM
OIL PUMP
OIL FILTER
OIL COOLER
OIL PAN
THERMOSTAT
WATER PUMP AND COOLING FAN
INTAKE AND EXHAUST MANIFOLD
TURBO CHARGER AND OIL PIPE
FUEL SYSTEM
FUEL FILTER
ALTERNATOR MOUNTING
STARTER
OVER HAUL GASKET KIT-TOP
OVER HAUL GASKET KIT - ALL
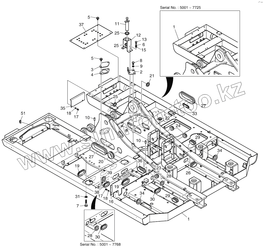
MAIN FRAME
COUNTER WEIGHT MOUNTING
COUNTER WEIGHT
ENGINE MOUNTING
RADIATOR AND RESERVE TANK
RADIATOR (5001 ~ 7986)
RADIATOR (7987 ~ )
MUFFLER
AIR CLEANER ASSY
AIR CLEANER
PUMP INSTALLATION
FUEL TANK
OIL TANK
SWING DEVICE
ENGINE CONTROL ASSY
LEVER ASSY
OIL COOLER PIPING (1)
OIL COOLER PIPING (2)
OIL COOLER PIPING (3)
MAIN PIPING (1) - PUMP, SWING
MAIN PIPING (2) - TRAVEL
MAIN PIPING (3) - BOOM
MAIN PIPING (4) - ARM, BUCKET
PILOT PIPING (1)
PILOT PIPING (2)
PILOT PIPING (3)
PILOT PIPING (4)
PILOT PIPING (5)
PILOT PIPING (6)
PILOT PIPING (7)
PILOT PIPING (8)
PILOT PIPING (9)
PILOT PIPING (10)
BRAKE PIPING (1)
BRAKE PIPING (2)
STEERING PIPING
STEERING WHEEL ASSY
STEERING COLUMN ASSY
COLUMN ASSY
CONTROL STAND - L.H.
CONTROL STAND - R.H
SEAT SLIDING PLATE
SEAT PLATE
SEAT MOUNTING
SEAT
DUCT COVER
HEATER COVER
CABIN MOUNTING
CABIN (1)
CABIN (2)
CABIN (3)
CABIN (4)
HANDLE - CABIN
FLOOR MAT
FLOOR PLATE
HANDLE ASSY
SUN ROOF COVER
FOOT REST (L.H)
ROOM MIRROR
SUPPORT
SIDE DOOR - L.H.
SIDE DOOR - R.H.
BATTERY COVER
ENGINE COVER
COVER
HANDRAIL
BAFFLE ASSY (1)
BAFFLE ASSY (2)
FOAM ASSY
UNDER COVER (5001 ~ 8191)
UNDER COVER (8192 ~)
LUBRICATOR PIPING
ELECTRIC BOX ASSY
EPOS (7604 ~ )
ELECTRIC PARTS - CABIN
ELECTRIC PARTS - CONTROL
ELECTRIC PARTS - RELATED (1)
ELECTRIC PARTS - ENGINE (5001-7580)
ELECTRIC PARTS - ENGINE (7581-)
ELECTRIC PARTS-WORKING
ELECTRIC PARTS - WIRING
ALTERNATOR ASSY
AIR CONDITIONER (1)
AIRCON UNIT
AIR CONDITIONER (2)
CHASSIS FRAME
CRADLE
POWER TRAIN - AXLE
POWER TRAIN - TIRE
POWER TRAIN - SHAFT
CHASSIS COMPONENTS (1)
CHASSIS COMPONENTS (2)
BRAKE PIPING
STEER AND CHOCKING PIPING
PROPELLING PIPING
PROPELLING PIPING - SWIVEL JOINT
BLADE
BALDE PIPING
BLADE PIPING - REAR DOZER ONLY
BOOM - 4.3M
ARM 2.1M
BUCKET ASSY- 0.59M3
BOOM PIPING - 4.3M
LUBRICATION PIPING - BOOM
ARM PIPING - 2.1M
MAIN PUMP
MAIN PUMP - ROTARY GROUP
MAIN PUMP - CONTROL
MAIN PUMP - COVER
SWING MOTOR
SWING REDUCTION GEAR
TRAVEL MOTOR
TRAVEL MOTOR - ROTARY GROUP
TRAVEL MOTOR - CONROL
TRAVEL MOTOR - CONROL PART
TRAVEL MOTOR - STROKE LIMITER
TRAVEL MOTOR - COUNTER BALANCE
CONTROL VALVE
SOLENOID VALVE
JOYSTICK VALVE
JOYSTICK VALVE - DOZER
BRAKE SUPPLY VALVE
SOLENOID VALVE
QUICK CLAMP VALVE
CENTER JOINT - NOT INDE.
CENTER JOINT - INDEPENDENT ATTACH
BOOM CYLINDER - L.H. (5001 ~ 8191)
BOOM CYLINDER - L.H. (8192 ~ )
BOOM CYLINDER - R.H. (5001 ~ 8191)
BOOM CYLINDER - R.H. (8192 ~ )
ARM CYLINDER - ARM 2.1M (5001 ~ 8191)
ARM CYLINDER - ARM 2.1M (8192-)
ARM CYLINDER-2.5m (5001 ~ 8191)
ARM CYLINDER - ARM 2.5M (8192 ~)
BUCKET CYLINDER (55001 ~ 8191)
BUCKET CYLINDER (8192 ~)
DOZER CYLINDER (L.H.)
DOZER CYLINDER (R.H.)
CHOCKING CYLINDER - L.H. (5001-7572)
CHOCKING CYLINDER - L.H. (7573-)
CHOCKING CYLINDER - R.H. (5001-7572)
CHOCKING CYLINDER - R.H. (7573-)
OUTRIGGER CYLINDER (L.H.)
OUTRIGGER CYLINDER (R.H.)
BOOM CYLINDER - L.H. (LOCK VALVE) (55001 ~ 8191)
BOOM CYLINDER - L.H. (LOCK VALVE) (8192 ~)
BOOM CYLINDER - R.H. (LOCK VALVE) (55001 ~ 8191)
BOOM CYLINDER - R.H. (LOCK VALVE) (8192 ~)
ARM CYLINDER - ARM 2.1M (LOCK VALVE) (55001 ~ 8191)
ARM CYLINDER - ARM 2.1M (LOCK VALVE) (8192 ~)
ARM CYLINDER - ARM 2.5M (LOCK VALVE) (55001 ~ 8191)
ARM CYLINDER - ARM 2.5M (LOCK VALVE) (8192 ~)
GEAR PUMP-ROTATION
PEDAL VALVE
INPUT - FRONT AXLE (5001 ~7504)
INPUT - FRONT AXLE (7505 ~8165)
INPUT - FRONT AXLE
DIFFERENTIAL GEAR - FRONT AXLE (5001~7504)
DIFFERENTIAL GEAR - FRONT AXLE (7505~8165)
DIFFERENTIAL GEAR - FRONT AXLE (8166~)
AXLE CASING - FRONT AXLE (5001~8165)
AXLE CASING - FRONT AXLE (8166~)
JOINT HOUSING - FRONT AXLE (5001~8165)
JOINT HOUSING - FRONT AXLE (8166~)
STEERING CYLINDER - FRONT (5001~8165)
STEERING CYLINDER - FRONT (8166~)
OUTPUT - FRONT AXLE (5001~7504)
OUTPUT - FRONT AXLE (7505 ~8165)
OUTPUT - FRONT AXLE (8166 ~ )
DIFFERENTIAL GEAR - REAR AXLE (5001~7504)
DIFFERENTIAL GEAR - REAR AXLE (7505~)
AXLE CASING - REAR AXLE
HUB CARRIER - REAR AXLE
OUTPUT - REAR AXLE (5001~7504)
OUTPUT - REAR AXLE (7505 ~ )
INPUT - MISSION
HOUSING - MISSION
MIDDLE DISC - MISSION
COUPLING - MISSION
PLANETARY GEAR - MISSION
OUTPUT - MISSION
GEAR SHIFT SYSTEM - MISSION
OIL PIPE - MISSION
GEAR PUMP - STEERING
TOOLS
SPARE PARTS
SEAT MOUNTING - HEATER
SEAT - HEATER
FUEL FILLER PUMP
ROOF COVER - STEEL
RAIN SHIELD
RAIN SHIELD AND LAMP MOUNTING
CABIN LOW GUARD
WINDOW GUARD
FOGS GUARD
SINGLE TIRE
TIRE 10.0x16PR
ALTERNATOR 80A
CD PLAYER
CASSETTE PLAYER (5001 ~ 7558)
WORKING LAMP SWITCH
WORKING LAMP-2LAMP
WORKING LAMP-4LAMP
WORKING LAMP-REAR LAMP
ROTATING BEACON
ROTATING BEACON MOUNTING
ROTATING BEACON (TELESCOPIC) WITH LAMP
ROTATING BEACON (TELESCOPIC) W/O LAMP
OVER LOAD WARNING
LOWER WIPER
WORKING LAMP-2LAMP
WORKING LAMP-4LAMP
ROTATING BEACON - WITH FOGS
FLOOR MAT - ONE AND TWO WAY
MAIN PIPING - ONE WAY (BREAKER)
PILOT PIPING (1) - ONE WAY
PILOT PIPING (2) - ONE WAY
MAIN PIPING-TWO WAY
PILOT PIPING (1) - TWO WAY
PILOT PIPING (2) - TWO WAY
BOOM PIPING ONE AND TWO WAY (BOOM-4.3M)
ARM PIPING-ONE AND TWO WAY (ARM-2.1M)
ARM PIPING - ARM 2.1 (CLAMSHELL)
MAIN PIPING - QUICK CLAMP
ELECTRIC PARTS - QUICK CLAMP
BOOM PIPING-QUICK CLAMP (BOOM-4.3M)
ARM PIPING-QUICK CLAMP (ARM-2.1M)
MAIN PIPING-ROTATING
PILOT PIPING-ROTATING (1)
PILOT PIPING - ROTATING +QUICK CLAMP
PILOT PIPING-ROTATING (2)
PILOT PIPING TWO WAY + ROTATING
FLOOR MAT TWO WAY + ROTATING
BOOM PIPING - BOOM 4.3M
ARM PIPING ARM 2.1m ROTATING
MAIN PIPING LOCK VALVE
PILOT PIPING LOCK VALVE
BOOM PIPING LOCK VALVE
ARM LOCK VALVE PIPING - BOOM 4.3M
BOOM - 4.6M
BOOM PIPING - BOOM 4.6M
LUBRICATION PIPING - BOOM 4.6M
BOOM PIPING-ONE AND TWO WAY (BOOM 4.6M)
BOOM PIPING-QUICK CLAMP (BOOM 4.6M)
BOOM PIPING - BOOM 4.6M ROTATING
ARM LOCK VALVE PIPING - BOOM 4.6M
ARM - 2.5M
ARM PIPING - ARM 2.5M
ARM PIPING-ONE AND TWO WAY (ARM 2.5M)
ARM PIPING - ARM 2.5M (CLAMSHELL)
ARM PIPING-QUICK CLAMP (ARM 2.5M)
ARM PIPING 2.5m ROTATING
BUCKET 0.24m3 (460mm)
BUCKET 0.39m3
BUCKET 0.45m3
BUCKET 0.51m3
BUCKET 0.64m3
BUCKET 0.76m3
BUCKET ASSY - 0.38m3 (30") - SIDE PIN
BUCKET ASSY - 0.44m3 (33") - SIDE PIN
BUCKET ASSY - 0.48m3 (36") - SIDE PIN
PILOT PIPING - FRONT ATTACH
UNDER CARRIAGE PIPING - NOT INDE
FRONT DOZER
FRONT DOZER PIPING
SWITCH - FRONT DOZER
REAR OUTRIGGER (5001 ~ 7632)
REAR OUTRIGGER (7633 ~)
FRONT/REAR OUTRIGGER PIPING
SWITCH - FRONT OUTRIGGER (NOT INDE)
FRONT OUTRIGGER (5001 ~ 7632)
FRONT OUTRIGGER (7633 ~ )
PILOT PIPING - INDEPENDENT
ELECTRIC PARTS - INDEPENDENT OUTRIGGER
FRONT DOZER AND REAR OUTRI.PIPING (INDE)
SLIP RING (5001 ~ 8072)
SLIP RING (8073~)
FRONT OUTRI. AND REAR DOZER PIPING (INDE)
4 OUTRIGGER PIPING - INDE
FRONT / REAR OUTRIGGER PIPING - INDE
SWITCH - FRONT OUTRIGGER (INDE)
SWITCH - REAR OUTRIGGER (INDE)
TROPICAL PARTS - ENGINE PARTS
TROPICAL PARTS - COVER
COUNTER WEIGHT - 2.2TON
COUNTER WEIGHT - 2.5TON
TIRE - 10.0X20X14PR
CONTROL STAND - L.H. (ROPS)
CONTROL STAND - R.H. (ROPS)
SEAT PLATE - ROPS
SEAT BASE - ROPS
SUSPENSION - ROPS
SEAT MOUNTING - ROPS
SEAT - ROPS
DUCT COVER - ROPS
HEATER COVER - ROPS
CABIN MOUNT - ROPS
CABIN (1) - ROPS
CABIN (2) - ROPS
CABIN (3) - ROPS
CABIN (4) - ROPS
HANDLE - CABIN ROPS
HANDLE - INNER (CABIN)
MIRROR - ADDITIONAL (CABIN)
ROOM MIRROR
ROOF COVER - PC (ROPS)
ROOF COVER - STEEL (ROPS)
FLOOR PLATE - ROPS
FOOT REST - L.H (ROPS)
FLOOR MAT - ROPS
FLOOR MAT - TWO PEDAL (ROPS)
FLOOR MAT - THREE PEDAL (ROPS)
RAIN SHIELD - ROPS
CABIN LOW GUARD - ROPS
WINDOW GUARD - ROPS
FOGS GUARD - ROPS
PILOT PIPING (1) - ROPS
PILOT PIPING (2) - ROPS
PILOT PIPING (3) - ROPS
PILOT PIPING (4) - ROPS
PILOT PIPING (5) - ROPS
PILOT PIPING - TWO WAY (ROPS)
PILOT PIPING - ROTATING (ROPS)
PILOT PIPING - TWO WAY + ROTATIONG ROPS
ELECTRIC PARTS - CABIN (ROPS)
ELECTRIC PARTS - CONTROL STAND ROPS
AUDIO - ROPS
WORKING LAMP (2-LAMP) - ROPS
WORKING LAMP (6-LAMP) - ROPS
WORKING LAMP (2-LAMP) - ROPS GUARD
WORKING LAMP (2-LAMP) - ROPS GUARD
ROTATING BEACON - ROPS
ROTATING BEACON - WITH LAMP ROPS
ROTATING BEACON - WITH GUAR DROPS
ROTATING BEACON - WITH LAMP AND GUAR ROPS
TELESCOPIC BEACON - ROPS
TELESCOPIC BEACON - WITH LAMP ROPS
VENTILATION - ROPS
AIRCONDITIONER - ROPS
QUICK CLAMP SWITCH - ROPS
LOWER WIPER - ROPS
SWITCH - FRONT OUTRIGGER (NOT INDE)
SWITCH - FRONT DOZER
SWITCH - FRONT OUTRIGGER (NOT INDE)
SWITCH - REAR DOZER
SWITCH - REAR OUTRIGGER (INDE)
ELECTRIC WIRING - ROPS
BUCKET ASSY - 0.21M - H CLASS (5001-8183)
BUCKET ASSY - 0.31M - H CLASS
BUCKET ASSY - 0.42M - H CLASS
BUCKET ASSY - 0.52M - H CLASS
BUCKET ASSY - 0.60M - H CLASS
BUCKET ASSY - 0.67M - H CLASS
BUCKET ASSY - 0.74M - H CLASS
STEERING PIPING (1) - EMR
STEERING PIPING (2) - EMR
STEERING WHEEL ASSY - EMR (NON ROPS) (8044-)
STEERING WHEEL ASSY- EMR (ROPS) (8044-)
TMS - NA (8065 ~)
TMS - EU (8065 ~)
TMS (ROPS) (8065 ~)
BUCKET ASSY - 0.39M - G CLASS
BUCKET ASSY - 0.45M - G CLASS
BUCKET ASSY - 0.51M - G CLASS
BUCKET ASSY - 0.59M - G CLASS
BUCKET ASSY - 0.64M - G CLASS
BUCKET ASSY - 0.76M - G CLASS
160620-00140
600-00180J
1
1
1
1
1
1
1
1
1
1
1
1
1
1
1
1
1
1
1
1
1
1
1
1
2
3
4
5
5
6
7
8
9
10
10
11
12
13
15
16
17
17
18
18
19
19
19
19
19
19
20
21
22
23
24
25
25
25
26
27
27
28
28
28
28
28
28
29
29
30
30
30
30
31
33
34
34
35
36
37
38
39
51
Позиция на иллюстрации
Заводской номер детали
Название детали
160620-00140
160620-00140
FRAME ASSY, MAIN
600-00180J
600-00180J
MAIN FRAME ASSY
1
603-00357P
FRAME, MAIN
1
160620-00141A
FRAME, MAIN
1
160620-00141B
FRAME, MAIN
1
160620-00141C
FRAME, MAIN
1
160620-00141E
FRAME, MAIN
1
160620-00141G
FRAME, MAIN
1
160620-00141H
FRAME, MAIN
1
160620-00141K
FRAME, MAIN
1
160620-00141L
FRAME, MAIN
1
160620-00141M
FRAME, MAIN
1
160620-00141P
FRAME, MAIN
1
603-00357M
FRAME, MAIN
2
191-03000B
PLATE
3
621-02938B
COVER
4
180-00463
PACKING
5
DS0025023
Bolt
6
S5102603
WASHER;SPRING M10
7
S0570866
BOLT M27X2.5X100
8
S0521366
BOLT M16X2.0X35
9
S5102901
WASHER;SPRING
10
2123-1107D7
PIN, KNOCK
11
2123-1902B
Pin, knock
12
191-03094C
PLATE
13
S0512066
BOLT
15
S5010613
WASHER;PLAIN
16
191-03270B
PLATE
17
S0508866
BOLT
18
S5102503
WASHER;SPRING
19
DS7601020
BUSHING, RUBBER
19
DS7601027
BUSHING, RUBBER
20
2160-1004D23
Bushing, rubber
21
2160-1004D28
BUSHING, RUBBER
22
2160-1004D33
BUSHING, RUBBER
23
2160-1004D38
BUSHING, RUBBER
24
2160-1004D51
BUSHING;RUBBER
25
DS7603052
BUSHING, RUBBER
26
2160-1201D14
BUSHING, RUBBER
27
2160-1201D15
Bushing,rubber
28
2160-1004D3
BUSHING;RUBBER
28
2160-1004D3
BUSHING;RUBBER
29
2160-1201D27
BUSHING, RUBBER
30
DS7601031
RUBBER, BUSHING
30
DS7601031
RUBBER, BUSHING
31
2114-9012A
WASHER;HARD
33
DS7601026
BUSHING, RUBBER
34
2160-1004D26
Grommet
35
K1004521A
PLATE
36
2160-1201D26
BUSHING, RUBBER
37
K1024910
PLATE, ANTI-SKID
38
DS7601044
BUSHING, RUBBER
39
DS7603096
GUIDE, RUBBER
51
160-00081
CAP
Содержащиеся в справочниках-каталогах запасные части и детали не предлагаются к продаже, а носят исключительно информационный характер
Дополнительная информация
×
Название:
Номер:
Примечание: