Вернуться на главную
Поиск
Каталоги запчастей к технике
Спецтехника
Doosan
DX140W
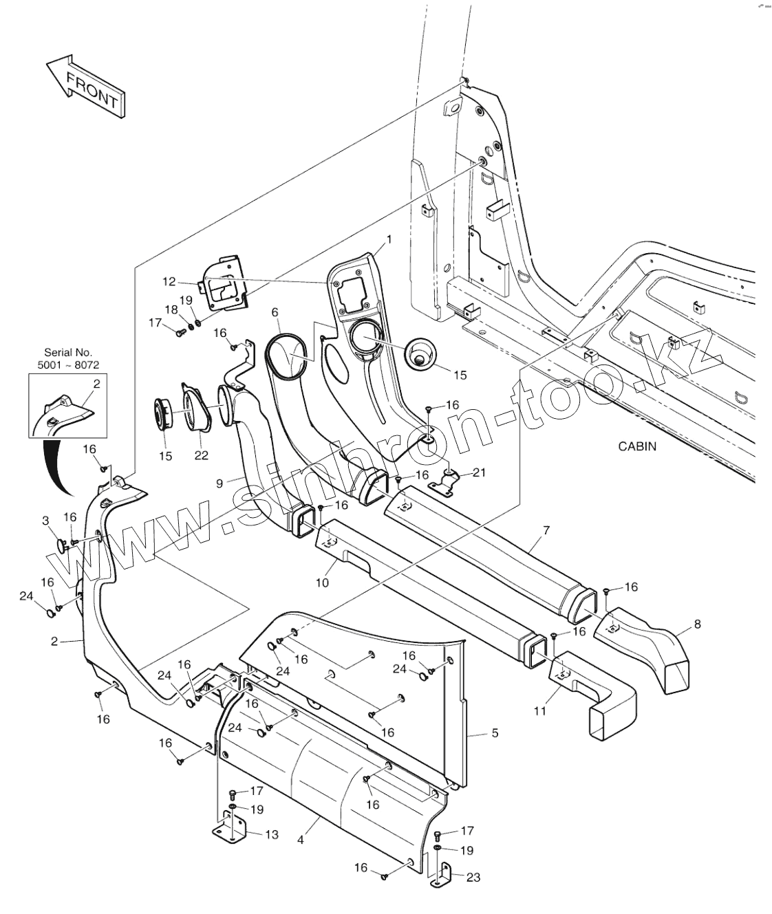
DUCT COVER - ROPS
Каталог запасных частей к технике: Doosan DX140W. DUCT COVER - ROPS
zoom-in
zoom-out
enlarge
shrink
circle-right
circle-left
file-text2
info
cart
Тип техники
Не выбрано
Легковые автомобили
Грузовые автомобили и прицепы
Автобусы
Сельхозтехника
Спецтехника
Двигатели
Мототехника
Марка
Не выбрано
Ammann
BOMAG
CARMIX
CASE IH
Changlin
ChengGong
Dimex
Doosan
DYNAPAC
Foton
HAMM
Hidromek
Hitachi
Hyundai
JCB
JLG
John Deere
Komatsu
LIEBHERR
LiuGong
Lonking (LongGong)
Luneng
MANITOU
Mitsuber
New Holland
PENGPU
RM-Terex
SANY
SDLG
SEM
Shantui
Shehwa HBXG
Soosan
TIGARBO
VOGELE
Volvo
WAY
WIRTGEN
XCMG
XGMA
Xiamen
YTO
Yuchai
Zoomlion
Автокран
АЗСМ
Алтайлесмаш
Амкодор
АОМЗ
Атек
АТЗ
Балканкар Рекорд
БелАЗ
Беловеж
Борекс
Брянский Арсенал
Булат
ВЭКС
ГАЗ
Геомаш
Гидромаш
Донекс
Дормаш
Дормашина
Дорэлектромаш
ДЭЗ
ЕлАЗ
ЗЗГТ
Ижнефтемаш
Канаш-электрокар
КЗКТ
ККЗ
Клевер
Клинцовский автокрановый завод
КМЗ
КМЗ 1 Мая
Ковровец
Коммаш
Кранэкс
КЭЗ
КЭМЗ
ЛЗА
МАЗ
МЗИК
МЗКМ
МЗКТ
Михневский РМЗ
МоАЗ
Мозырский МЗ
МТЗ
ОЗП
Онежец
ПАО "ТЗА"
ППС Детва
Промтрактор
ПТЗ
Раскат
СпецАгрегат
ТВЭКС
ТТМ
УВЗ
Угличмаш
УЗТМ
ХТЗ
ЧЗКМ
ЧСДМ
ЧТЗ
ЭКСКО
ЭКСМАШ
ЮрМаш
Модель
Не выбрано
DL220 (2010)
DX140W (2017)
DX225LC (2009)
DX225LCA (2012)
S225LC-V (2009)
S340LC-V (2009)
S500LC-V (2007)
SOLAR 130W-V(1) (2017)
SOLAR 130W-V(2) (2017)
SOLAR 140W-V (2017)
SOLAR 140W-V & S160W-V (2017)
SOLAR 160W-V (2017)
SOLAR 170W-V (2017)
SOLAR 180W-V (2017)
SOLAR 210W-V (2017)
SOLAR 255LC-V (DI EXP) (2017)
SOLAR 420LC-V (2017)
Мини-погрузчик 430 Plus (2010)
Мини-погрузчик 440 Plus (2010)
Мини-погрузчик 450 Plus (2010)
Мини-погрузчик 450 Plus (Tier3) (2010)
Мини-погрузчик 460 Plus (2010)
Мини-погрузчик 460 Plus (Tier3) (2010)
Мини-погрузчик 470 Plus (2010)
Экскаватор SOLAR 140LC-V (2010)
Экскаватор SOLAR 175LC-V (2010)
Схема
>
Не выбрано
CYLINDER BLOCK
TIMING GEAR CASE
FLYWHEEL HOUSING
CRANK SHAFT
CYLINDER HEAD
BREATHER PIPE
VALVE MECHANISM
OIL PUMP
OIL FILTER
OIL COOLER
OIL PAN
THERMOSTAT
WATER PUMP AND COOLING FAN
INTAKE AND EXHAUST MANIFOLD
TURBO CHARGER AND OIL PIPE
FUEL SYSTEM
FUEL FILTER
ALTERNATOR MOUNTING
STARTER
OVER HAUL GASKET KIT-TOP
OVER HAUL GASKET KIT - ALL
MAIN FRAME
COUNTER WEIGHT MOUNTING
COUNTER WEIGHT
ENGINE MOUNTING
RADIATOR AND RESERVE TANK
RADIATOR (5001 ~ 7986)
RADIATOR (7987 ~ )
MUFFLER
AIR CLEANER ASSY
AIR CLEANER
PUMP INSTALLATION
FUEL TANK
OIL TANK
SWING DEVICE
ENGINE CONTROL ASSY
LEVER ASSY
OIL COOLER PIPING (1)
OIL COOLER PIPING (2)
OIL COOLER PIPING (3)
MAIN PIPING (1) - PUMP, SWING
MAIN PIPING (2) - TRAVEL
MAIN PIPING (3) - BOOM
MAIN PIPING (4) - ARM, BUCKET
PILOT PIPING (1)
PILOT PIPING (2)
PILOT PIPING (3)
PILOT PIPING (4)
PILOT PIPING (5)
PILOT PIPING (6)
PILOT PIPING (7)
PILOT PIPING (8)
PILOT PIPING (9)
PILOT PIPING (10)
BRAKE PIPING (1)
BRAKE PIPING (2)
STEERING PIPING
STEERING WHEEL ASSY
STEERING COLUMN ASSY
COLUMN ASSY
CONTROL STAND - L.H.
CONTROL STAND - R.H
SEAT SLIDING PLATE
SEAT PLATE
SEAT MOUNTING
SEAT
DUCT COVER
HEATER COVER
CABIN MOUNTING
CABIN (1)
CABIN (2)
CABIN (3)
CABIN (4)
HANDLE - CABIN
FLOOR MAT
FLOOR PLATE
HANDLE ASSY
SUN ROOF COVER
FOOT REST (L.H)
ROOM MIRROR
SUPPORT
SIDE DOOR - L.H.
SIDE DOOR - R.H.
BATTERY COVER
ENGINE COVER
COVER
HANDRAIL
BAFFLE ASSY (1)
BAFFLE ASSY (2)
FOAM ASSY
UNDER COVER (5001 ~ 8191)
UNDER COVER (8192 ~)
LUBRICATOR PIPING
ELECTRIC BOX ASSY
EPOS (7604 ~ )
ELECTRIC PARTS - CABIN
ELECTRIC PARTS - CONTROL
ELECTRIC PARTS - RELATED (1)
ELECTRIC PARTS - ENGINE (5001-7580)
ELECTRIC PARTS - ENGINE (7581-)
ELECTRIC PARTS-WORKING
ELECTRIC PARTS - WIRING
ALTERNATOR ASSY
AIR CONDITIONER (1)
AIRCON UNIT
AIR CONDITIONER (2)
CHASSIS FRAME
CRADLE
POWER TRAIN - AXLE
POWER TRAIN - TIRE
POWER TRAIN - SHAFT
CHASSIS COMPONENTS (1)
CHASSIS COMPONENTS (2)
BRAKE PIPING
STEER AND CHOCKING PIPING
PROPELLING PIPING
PROPELLING PIPING - SWIVEL JOINT
BLADE
BALDE PIPING
BLADE PIPING - REAR DOZER ONLY
BOOM - 4.3M
ARM 2.1M
BUCKET ASSY- 0.59M3
BOOM PIPING - 4.3M
LUBRICATION PIPING - BOOM
ARM PIPING - 2.1M
MAIN PUMP
MAIN PUMP - ROTARY GROUP
MAIN PUMP - CONTROL
MAIN PUMP - COVER
SWING MOTOR
SWING REDUCTION GEAR
TRAVEL MOTOR
TRAVEL MOTOR - ROTARY GROUP
TRAVEL MOTOR - CONROL
TRAVEL MOTOR - CONROL PART
TRAVEL MOTOR - STROKE LIMITER
TRAVEL MOTOR - COUNTER BALANCE
CONTROL VALVE
SOLENOID VALVE
JOYSTICK VALVE
JOYSTICK VALVE - DOZER
BRAKE SUPPLY VALVE
SOLENOID VALVE
QUICK CLAMP VALVE
CENTER JOINT - NOT INDE.
CENTER JOINT - INDEPENDENT ATTACH
BOOM CYLINDER - L.H. (5001 ~ 8191)
BOOM CYLINDER - L.H. (8192 ~ )
BOOM CYLINDER - R.H. (5001 ~ 8191)
BOOM CYLINDER - R.H. (8192 ~ )
ARM CYLINDER - ARM 2.1M (5001 ~ 8191)
ARM CYLINDER - ARM 2.1M (8192-)
ARM CYLINDER-2.5m (5001 ~ 8191)
ARM CYLINDER - ARM 2.5M (8192 ~)
BUCKET CYLINDER (55001 ~ 8191)
BUCKET CYLINDER (8192 ~)
DOZER CYLINDER (L.H.)
DOZER CYLINDER (R.H.)
CHOCKING CYLINDER - L.H. (5001-7572)
CHOCKING CYLINDER - L.H. (7573-)
CHOCKING CYLINDER - R.H. (5001-7572)
CHOCKING CYLINDER - R.H. (7573-)
OUTRIGGER CYLINDER (L.H.)
OUTRIGGER CYLINDER (R.H.)
BOOM CYLINDER - L.H. (LOCK VALVE) (55001 ~ 8191)
BOOM CYLINDER - L.H. (LOCK VALVE) (8192 ~)
BOOM CYLINDER - R.H. (LOCK VALVE) (55001 ~ 8191)
BOOM CYLINDER - R.H. (LOCK VALVE) (8192 ~)
ARM CYLINDER - ARM 2.1M (LOCK VALVE) (55001 ~ 8191)
ARM CYLINDER - ARM 2.1M (LOCK VALVE) (8192 ~)
ARM CYLINDER - ARM 2.5M (LOCK VALVE) (55001 ~ 8191)
ARM CYLINDER - ARM 2.5M (LOCK VALVE) (8192 ~)
GEAR PUMP-ROTATION
PEDAL VALVE
INPUT - FRONT AXLE (5001 ~7504)
INPUT - FRONT AXLE (7505 ~8165)
INPUT - FRONT AXLE
DIFFERENTIAL GEAR - FRONT AXLE (5001~7504)
DIFFERENTIAL GEAR - FRONT AXLE (7505~8165)
DIFFERENTIAL GEAR - FRONT AXLE (8166~)
AXLE CASING - FRONT AXLE (5001~8165)
AXLE CASING - FRONT AXLE (8166~)
JOINT HOUSING - FRONT AXLE (5001~8165)
JOINT HOUSING - FRONT AXLE (8166~)
STEERING CYLINDER - FRONT (5001~8165)
STEERING CYLINDER - FRONT (8166~)
OUTPUT - FRONT AXLE (5001~7504)
OUTPUT - FRONT AXLE (7505 ~8165)
OUTPUT - FRONT AXLE (8166 ~ )
DIFFERENTIAL GEAR - REAR AXLE (5001~7504)
DIFFERENTIAL GEAR - REAR AXLE (7505~)
AXLE CASING - REAR AXLE
HUB CARRIER - REAR AXLE
OUTPUT - REAR AXLE (5001~7504)
OUTPUT - REAR AXLE (7505 ~ )
INPUT - MISSION
HOUSING - MISSION
MIDDLE DISC - MISSION
COUPLING - MISSION
PLANETARY GEAR - MISSION
OUTPUT - MISSION
GEAR SHIFT SYSTEM - MISSION
OIL PIPE - MISSION
GEAR PUMP - STEERING
TOOLS
SPARE PARTS
SEAT MOUNTING - HEATER
SEAT - HEATER
FUEL FILLER PUMP
ROOF COVER - STEEL
RAIN SHIELD
RAIN SHIELD AND LAMP MOUNTING
CABIN LOW GUARD
WINDOW GUARD
FOGS GUARD
SINGLE TIRE
TIRE 10.0x16PR
ALTERNATOR 80A
CD PLAYER
CASSETTE PLAYER (5001 ~ 7558)
WORKING LAMP SWITCH
WORKING LAMP-2LAMP
WORKING LAMP-4LAMP
WORKING LAMP-REAR LAMP
ROTATING BEACON
ROTATING BEACON MOUNTING
ROTATING BEACON (TELESCOPIC) WITH LAMP
ROTATING BEACON (TELESCOPIC) W/O LAMP
OVER LOAD WARNING
LOWER WIPER
WORKING LAMP-2LAMP
WORKING LAMP-4LAMP
ROTATING BEACON - WITH FOGS
FLOOR MAT - ONE AND TWO WAY
MAIN PIPING - ONE WAY (BREAKER)
PILOT PIPING (1) - ONE WAY
PILOT PIPING (2) - ONE WAY
MAIN PIPING-TWO WAY
PILOT PIPING (1) - TWO WAY
PILOT PIPING (2) - TWO WAY
BOOM PIPING ONE AND TWO WAY (BOOM-4.3M)
ARM PIPING-ONE AND TWO WAY (ARM-2.1M)
ARM PIPING - ARM 2.1 (CLAMSHELL)
MAIN PIPING - QUICK CLAMP
ELECTRIC PARTS - QUICK CLAMP
BOOM PIPING-QUICK CLAMP (BOOM-4.3M)
ARM PIPING-QUICK CLAMP (ARM-2.1M)
MAIN PIPING-ROTATING
PILOT PIPING-ROTATING (1)
PILOT PIPING - ROTATING +QUICK CLAMP
PILOT PIPING-ROTATING (2)
PILOT PIPING TWO WAY + ROTATING
FLOOR MAT TWO WAY + ROTATING
BOOM PIPING - BOOM 4.3M
ARM PIPING ARM 2.1m ROTATING
MAIN PIPING LOCK VALVE
PILOT PIPING LOCK VALVE
BOOM PIPING LOCK VALVE
ARM LOCK VALVE PIPING - BOOM 4.3M
BOOM - 4.6M
BOOM PIPING - BOOM 4.6M
LUBRICATION PIPING - BOOM 4.6M
BOOM PIPING-ONE AND TWO WAY (BOOM 4.6M)
BOOM PIPING-QUICK CLAMP (BOOM 4.6M)
BOOM PIPING - BOOM 4.6M ROTATING
ARM LOCK VALVE PIPING - BOOM 4.6M
ARM - 2.5M
ARM PIPING - ARM 2.5M
ARM PIPING-ONE AND TWO WAY (ARM 2.5M)
ARM PIPING - ARM 2.5M (CLAMSHELL)
ARM PIPING-QUICK CLAMP (ARM 2.5M)
ARM PIPING 2.5m ROTATING
BUCKET 0.24m3 (460mm)
BUCKET 0.39m3
BUCKET 0.45m3
BUCKET 0.51m3
BUCKET 0.64m3
BUCKET 0.76m3
BUCKET ASSY - 0.38m3 (30") - SIDE PIN
BUCKET ASSY - 0.44m3 (33") - SIDE PIN
BUCKET ASSY - 0.48m3 (36") - SIDE PIN
PILOT PIPING - FRONT ATTACH
UNDER CARRIAGE PIPING - NOT INDE
FRONT DOZER
FRONT DOZER PIPING
SWITCH - FRONT DOZER
REAR OUTRIGGER (5001 ~ 7632)
REAR OUTRIGGER (7633 ~)
FRONT/REAR OUTRIGGER PIPING
SWITCH - FRONT OUTRIGGER (NOT INDE)
FRONT OUTRIGGER (5001 ~ 7632)
FRONT OUTRIGGER (7633 ~ )
PILOT PIPING - INDEPENDENT
ELECTRIC PARTS - INDEPENDENT OUTRIGGER
FRONT DOZER AND REAR OUTRI.PIPING (INDE)
SLIP RING (5001 ~ 8072)
SLIP RING (8073~)
FRONT OUTRI. AND REAR DOZER PIPING (INDE)
4 OUTRIGGER PIPING - INDE
FRONT / REAR OUTRIGGER PIPING - INDE
SWITCH - FRONT OUTRIGGER (INDE)
SWITCH - REAR OUTRIGGER (INDE)
TROPICAL PARTS - ENGINE PARTS
TROPICAL PARTS - COVER
COUNTER WEIGHT - 2.2TON
COUNTER WEIGHT - 2.5TON
TIRE - 10.0X20X14PR
CONTROL STAND - L.H. (ROPS)
CONTROL STAND - R.H. (ROPS)
SEAT PLATE - ROPS
SEAT BASE - ROPS
SUSPENSION - ROPS
SEAT MOUNTING - ROPS
SEAT - ROPS
DUCT COVER - ROPS
HEATER COVER - ROPS
CABIN MOUNT - ROPS
CABIN (1) - ROPS
CABIN (2) - ROPS
CABIN (3) - ROPS
CABIN (4) - ROPS
HANDLE - CABIN ROPS
HANDLE - INNER (CABIN)
MIRROR - ADDITIONAL (CABIN)
ROOM MIRROR
ROOF COVER - PC (ROPS)
ROOF COVER - STEEL (ROPS)
FLOOR PLATE - ROPS
FOOT REST - L.H (ROPS)
FLOOR MAT - ROPS
FLOOR MAT - TWO PEDAL (ROPS)
FLOOR MAT - THREE PEDAL (ROPS)
RAIN SHIELD - ROPS
CABIN LOW GUARD - ROPS
WINDOW GUARD - ROPS
FOGS GUARD - ROPS
PILOT PIPING (1) - ROPS
PILOT PIPING (2) - ROPS
PILOT PIPING (3) - ROPS
PILOT PIPING (4) - ROPS
PILOT PIPING (5) - ROPS
PILOT PIPING - TWO WAY (ROPS)
PILOT PIPING - ROTATING (ROPS)
PILOT PIPING - TWO WAY + ROTATIONG ROPS
ELECTRIC PARTS - CABIN (ROPS)
ELECTRIC PARTS - CONTROL STAND ROPS
AUDIO - ROPS
WORKING LAMP (2-LAMP) - ROPS
WORKING LAMP (6-LAMP) - ROPS
WORKING LAMP (2-LAMP) - ROPS GUARD
WORKING LAMP (2-LAMP) - ROPS GUARD
ROTATING BEACON - ROPS
ROTATING BEACON - WITH LAMP ROPS
ROTATING BEACON - WITH GUAR DROPS
ROTATING BEACON - WITH LAMP AND GUAR ROPS
TELESCOPIC BEACON - ROPS
TELESCOPIC BEACON - WITH LAMP ROPS
VENTILATION - ROPS
AIRCONDITIONER - ROPS
QUICK CLAMP SWITCH - ROPS
LOWER WIPER - ROPS
SWITCH - FRONT OUTRIGGER (NOT INDE)
SWITCH - FRONT DOZER
SWITCH - FRONT OUTRIGGER (NOT INDE)
SWITCH - REAR DOZER
SWITCH - REAR OUTRIGGER (INDE)
ELECTRIC WIRING - ROPS
BUCKET ASSY - 0.21M - H CLASS (5001-8183)
BUCKET ASSY - 0.31M - H CLASS
BUCKET ASSY - 0.42M - H CLASS
BUCKET ASSY - 0.52M - H CLASS
BUCKET ASSY - 0.60M - H CLASS
BUCKET ASSY - 0.67M - H CLASS
BUCKET ASSY - 0.74M - H CLASS
STEERING PIPING (1) - EMR
STEERING PIPING (2) - EMR
STEERING WHEEL ASSY - EMR (NON ROPS) (8044-)
STEERING WHEEL ASSY- EMR (ROPS) (8044-)
TMS - NA (8065 ~)
TMS - EU (8065 ~)
TMS (ROPS) (8065 ~)
BUCKET ASSY - 0.39M - G CLASS
BUCKET ASSY - 0.45M - G CLASS
BUCKET ASSY - 0.51M - G CLASS
BUCKET ASSY - 0.59M - G CLASS
BUCKET ASSY - 0.64M - G CLASS
BUCKET ASSY - 0.76M - G CLASS
110517-00363H
110517-00363K
110517-00363G
1
1
2
2
2
2
2
2
3
4
5
6
7
8
9
10
11
12
13
15
15
15
15
16
16
16
16
16
16
16
16
16
16
16
16
16
16
16
16
16
16
17
17
17
18
19
19
19
21
22
23
24
24
24
24
24
Позиция на иллюстрации
Заводской номер детали
Название детали
110517-00363H
110517-00363H
COVER ASSY, SIDE
110517-00363K
110517-00363K
COVER ASSY, SIDE
110517-00363G
110517-00363G
COVER ASSY, SIDE
1
110517-00261A
COVER, SIDE, UPPER
1
110517-00261B
COVER, SIDE
2
110517-00262A
COVER, SIDE, LOWER
2
110517-00262B
COVER, SIDE
3
110910-00183A
CAP
4
110517-00006G
COVER, SIDE
5
110517-00007H
COVER, SIDE
6
460103-00146A
DUCT
7
460103-00004B
DUCT
8
460103-00005C
DUCT
9
460103-00147A
DUCT
10
460103-00007B
DUCT
11
460103-00008B
DUCT
12
250127-00324B
PLATE
13
250127-00027B
PLATE
15
430218-00046
NOZZLE
15
430218-00380
NOZZLE
16
2120-2166D52
BOLT
17
2120-2166D5
BOLT M8X1.25X20
18
2114-2031D4
WASHER;SPRING M8
19
2114-1898D14
WASHER
21
110406-01082
BRACKET
22
220204-00122
COVER
23
250127-00096A
PLATE
24
110910-00050C
CAP
Содержащиеся в справочниках-каталогах запасные части и детали не предлагаются к продаже, а носят исключительно информационный характер
Дополнительная информация
×
Название:
Номер:
Примечание: