Вернуться на главную
Поиск
Каталоги запчастей к технике
Спецтехника
Doosan
DL220
ROTATING BEACON
Каталог запасных частей к технике: Doosan DL220. ROTATING BEACON
zoom-in
zoom-out
enlarge
shrink
circle-right
circle-left
file-text2
info
cart
Тип техники
Не выбрано
Легковые автомобили
Грузовые автомобили и прицепы
Автобусы
Сельхозтехника
Спецтехника
Двигатели
Мототехника
Марка
Не выбрано
Ammann
BOMAG
CARMIX
CASE IH
Changlin
ChengGong
Dimex
Doosan
DYNAPAC
Foton
HAMM
Hidromek
Hitachi
Hyundai
JCB
JLG
John Deere
Komatsu
LIEBHERR
LiuGong
Lonking (LongGong)
Luneng
MANITOU
Mitsuber
New Holland
PENGPU
RM-Terex
SANY
SDLG
SEM
Shantui
Shehwa HBXG
Soosan
TIGARBO
VOGELE
Volvo
WAY
WIRTGEN
XCMG
XGMA
Xiamen
YTO
Yuchai
Zoomlion
Автокран
АЗСМ
Алтайлесмаш
Амкодор
АОМЗ
Атек
АТЗ
Балканкар Рекорд
БелАЗ
Беловеж
Борекс
Брянский Арсенал
Булат
ВЭКС
ГАЗ
Геомаш
Гидромаш
Донекс
Дормаш
Дормашина
Дорэлектромаш
ДЭЗ
ЕлАЗ
ЗЗГТ
Ижнефтемаш
Канаш-электрокар
КЗКТ
ККЗ
Клевер
Клинцовский автокрановый завод
КМЗ
КМЗ 1 Мая
Ковровец
Коммаш
Кранэкс
КЭЗ
КЭМЗ
ЛЗА
МАЗ
МЗИК
МЗКМ
МЗКТ
Михневский РМЗ
МоАЗ
Мозырский МЗ
МТЗ
ОЗП
Онежец
ПАО "ТЗА"
ППС Детва
Промтрактор
ПТЗ
Раскат
СпецАгрегат
ТВЭКС
ТТМ
УВЗ
Угличмаш
УЗТМ
ХТЗ
ЧЗКМ
ЧСДМ
ЧТЗ
ЭКСКО
ЭКСМАШ
ЮрМаш
Модель
Не выбрано
DL220 (2010)
DX140W (2017)
DX225LC (2009)
DX225LCA (2012)
S225LC-V (2009)
S340LC-V (2009)
S500LC-V (2007)
SOLAR 130W-V(1) (2017)
SOLAR 130W-V(2) (2017)
SOLAR 140W-V (2017)
SOLAR 140W-V & S160W-V (2017)
SOLAR 160W-V (2017)
SOLAR 170W-V (2017)
SOLAR 180W-V (2017)
SOLAR 210W-V (2017)
SOLAR 255LC-V (DI EXP) (2017)
SOLAR 420LC-V (2017)
Мини-погрузчик 430 Plus (2010)
Мини-погрузчик 440 Plus (2010)
Мини-погрузчик 450 Plus (2010)
Мини-погрузчик 450 Plus (Tier3) (2010)
Мини-погрузчик 460 Plus (2010)
Мини-погрузчик 460 Plus (Tier3) (2010)
Мини-погрузчик 470 Plus (2010)
Экскаватор SOLAR 140LC-V (2010)
Экскаватор SOLAR 175LC-V (2010)
Схема
>
Не выбрано
CYLINDER BLOCK
TIMING GEAR CASE
FLYWHEEL HOUSING
OIL SEAL
BREATHER
DRIVING SYSTEM
CYLINDER HEAD
CYLINDER HEAD COVER
TIMING SYSTEM
OIL PUMP
OIL FILTER AND OIL COOLER
OIL PAN
THERMOSTAT
WATER PUMP
COOLING FAN
INTAKE AND EXHAUST MANIFOLD
TURBOCHARGER
INJECTOR
INJECTION PIPE
INJECTION PUMP
ENGINE CONTROL
FUEL SYSTEM
ALTERNATOR
LIFTING HOOK
STARTER
SENSOR
WIRE HARNESS
ENGINE MOUNTING
AIR COMPRESSOR
OVERHAUL GASKET KIT - ALL
OVERHAUL GASKET KIT - TOP
FRAME
ENGINE MOUNTING
OIL TANK
FUEL TANK
AXLE AND DRIVE SHAFT
WHEEL ASSY
MAIN PIPING
STEERING PIPING
CONTROL VALVE PIPING (3-SPOOL)
PILOT PIPING - JOYSTICK
PILOT PIPING - 3SPOOL
BRAKE PEDAL VALVE AND STEER UNIT
BRAKE PIPING
REMOTE PRESS CHECK PIPING
OIL COOLER PIPING (1)
OIL COOLER PIPING (2)
CABIN MOUNTING
CABIN (1)-BODY
MIRROR - MOUNTING
CABIN (2)-INTERIOR SHEET
CABIN (3) - DOOR ASSY (L.H)
CABIN (4) - DOOR ASSY (R.H)
CABIN (5) - GLASS
CONTROL STAND
JOYSTICK MOUNTING - 3rd LEVER
SEAT ASSY-MECHANICAL SUSPENSE
DUCT ASSY
STEERING ASSY
COUNTER WEIGHT AND REAR LAMP
BAFFLE ASSY
RADIATOR GUARD
ENGINE COVER
RADIATOR GRILL ASSY
FENDER & LADDER
ELECTRIC BOX - FNR LEVER
ELECTRIC PARTS - CABIN
ELECTRIC PARTS - ENGINE
ALTERNATOR MOUNTING
ELECTRIC PARTS (1) - BATTERY AND REAR LAMP
ELECTRIC PARTS (2) - FRONT
ELECTRIC PARTS (3) - WIRING
AIR CONDITIONER (1)
AIR CONDITIONER (2)
AIR CONDITIONER (3)
LOADER ARM ASSY
FRONT LUBRICATION PIPING
ARM RAISE KICK OUT ASSY
RETURN TO DIG ASSY
BUCKET ASSY - 2.2M3 TOOTH
ENGINE CONNECT - TRANSMISSION
INPUT - TRANSMISSION
GEARBOX HOUSING - TRANSMISSION
COUPLING K1 - TRANSMISSION
COUPLING K2 - TRANSMISSION
COUPLING K3 - TRANSMISSION
COUPLING K4 - TRANSMISSION
COUPLING KV - TRANSMISSION
COUPLING KR - TRANSMISSION
OUTPUT - TRANSMISSION
POWER TAKE OFF - TRANSMISSION
GEAR SHIFT SYSTEM (1) - TRANSMISSION
GEAR SHIFT SYSTEM (2) - TRANSMISSION
PRESSURE REGULATOR - TRANSMISSION
PRESSURE OIL PUMP - TRANSMISSION
EMG.STEERING PUMP - TRANSMISSION
INDICATOR TRANSMITTER - TRANSMISSION
TEMPERATURE SENSOR - TRANSMISSION
FILTER - TRANSMISSION
OIL DIPSTICK - TRANSMISSION
LOOSE PARTS - TRANSMISSION
INTERMEDIATE CONNECT - FRONT AXLE
DIFFERENTIAL HOUSING - FRONT AXLE
DIFFERENTIAL - FRONT AXLE
PLANETARY GEAR - FRONT AXLE
BRAKE - FRONT AXLE
INTERMEDIATE CONNECT - REAR AXLE
DIFFERENTIAL HOUSING - REAR AXLE
DIFFERENTIAL - REAR AXLE
PLANETARY GEAR - REAR AXLE
BRAKE - REAR AXLE
MAIN PUMP
STEERING UNIT
CUSHION VALVE
BRAKE AND PILOT SUPPLY VALVE
BRAKE FOOT VALVE
CONTROL VALVE (3-SPOOL)
CONTROL VALVE (2-SPOOL)
BUCKET CYLINDER
LIFT CYLINDER
STEERING CYLINDER
FAN MOTOR
FAN MOTOR (BI-ROTATION)
REMOTE CONTROL VALVE
REMOTE CONTROL VALVE - FNR
REMOTE CONTROL VALVE - 2SP + 2 LEVER
REMOTE CONTROL VALVE - 3SP + 3 LEVER
TOOL
SPARE PARTS
EMERGENCY STEERING
EMERGENCY STEERING - ELECTRIC
CONTROL VALVE PIPING - 2 SPOOL
PILOT PIPING - FNR + 2 SPOOL
PILOT PIPING - FINGER + 3 SPOOL
PILOT PIPING - FINGER + 2 SPOOL
PILOT PIPING - MONO LEVER + 2 SPOOL
LOAD ISOLATION SYSTEM
LIS SWITCH
LOW NOISE COVER
RADIATOR GRILL ASSY
FENDER & LADDER - MUD GUARD
FENDER & LADDER - FULL
REAR FENDER
BUCKET ASSY - 2.3M3 (CUTTING EDGE)
FUEL HEATER
ROTATING BEACON
ARM FLOAT KICK-OUT ASSY
ARM FLOAT KICK - ELECTRIC
ALTERNATOR - 80A
NOISE FILTER - WIPER MOTOR
NOISE FILTER (AC)
CD PLAYER
REAR VIEW CAMERA
LOADER ARM - ADD PIPING
CONTROL VALVE PIPING - ADD PIPING
CONTROL VALVE PIPING - ADD PIPING
WHEEL ASSY
WHEEL ASSY
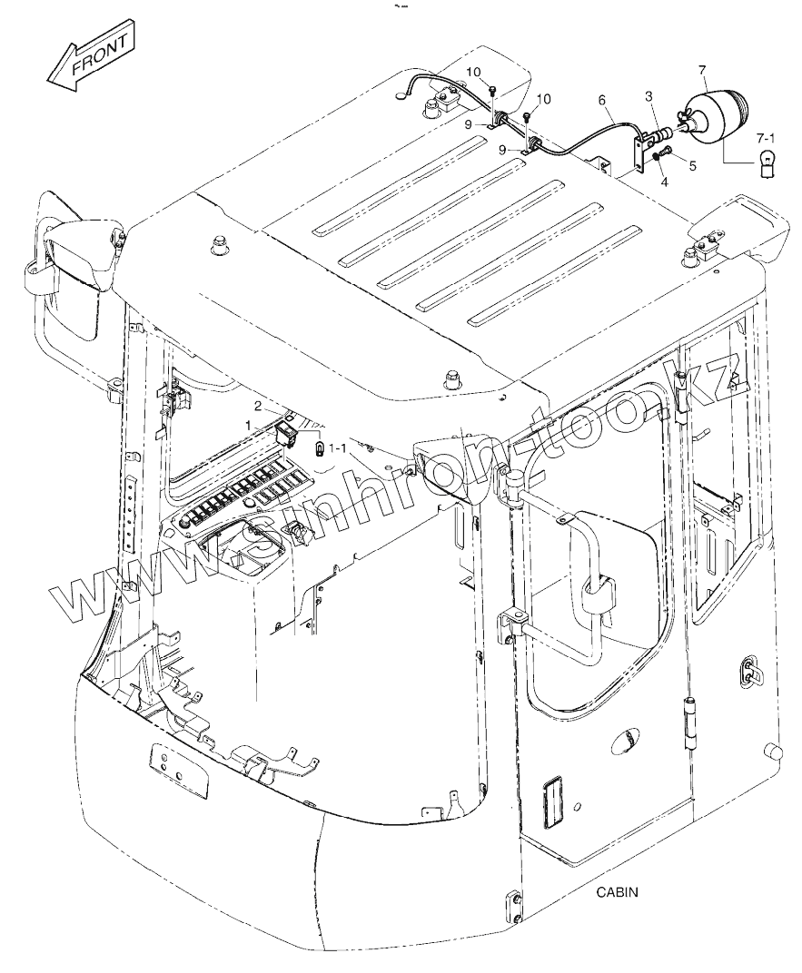
К1024087В
1
1-1
2
3
4
5
6
7
7-1
9
9
10
10
Позиция на иллюстрации
Заводской номер детали
Название детали
К1024087В
К1024087В
ROTATING BEACON
1
2549-9098
SWITCH;OVERLOAD WARNING
1-1
К9000353
LAMP, PILOT
2
2190-2036D10
INSERT;ROTATING BEACON
3
131002-00085
BUSHING ASSY
4
S5102503
WASHER;SPRING
5
S0508853
BOLT M8X1.25X20
6
К1008765
HARNESS, BEACON
7
534-00062
LAMP;ROTATING BEACON
7-1
515-00013
BULB;HALOGEN H1 24V 70W
9
124-00208D2
CLIP D14/M8
10
К1001029
BOLT
Содержащиеся в справочниках-каталогах запасные части и детали не предлагаются к продаже, а носят исключительно информационный характер
Дополнительная информация
×
Название:
Номер:
Примечание: