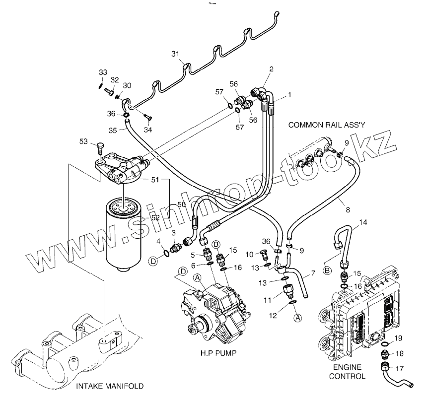
Каталог запасных частей к технике: Doosan DL220. FUEL SYSTEM
1
2
3
4
5
6
7
8
9
9
10
11
12
13
13
14
15
15
16
16
17
18
19
30
31
32
33
34
35
36
36
50
51
52
53
56
56
57
57
| Позиция на иллюстрации | Заводской номер детали | Название детали | |
|---|---|---|---|
| 1 | 65.96340-5081 | HOSE, FUEL | |
| 2 | 65.96340-5081 | HOSE, FUEL | |
| 3 | 65.98130-0211 | ADAPTER | |
| 4 | 06.56190-0704 | Ring | |
| 5 | 65.98130-0229 | ADAPTER | |
| 6 | 06.56190-0706 | Ring | |
| 7 | 65.12301-5291 | PIPE, FUEL | |
| 8 | 65.96330-0018B | HOSE, RUBBER, RING JOIN | |
| 9 | 65.97440-0045 | CLAMP, HOSE | |
| 10 | 06.78144-2204 | Screw | |
| 11 | 65.98130-0159A | ADAPTER | |
| 12 | 06.56190-0704 | Ring | |
| 13 | 06.56190-0706 | Ring | |
| 14 | 65.12301-5289 | PIPE, FUEL | |
| 15 | 06.78190-0206 | Screw | |
| 16 | 65.96507-0043 | Ring | |
| 17 | 65.12301-5268 | PIPE, FUEL | |
| 18 | 65.98130-0229 | ADAPTER | |
| 19 | 06.56190-0706 | Ring | |
| 30 | 65.96507-0055 | Ring | |
| 31 | 65.12301-5288B | PIPE, FUEL | |
| 32 | 65.98130-0154 | Adapter | |
| 33 | 06.56180-0712 | Ring | |
| 34 | 65.98150-0042A | Screw | |
| 35 | 65.96301-0462A | HOSE, RUBBER | |
| 36 | 65.97402-0003 | CLAMP, HOSE | |
| 50 | 65.12501-7042C | FUEL FILTER ASSY | |
| 51 | 65.12504-5028 | Head, fuel filter | |
| 52 | 65.12503-5026A | Filter, e/g fuel | |
| 53 | 06.01923-3217 | BOLT ASSY M10X30 | |
| 56 | 65.98130-0229 | ADAPTER | |
| 57 | 65.96507-0043 | Ring |
Содержащиеся в справочниках-каталогах запасные части и детали не предлагаются к продаже, а носят исключительно информационный характер