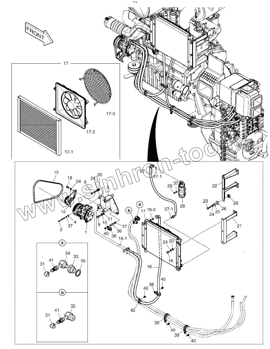
Каталог запасных частей к технике: Doosan DL220. AIR CONDITIONER (1)
440213-00118
1
2
4
5
6
9
10
11
12
15
16
16-1
16-2
17
17
17-1
17-2
17-3
18
18
20
20
21
22
23
24
24
24
24
25
26
26
27
27-1
27-1
28
29
31
31
32
33
34
35
36
37
37
37
38
38
39
39
40
40
40
40
40
41
41
42
| Позиция на иллюстрации | Заводской номер детали | Название детали | |
|---|---|---|---|
| 440213-00118 | 440213-00118 | VENTILATION ASSY, CHASSIS | |
| 1 | 2208-6013B | COMPRESSOR | |
| 2 | S0557166 | BOLT | |
| 4 | S5010513 | WASHER;PLAIN M8 | |
| 5 | K1037356A | BRACKET, COMPRESSOR | |
| 6 | S0558966 | BOLT | |
| 9 | S0786366 | BOLT | |
| 10 | S5102703 | WASHER;SPRING M10 | |
| 11 | S5010713 | WASHER;PLAIN | |
| 12 | 2107-6006 | PULLEY ASS'Y;IDLE 4PK | |
| 15 | 2106-1019D25 | V-BELT, POLY(4PK-1210L) | |
| 16 | 420102-00123 | HOSE, DISCHARGE | |
| 16-1 | 2180-6088 | O-ring | |
| 16-2 | 2180-6089 | O-RING(COMP) | |
| 17 | 440204-00002 | Condenser assy | |
| 17-1 | 2520-6005 | CONDENSER CORE | |
| 17-2 | 300506-00004 | MOTOR, CONDENSER | |
| 17-3 | 2520-6006 | NET;CONDENSER | |
| 18 | S0512066 | BOLT | |
| 20 | S5010613 | WASHER;PLAIN | |
| 21 | 195-01868 | BRACKET, CONDENSER(R.H) | |
| 22 | 195-01362B | BRACKET, CONDENSER(L.H) | |
| 23 | S0558566 | BOLT | |
| 24 | S5102603 | WASHER;SPRING M10 | |
| 25 | 2114-1058D1 | Washer | |
| 26 | 2512-1077 | RUBBER, CUSHION | |
| 27 | 185-00288 | HOSE, LIQUID(1) 850L | |
| 27-1 | 2180-6090 | O-RING | |
| 28 | 2204-6039A | RECEIVER DRIER | |
| 29 | S0508666 | Bolt | |
| 31 | S8450016 | CLAMP;HOSE | |
| 32 | 2181-1159 | ADAPTER | |
| 33 | 2181-1160A | ADAPTER | |
| 34 | 2181-1161A | ADAPTER | |
| 35 | S8180411 | SEAL;COPPER | |
| 36 | 2120-2187 | BOLT;STUD M8X1.25X20/M8 | |
| 37 | S5102503 | WASHER;SPRING | |
| 38 | 124-00209D1 | CLIP 2-D20/M8 | |
| 39 | 124-00208D7 | CLIP;BAND | |
| 40 | К1001029 | BOLT | |
| 41 | 2181-2774 | NIPPLE, HOSE | |
| 42 | 124-00208D3 | CLIP D20/M8 |
Содержащиеся в справочниках-каталогах запасные части и детали не предлагаются к продаже, а носят исключительно информационный характер