Каталог запасных частей к технике: Донекс ЭО-4112. Платформа поворотная
14
15
15
16
17
17
18
19
20
21
22
22
23
23
24
25
25
26
27
28
29
30
31
32
33
33
34
34
35
36
37
38
39
40
41
42
43
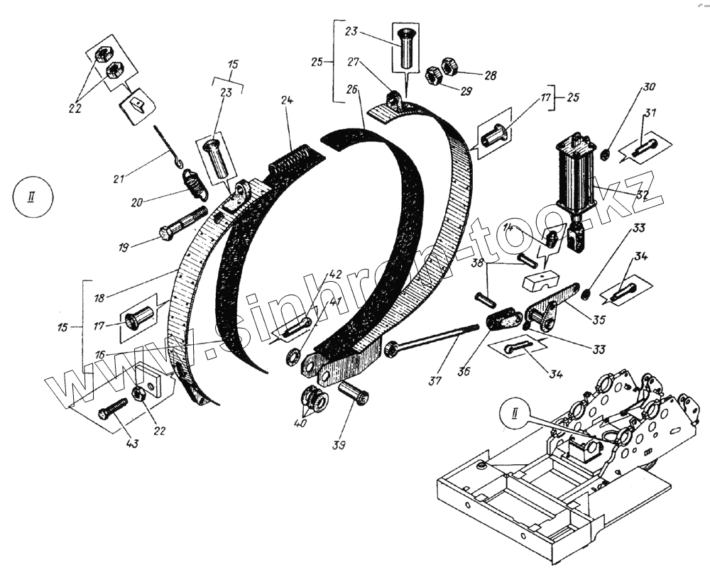
| Позиция на иллюстрации | Заводской номер детали | Название детали | |
|---|---|---|---|
| 14 | 312868x20 | Штифт | |
| 15 | 652.054.02 | Лента тормозная | |
| 16 | 652.054.01.5 | Накладка тормозная | |
| 17 | 196A-001 | Заклепка трубчатая | |
| 18 | 652.054.03 | Лента сбегающей половины | |
| 19 | 15589М30x300 | Болт | |
| 20 | 107.057.24 | Пружина | |
| 21 | 652.054.03.10 | Оттяжка | |
| 22 | 5915М16 | Гайка | |
| 23 | 196A-003 | Заклепка трубчатая | |
| 24 | 652.054.00.9 | Пружина | |
| 25 | 652.054.04 | Лента тормоза | |
| 26 | 652.054.01.8 | Накладка тормозная | |
| 27 | 652.054.05 | Лента набегающей половины | |
| 28 | 15521М30 | Гайка | |
| 29 | 15522М30 | Гайка | |
| 30 | 964916 | Шайба | |
| 31 | 3974х25 | Шплинт | |
| 32 | ЭО-4112.20.56.00.000 | Пневмоцилиндр | |
| 33 | 964920 | Шайба | |
| 34 | 3975x45 | Шплинт | |
| 35 | ЭО-4112.20.54.00.000 | Кронштейн | |
| 36 | 53А-002 | Наконечник | |
| 37 | ЭО-4112.20.00.00.001 | Тяга | |
| 38 | 96506-20h11х55 | Ось | |
| 39 | 652А.054.00.38 | Палец | |
| 40 | 107.064.33 | Кольцо | |
| 41 | 964936 | Шайба | |
| 42 | 3976,3x50 | Шплинт | |
| 43 | 652.052.00.33 | Винт |
Содержащиеся в справочниках-каталогах запасные части и детали не предлагаются к продаже, а носят исключительно информационный характер