Вернуться на главную
Поиск
Каталоги запчастей к технике
Спецтехника
Донекс
ЭО-4112
Оборудование кабины
Каталог запасных частей к технике: Донекс ЭО-4112. Оборудование кабины
zoom-in
zoom-out
enlarge
shrink
circle-right
circle-left
file-text2
info
cart
Тип техники
Не выбрано
Легковые автомобили
Грузовые автомобили и прицепы
Автобусы
Сельхозтехника
Спецтехника
Двигатели
Мототехника
Марка
Не выбрано
Ammann
BOMAG
CARMIX
CASE IH
Changlin
ChengGong
Dimex
Doosan
DYNAPAC
Foton
HAMM
Hidromek
Hitachi
Hyundai
JCB
JLG
John Deere
Komatsu
LIEBHERR
LiuGong
Lonking (LongGong)
Luneng
MANITOU
Mitsuber
New Holland
PENGPU
RM-Terex
SANY
SDLG
SEM
Shantui
Shehwa HBXG
Soosan
TIGARBO
VOGELE
Volvo
WAY
WIRTGEN
XCMG
XGMA
Xiamen
YTO
Yuchai
Zoomlion
Автокран
АЗСМ
Алтайлесмаш
Амкодор
АОМЗ
Атек
АТЗ
Балканкар Рекорд
БелАЗ
Беловеж
Борекс
Брянский Арсенал
Булат
ВЭКС
ГАЗ
Геомаш
Гидромаш
Донекс
Дормаш
Дормашина
Дорэлектромаш
ДЭЗ
ЕлАЗ
ЗЗГТ
Ижнефтемаш
Канаш-электрокар
КЗКТ
ККЗ
Клевер
Клинцовский автокрановый завод
КМЗ
КМЗ 1 Мая
Ковровец
Коммаш
Кранэкс
КЭЗ
КЭМЗ
ЛЗА
МАЗ
МЗИК
МЗКМ
МЗКТ
Михневский РМЗ
МоАЗ
Мозырский МЗ
МТЗ
ОЗП
Онежец
ПАО "ТЗА"
ППС Детва
Промтрактор
ПТЗ
Раскат
СпецАгрегат
ТВЭКС
ТТМ
УВЗ
Угличмаш
УЗТМ
ХТЗ
ЧЗКМ
ЧСДМ
ЧТЗ
ЭКСКО
ЭКСМАШ
ЮрМаш
Модель
Не выбрано
ЭО-4112 (2005)
Схема
>
Не выбрано
Экскаватор
Экскаватор
Кабина машиниста
Кабина машиниста
Кабина машиниста
Металлоконструкция кабины
Металлоконструкция кабины
Обшивка кабины
Обшивка кабины
Обшивка кабины
Обшивка кабины
Крыша
Крыша
Капот
Капот
Оборудование кабины
Оборудование кабины
Оборудование кабины
Крышка люка
Дверь
Пульт управления
Колонка
Площадка тормозная
Акселератор
Блок управления стрелой
Пневморазводка
Пневморазводка
Экскаватор с оборудованием прямая лопата
Оборудование прямая лопата
Ковш с рукоятью
Ковш 0,65
Ковш 0,65
Блок ковша
Рукоять
Механизм открывания днища
Ковш 0,8
Ковш 0,8
Ковш с зачистным устройством
Ковш с зачистным устройством
Ковш с зачистным устройством
Пневмоцилиндр
Шланг гибкий
Блок
Успокоитель
Ось блоков
Полиспаст
Экскаватор с оборудованием драглайн
Оборудование драглайн
Оборудование драглайн
Наводка драглайна
Ковш драглайна
Блок опрокидной
Ковш драглайна
Ось
Ось блоков
Блок ковша
Рукоять
Стойка передняя
Ось блоков
Экскаватор с оборудованием обратная лопата
Оборудование обратная лопата
Оборудование обратная лопата
Оборудование обратная лопата
Экскаватор с оборудованием грейфер
Ообрудование грейфер
Оборудование грейфер
Ковш грейфера
Ковш грейфера
Экскаватор с оборудованием рыхлитель
Оборудование рыхлитель
Оборудование рыхлитель
Рыхлитель
Стрела опорная
Стрела опорная
раверса
Экскаватор со сваебойным оборудованием
Сваебойное оборудование
Сваебойное оборудование
Сваебойное оборудование
Стрела
Ось блоков
Механизм напорный
Вал седловой
Барабан напорный
Подвеска наголовника
Подвеска
Полиспаст
Низ стрелы
Низ стрелы
Низ стрелы
Домкрат
Вставка
Верх стрелы
Ограничитель подъема стрелы
Стойка двуногая
Оборудование гидравлическое
Оборудование гидравлическое
Оборудование гидравлическое
Установка бака
Тележка гусеничная
Механизм натяжения гусениц
ЭКолесо натяжное
Гидроцилиндр
Пневморазводка
Пневморазводка
Гусеница
Механизм ходовой
Механизм ходовой
Механизм ходовой
Механизм ходовой
Механизм ходовой
Механизм ходовой
Рама ходовая
Механизм стопора
Колесо ведущее
Каток опорный, Каток поддерживающий
Платформа поворотная
Платформа поворотная
Платформа поворотная
Платформа поворотная
Платформа поворотная
Платформа поворотная
Платформа поворотная
Платформа поворотная
Платформа поворотная
Платформа поворотная
Платформа поворотная
Платформа поворотная
Платформа поворотная
Платформа поворотная
Платформа поворотная
Платформа поворотная
Платформа поворотная
Платформа поворотная
Платформа поворотная
Рама поворотная
Рама поворотная
Установка силовая
Установка силовая
Установка силовая
Установка силовая
Установка ПЖБ-400
Установка ПЖБ-400
Установка ПЖБ-400
Кран сливной
Редуктор цепной
Бачок
Механизм нажимной
Ролик натяжной
Редуктор
Кожух
Установка насоса и бачка
Установка насоса и бачка
Пневмоцилиндр
Пневмоцилиндр
Пневморазводка
Пневморазводка
Пневморазводка
Пневморазводка
Пневморазводка
Пневморазводка
Вал вертикальный
Вал промежуточный
Вал горизонтальный
Вал горизонтальный
Вал
Вал
Вал
Кожух шестерен
Насос диафрагменный
Лебедка главная
Лебедка главная
Лебедка главная
Крестовина правая
Крестовина левая
Ограничитель, Клапан быстрого оттормаживания
Ролик натяжной в сборе
Управление кулачковой муфтой РГЛ
Электрооборудование кабины
Электрооборудование кабины
Электооборудование капота
Щиток приборов, Козырек солнезащитный
Щиток приборов
Комплект инструмента и принадлежностей
Комплект инструмента и принадлежностей
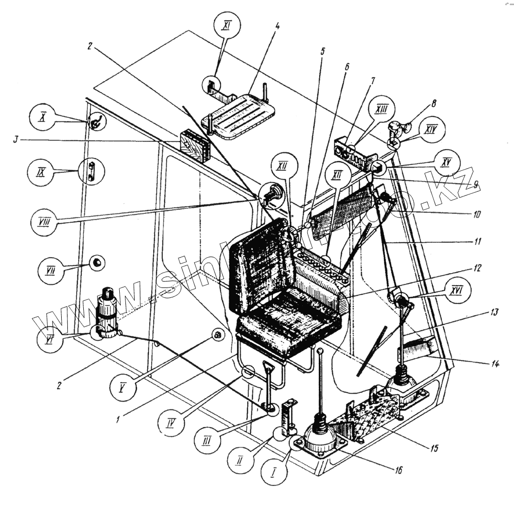
1
2
2
3
4
5
6
7
8
9
10
11
12
13
14
15
16
Позиция на иллюстрации
Заводской номер детали
Название детали
1
У7920.03А.00.000
Сидение унифицированное
2
30703,6-Г-1-Н-180
Канат L=8 м
3
6-05-298
Аптечка медицинская
4
ЭО-4112.30.11.01.000
Крышка люка
5
ЭО-4112.30.11.17.000
Блок управления стрелой
6
ЭО-4112.30.11.11.000
Акселератор
7
ЭО-4112.30.11.36.000
Электрооборудование кабины
8
C-40B
Сигнал пневматический
9
ЭО-4112.30.11.25.000
Козырек солнцезащитный
10
СЛ-440-Д-5205010
Стеклоочиститель
11
ЭО-4112.30.11.27.000
Пневморазводка
12
ЭО-4112.30.11.04.000
Пульт управления
13
ЭО-4112.30.11.06.000-01
Колонка
14
ЭО-4112.30.11.21.000
Щиток приборов
15
ЭО-4112.30.11.09.000
Площадка тормозная
16
ЭО-4112.30.11.06.000
Колонка
Содержащиеся в справочниках-каталогах запасные части и детали не предлагаются к продаже, а носят исключительно информационный характер
Дополнительная информация
×
Название:
Номер:
Примечание: