Каталог запасных частей к технике: Донекс ЭО-4112. Ковш грейфера
1
2
3
4
5
6
7
8
9
10
11
11
11
12
12
13
13
14
15
16
17
18
18
19
19
19
20
20
21
21
21
21
21
21
22
22
23
23
24
24
24
25
26
27
28
29
30
31
32
33
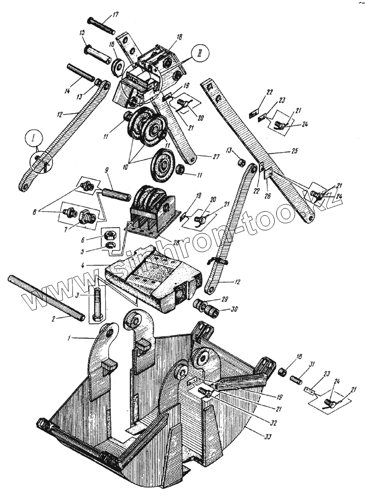
| Позиция на иллюстрации | Заводской номер детали | Название детали | |
|---|---|---|---|
| 1 | 758.231 | Челюсть левая | |
| 2 | 758.230.00.2 | Ось | |
| 3 | 15589М30х170 | Болт | |
| 4 | 758.230.00.38 | Груз | |
| 5 | 640230Т.65Г | Шайба | |
| 6 | 5915М30 | Гайка | |
| 7 | 652.041.00.68 | Штуцер | |
| 8 | 198531.3 | Масленка | |
| 9 | 758.230.00.6 | Ось | |
| 10 | 758.230.00.7 | Блок | |
| 11 | 758.230.00.9 | Втулка | |
| 12 | 758.230.00.39 | Тяга | |
| 13 | 758.230.00.24 | Втулка | |
| 14 | 758.230.00.10 | Ось | |
| 15 | 758.230.00.12 | Палец | |
| 16 | 758.230.00.13 | Коуш | |
| 17 | 758.230.00.42 | Палец | |
| 18 | 758.230.04 | Корпус головки блоков | |
| 19 | 60-75 | Оседержатель | |
| 20 | 77983М16x20 | Болт | |
| 21 | 32821,6 | Проволока L =300 mм | |
| 22 | 758.230.00.27 | Прокладка | |
| 23 | 36-60 | Оседержатель | |
| 24 | 77983М12x20 | Болт | |
| 25 | 758.230.00.40 | Тяга | |
| 26 | 758.230.00.11 | Планка стопорная | |
| 27 | 756.230.00.41 | Тяга | |
| 28 | 758.230.01 | Кронштейн блоков | |
| 29 | 758.230.00.3 | Втулка | |
| 30 | 758.230.00.4 | Втулка | |
| 31 | 758.230.00.23 | Палец | |
| 32 | 77963М16x35 | Болт | |
| 33 | 758.232 | Челюсть правая | |
| 34 | 758.230.05 | Оттяжка | |
| 35 | 652.230.01 | Цепь оттяжная | |
| 36 | 5915M16 | Гайка | |
| 37 | 758.230.05.3 | Болт дуговой | |
| 38 | 640212Т.65Г | Шайба | |
| 39 | 7796М12х20 | Болт | |
| 40 | 758.230.00.17 | Планка стопорная | |
| 41 | 758.230.00.18 | Палец | |
| 42 | 24.090.51.19 | Зажим | |
| 43 | 640216Т.65Г | Шайба | |
| 44 | 23/1-13187 | Колодка | |
| 45 | 23/2-13186 | Скоба | |
| 46 | 758.230.00.19 | Ролик | |
| 47 | 964940 | Шайба | |
| 48 | 758.230.00.5 | Труба | |
| 49 | 22-25321,5 | Обойма | |
| 50 | 652A.160.00.30 | Клин коуша | |
| 51 | 3976,3x71 | Шплинт | |
| 52 | 96506-40h11х180 | Ось | |
| 53 | 758.230.00.17-01 | Планка стопорная | |
| 54 | 758.230.00.20 | Палец | |
| 55 | 758.230.00.21 | Ролик |
Содержащиеся в справочниках-каталогах запасные части и детали не предлагаются к продаже, а носят исключительно информационный характер