Каталог запасных частей к технике: Dimex-E-10. Электродвигатель насосный
1
2
3
4
5
5
5
5
6
6
7
8
8
8
9
10
11
12
13
13
14
15
16
17
18
18
19
19
20
21
23
23
24
24
25
26
27
28
28
29
30
31
32
33
34
35
36
37
38
39
40
41
42
43
44
45
46
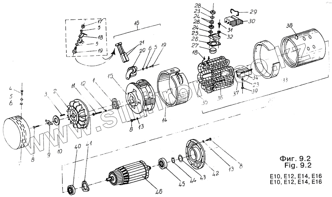
| Позиция на иллюстрации | Заводской номер детали | Название детали | |
|---|---|---|---|
| 30.35.000 | 30.35.000 | Насосный электродвигатель | |
| 1 | 30.35.001 | Крышка подшипника | |
| 2 | 30.35.002 | Вентилятор | |
| 3 | 30.35.003 | Шпонка | |
| 4 | 99.02.038 | Винт IВ М5х10-5,6 | |
| 5 | 99.05.003 | Шайба 2-5Н | |
| 6 | 99.06.015 | Шайба А М5 | |
| 7 | 30.35.003 | Шпонка | |
| 8 | 30.35.004 | Болт I М8х20-5,6 | |
| 9 | 30.35.005 | Предохранительная шайба | |
| 10 | 30.35.006 | Шайба прокладочная | |
| 11 | 99.02.054 | Винт IВ М6х30-5,6 | |
| 12 | 99.05.004 | Шайба 2-6Н | |
| 13 | 99.05.005 | Шайба 2 8Н | |
| 14 | 30.35.007 | Пояс покровный | |
| 15 | 30.35.008 | Щит задний | |
| 16 | 30.35.009 | Щит с щеткодержателями | |
| 17 | 99.03.022 | Гайка М5-5 | |
| 18 | 30.35.010 | Вывод А2 | |
| 19 | 99.02.039 | Винт I М5х14-5,6 | |
| 20 | 30.35.011 | Щеткодержатель | |
| 21 | 30.35.012 | Щетка | |
| 22 | 30.35.013 | Статор | |
| 23 | 99.05.006 | Шайба 2-10Н | |
| 24 | 30.35.014 | Шайба прокладочная | |
| 25 | 30.35.015 | Основа | |
| 26 | 30.35.016 | Уплотнение | |
| 27 | 30.35.017 | Втулка | |
| 28 | 30.35.018 | Гайка М10 | |
| 29 | 30.35.019 | Скоба | |
| 30 | 30.35.020 | Крышка клемм | |
| 31 | 99.02.041 | Винт 1А М6х14-5,6 | |
| 32 | 99.06.014 | Шайба А М6-5,8 | |
| 33 | 30.35.021 | Изоляция | |
| 34 | 30.35.022 | Полюс | |
| 35 | 30.35.023 | Шунтовая катушка шунтовая I | |
| 36 | 30.35.024 | Сериесные катушки в сборе | |
| 37 | 30.35.025 | Шунтовая катушка шунтовая II | |
| 38 | 30.35.026 | Корпус | |
| 39 | 30.35.027 | Болт I М10х20-5,6 | |
| 40 | 30.35.028 | Подшипник шариковый | |
| 41 | 30.35.029 | Крышка подшипника | |
| 42 | 30.35.030 | Передний щит | |
| 43 | 30.35.031 | Крышка предохранительная | |
| 44 | 30.35.032 | Кольцо пружинное | |
| 45 | 30.35.033 | Подшипник шариковый | |
| 46 | 30.35.034 | Ротор |
Содержащиеся в справочниках-каталогах запасные части и детали не предлагаются к продаже, а носят исключительно информационный характер